Operation CHARM: Car repair manuals for everyone.
Manuals through 2025 now available!

Our trusted friends have launched a new website named LEMON, which has newer manuals. It also contains all the CHARM manuals.

LEMON is the spiritual successor to CHARM, I recommend you try it!

Link: lemon-manuals.la or lemon-manuals.org.ua

(Some people have issue connecting. LEMON is investigating. For now, use Firefox or change your DNS server)

Or, hide this message: temporarily or permanently

Checking the Accelerator Pedal Position Sensor Calibration







*CHECKING THE ACCELERATOR PEDAL POSITION SENSOR CALIBRATION





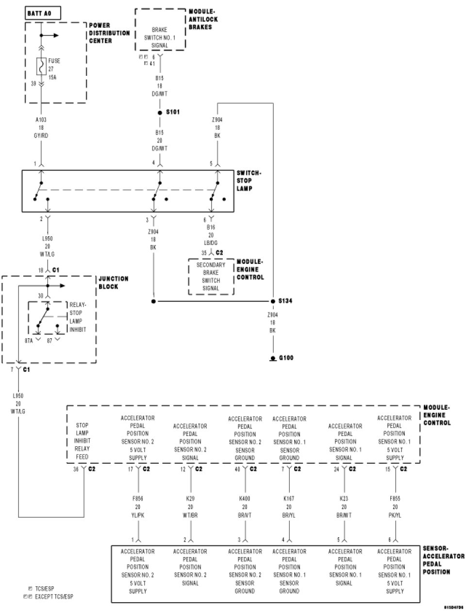
For a complete wiring diagram Consult Diagrams/Electrical





Diagnostic Test

1. APP SENSOR IDLE VOLTAGE

NOTE: If there are any Accelerator Pedal Position Sensor DTC's active in the ECM, diagnose DTC's before continuing this test.

NOTE: The APP Sensor is a device that contains 2 separate potentiometer type sensors. Each sensor has its own 5-volt supply circuit, sensor ground circuit and signal circuit. The APP Sensor no longer incorporates a low-idle switch.

NOTE: The APP Sensor 1 signal should always be double the voltage of the APP Sensor 2 signal.

NOTE: Ensure the accelerator pedal is free from any restriction or binding before continuing.

Turn the ignition on.
With the scan tool, read the APP Sensor 1 and APP Sensor 2 Volts with the accelerator pedal in the at rest position.
Does the scan tool display between 0.38 and 0.53 volt for sensor 1 and 0.19 and 0.27 volt for sensor 2?

Yes

- Go To 2

No

- Check the APP Sensor circuits for proper resistance. If o.k., replace the APP Sensor.
- Perform the ECM Verification Test Ver. 1. Verification Tests

2. APP SENSOR 1
While back probing, measure the voltage of the APP Sensor 1 Signal circuit at the ECM.
Monitor the voltmeter while slowly pressing the accelerator pedal completely down.

NOTE: APP signals are displayed in voltage and percentage on the scan tool. Although APP 1 voltage is double APP 2 voltage, the percentage display of APP 1 and APP 2 should be the equal during all phases of accelerator pedal travel.

Did the voltage increase smoothly with pedal travel?

Yes

- Go To 3

No

- Replace the Accelerator Pedal Position Sensor.
- Perform the ECM Verification Test Ver. 1. Verification Tests

3. APP SENSOR 2
While back probing, measure the voltage of the APP Sensor 2 Signal circuit at the ECM.
Monitor the voltmeter while slowly pressing the accelerator pedal completely down.

NOTE: APP signals are displayed in voltage and percentage on the scan tool. Although APP 1 voltage is double APP 2 voltage, the percentage display of APP 1 and APP 2 should be the equal during all phases of accelerator pedal travel.

Did the voltage increase smoothly with pedal travel?

Yes

- Go To 4

No

- Replace the Accelerator Pedal Position Sensor.
- Perform the ECM Verification Test Ver. 1. Verification Tests

4. APP SENSOR WIDE OPEN THROTTLE VOLTAGE
Fully depress the accelerator pedal.
With the scan tool, read the voltage for APP Sensor 1 and APP Sensor 2.
Does the scan tool display between 4.40 and 4.70 volts for sensor 1 and 2.20 and 2.35 volts for sensor 2?

Yes

- Test Complete.

No

- Check the APP Sensor circuits for proper resistance. If o.k., replace the APP Sensor.
- Perform the ECM Verification Test Ver. 1. Verification Tests