Operation CHARM: Car repair manuals for everyone.
Manuals through 2025 now available!

Our trusted friends have launched a new website named LEMON, which has newer manuals. It also contains all the CHARM manuals.

LEMON is the spiritual successor to CHARM, I recommend you try it!

Link: lemon-manuals.la or lemon-manuals.org.ua

(Some people have issue connecting. LEMON is investigating. For now, use Firefox or change your DNS server)

Or, hide this message: temporarily or permanently

Checking the Boost Pressure Sensor Calibration







*CHECKING THE BOOST PRESSURE SENSOR CALIBRATION





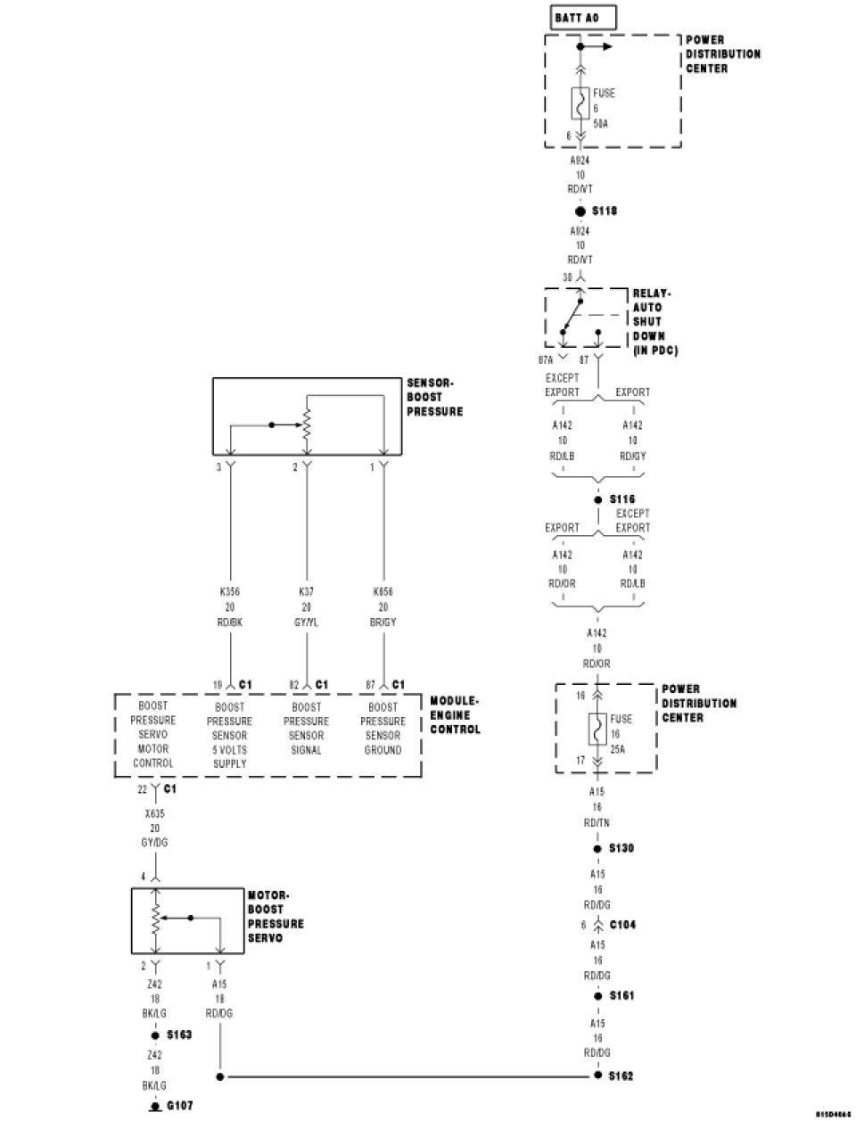
For a complete wiring diagram Consult Diagrams/Electrical





Diagnostic Test

1. BOOST PRESSURE SENSOR CALIBRATION
Turn the ignition on.
With the scan tool, read the Boost Pressure Voltage and Boost Pressure hpa.

NOTE: The Boost Pressure hpa and Intake/Inlet Air Pressure hpa readings should both match closely to the Atmospheric Pressure hpa reading. These readings will change depending on altitude.

Is the Boost Pressure Voltage between 1.15 and 1.38 volt?

Yes

- Test Complete.

No

- Replace the Turbocharger Boost Pressure Sensor.
- Perform the ECM Verification Test Ver. 1. Verification Tests