Operation CHARM: Car repair manuals for everyone.
Manuals through 2025 now available!

Our trusted friends have launched a new website named LEMON, which has newer manuals. It also contains all the CHARM manuals.

LEMON is the spiritual successor to CHARM, I recommend you try it!

Link: lemon-manuals.la or lemon-manuals.org.ua

(Some people have issue connecting. LEMON is investigating. For now, use Firefox or change your DNS server)

Or, hide this message: temporarily or permanently

Checking the EGR System







*CHECKING THE EGR SYSTEM





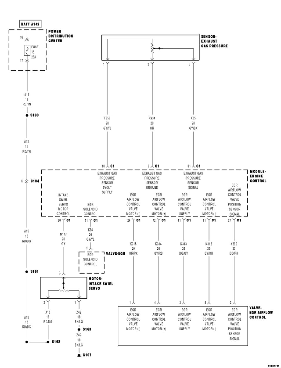
For a complete wiring diagram Consult Diagrams/Electrical





1. EGR VALVE




NOTE: The engine temperature must be above 160°F for this test to be valid.

NOTE: Engine must be idling in park between 600 to 650 rpm.

With the scan tool, actuate the EGR Solenoid at 0%.
Select Data Display and read and note the MAF Per Cyl mg/hu reading.

NOTE: The EGR actuation will only occur for 30 seconds then actuation will stop automatically. Any readings or measurements must be taken within 30 seconds of beginning of actuation.

Repeat the above steps actuating the EGR Valve at 0%, 40%, 60%, and 100% noting the MAF readings during each actuation.
Refer to the chart and compare each of the EGR actuations and the expected MAF readings for each actuation.
Are the MAF Per Cyl mg/hu within the chart specifications for each percentage of EGR actuation?

Yes

- EGR system operating correctly. Test Complete.

No

- Go To 2

2. CHECK FOR INTAKE AND EXHAUST SYSTEM RESTRICTIONS
Turn the ignition off.
Inspect the exhaust system for damaged components that could cause exhaust flow blockage.
Inspect all air intake, crankcase vent and turbocharger related hoses/tubes and connections for damage, air leaks or blockage.
Inspect the air filter for excessive dirt, soiling or other problems that may cause restricted air flow.
Were any problems found?

Yes

- Repair or replace as necessary.
- Perform the ECM Verification Test Ver. 1. Verification Tests

No

- Go to 3

3. (A15) FUSED ASD RELAY OUTPUT CIRCUIT OPEN
Turn the ignition off.
Disconnect the EGR Solenoid harness connector.
Turn the ignition on.
Using a 12-volt test light connected to ground, check the (A15) Fused ASD Relay Output circuit at the EGR Solenoid harness connector.
Is the test light on?

Yes

- Go To 4

No

- Repair the (A15) Fused ASD Relay Output circuit for an open.
- Perform the ECM Verification Test Ver. 1. Verification Tests

4. (Z42) EGR SOLENOID GROUND CIRCUIT OPEN
Turn the ignition off.
Using a 12-volt test light connected to 12-volts, check the (Z42) EGR Solenoid Ground circuit at the EGR Solenoid harness connector.
Is the test light on?

Yes

- Replace the EGR Solenoid/Valve.

No

- Repair the (Z42) EGR Solenoid Ground circuit for an open.
- Perform the ECM Verification Test Ver. 1. Verification Tests