Operation CHARM: Car repair manuals for everyone.
Manuals through 2025 now available!

Our trusted friends have launched a new website named LEMON, which has newer manuals. It also contains all the CHARM manuals.

LEMON is the spiritual successor to CHARM, I recommend you try it!

Link: lemon-manuals.la or lemon-manuals.org.ua

(Some people have issue connecting. LEMON is investigating. For now, use Firefox or change your DNS server)

Or, hide this message: temporarily or permanently

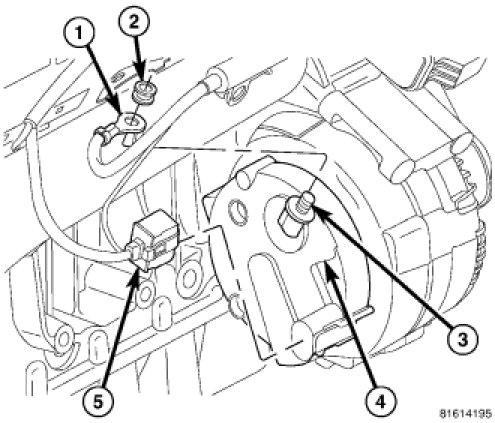
Generator - Installation







3.0L - DIESEL





1. Position generator to engine.
2. Install battery B+ cable eyelet (1) and nut (2) to generator mounting stud (3).
3. Snap plastic insulator cap to B+ output terminal mounting stud.




4. Install two upper mounting bolts (1) finger tight only.
5. Install throttle body (four bolts).
6. Install throttle body-to-cylinder head support bracket (four bolts).
7. Raise vehicle.




8. Install two lower mounting bolts (2) and tighten.




9. Connect field wire connector (5) to generator (4).
10. If equipped, install skid plate below generator.
11. Lower vehicle.




12. Tighten two generator upper mounting bolts (1).
13. Install generator drive belt.
14. Install air filter housing (one bolt).
15. Install air filter element and air filter housing cover.
16. Install coolant reservoir tank mounting bolt and coolant tank.
17. Install plastic dress-up cover at top of engine.
18. Connect negative battery cable to battery.