Operation CHARM: Car repair manuals for everyone.
Manuals through 2025 now available!

Our trusted friends have launched a new website named LEMON, which has newer manuals. It also contains all the CHARM manuals.

LEMON is the spiritual successor to CHARM, I recommend you try it!

Link: lemon-manuals.la or lemon-manuals.org.ua

(Some people have issue connecting. LEMON is investigating. For now, use Firefox or change your DNS server)

Or, hide this message: temporarily or permanently

Fuel Delivery Check






*CHECKING THE FUEL DELIVERY SYSTEM





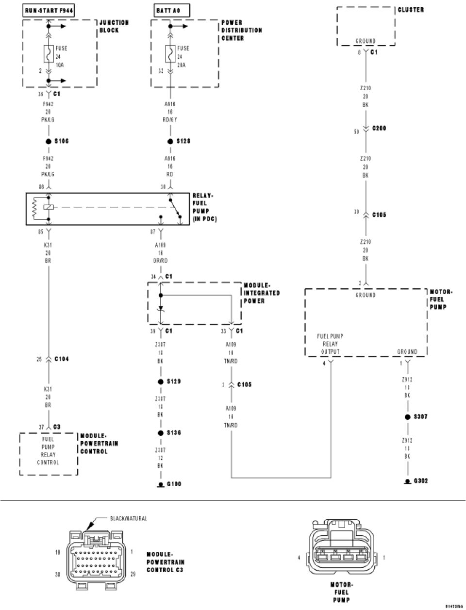
For a complete wiring diagram refer to Diagrams/Electrical.







Diagnostic Test

1. FUEL PUMP OPERATION

Ignition on, engine not running.

With a scan tool, actuate the Fuel System test.

NOTE: It may be necessary to use a mechanics stethoscope in the next step.

Listen for fuel pump operation at the fuel tank.

Does the Fuel Pump operate?

Yes

- Go To 2

No

- Go To 5

CAUTION: Stop All Actuations.


2. FUEL PRESSURE

WARNING: The fuel system is under a constant pressure (even with the engine off). Before testing or servicing any fuel system hose, fitting or line, the fuel system pressure must be released. Failure to follow these instructions can result in personal injury or death.

Turn the ignition off.

Install a fuel pressure gauge at the engine.

Ignition on, engine not running.

With the scan tool, actuate the ASD Fuel System test and observe the fuel pressure gauge.

NOTE: Fuel pressure specification is 407 KPa ± 34 KPa (59 psi ± 5 psi).

CAUTION: Stop All Actuations.

Choose a conclusion that best matches your fuel pressure reading.

Below Specification

- Go To 3

Within Specification

- Test Complete.

Above Specification

- Replace the fuel filter/fuel pressure regulator.
- Perform the POWERTRAIN VERIFICATION TEST. Powertrain Verification Test


3. RESTRICTED FUEL SUPPLY LINE

WARNING: The fuel system is under a constant pressure even with the engine off. Before testing or servicing any fuel system hose, fitting or line, the fuel system pressure must be released.

Turn the ignition off.

Raise vehicle on hoist, and disconnect the fuel pressure line at the fuel pump module.

Install special tool #6539 (5/16 inch) or #6631 (3/8 inch)
fuel line adapter and the fuel pressure gauge between the fuel supply line and the fuel pump module.

Ignition on, engine not running.

With the scan tool, actuate the ASD Fuel System test and observe the fuel pressure gauge.

NOTE: Fuel pressure specification is 407 KPa ± 34 KPa (59 psi ± 5 psi).

CAUTION: Stop All Actuations.

Is the fuel pressure within specification now?

Yes

- Repair/replace fuel supply line as necessary.
- Perform the POWERTRAIN VERIFICATION TEST. Powertrain Verification Test

No

- Go To 4


4. CHECKING FUEL INLET STRAINER

WARNING: The fuel system is under a constant pressure (even with the engine off). Before testing or servicing any fuel system hose, fitting or line, the fuel system pressure must be released. Failure to follow these instructions can result in personal injury or death.

Turn the ignition off.

Remove the Fuel Pump Module and inspect the Fuel Inlet Strainer.

Is the Fuel Inlet Strainer plugged?

Yes

- Replace the Fuel Pump Inlet Strainer.
- Perform the POWERTRAIN VERIFICATION TEST. Powertrain Verification Test

No

- Replace the Fuel Pump Module.
- Perform the POWERTRAIN VERIFICATION TEST. Powertrain Verification Test


5. (A109) FUEL PUMP RELAY OUTPUT CIRCUIT OPEN

Turn the ignition off.

Remove the Fuel Pump Relay from the IPM.

Disconnect the Fuel Pump Module harness connector.

Measure the resistance of the (A109) Fuel Pump Relay Output circuit from the relay connector to the fuel pump module connector.

Is the resistance below 5.0 ohms?

Yes

- Replace the Fuel Pump Relay.
- Perform the POWERTRAIN VERIFICATION TEST. Powertrain Verification Test

No

- Repair the open in the (A109) Fuel Pump Relay Output circuit.
- Perform the POWERTRAIN VERIFICATION TEST. Powertrain Verification Test