Operation CHARM: Car repair manuals for everyone.
Manuals through 2025 now available!

Our trusted friends have launched a new website named LEMON, which has newer manuals. It also contains all the CHARM manuals.

LEMON is the spiritual successor to CHARM, I recommend you try it!

Link: lemon-manuals.la or lemon-manuals.org.ua

(Some people have issue connecting. LEMON is investigating. For now, use Firefox or change your DNS server)

Or, hide this message: temporarily or permanently

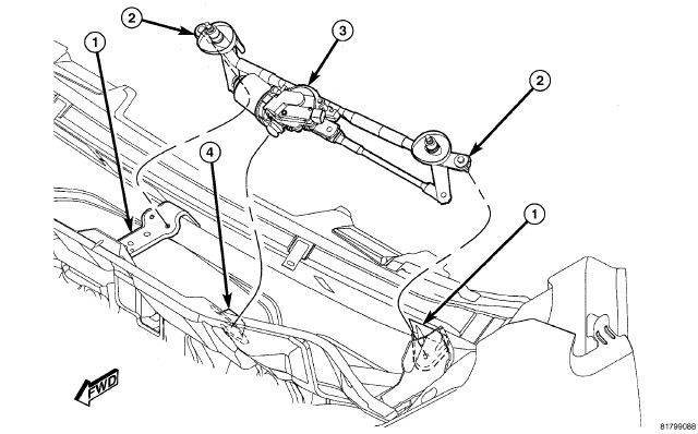
Wiper Transmission - Installation






INSTALLATION





1. Position the front wiper module (3) into the cowl plenum as a unit.
2. Position the knob-like rubber isolator to the slotted bracket (4) on the forward wall of the cowl plenum and pull the module outboard far enough to seat the isolator in the bracket.
3. Loosely install the two screws (2) that secure the ends of the front wiper module bracket to the stamped brackets (1) within the cowl plenum.
4. Tighten the two screws, driver side followed by passenger side, to 8 Nm (73 in. lbs.).




5. Reconnect the wire harness (1) connector (2) to the connector receptacle for the front wiper motor (3) and engage the routing clip onto the stud in the cowl plenum.
6. Reinstall the cowl plenum cover/grille panel over the front wiper module. Cowl Panel Cover - Installation.

NOTE: Be certain to turn the ignition switch to the ON position, then turn the front wiper switch ON and OFF again to cycle the wiper motor and linkage to their natural park position before reinstalling the front wiper arms onto the wiper pivots.

7. Reinstall both front wiper arms onto the wiper pivots. . Wiper Arm - Installation
8. Reconnect the battery negative cable.