Operation CHARM: Car repair manuals for everyone.
Manuals through 2025 now available!

Our trusted friends have launched a new website named LEMON, which has newer manuals. It also contains all the CHARM manuals.

LEMON is the spiritual successor to CHARM, I recommend you try it!

Link: lemon-manuals.la or lemon-manuals.org.ua

(Some people have issue connecting. LEMON is investigating. For now, use Firefox or change your DNS server)

Or, hide this message: temporarily or permanently

Automatic Transmission/Transaxle






HYDRAULIC SCHEMATICS




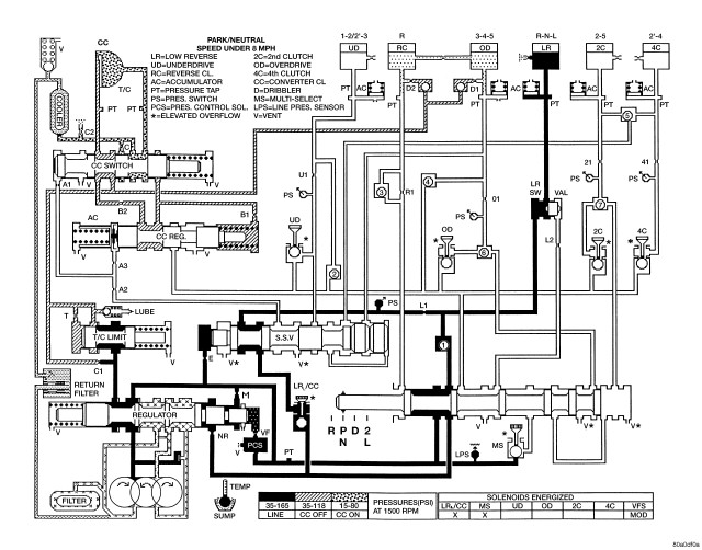
HYDRAULIC FLOW IN PARK/NEUTRAL



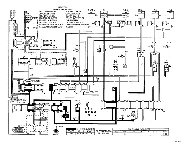
HYDRAULIC FLOW IN NEUTRAL OVER 8MPH



HYDRAULIC FLOW IN REVERSE



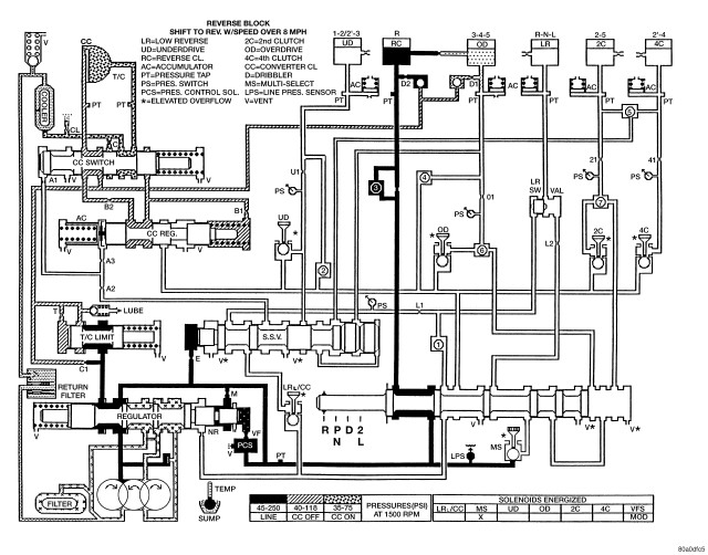
HYDRAULIC FLOW IN REVERSE BLOCK



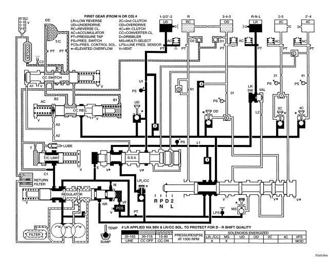
HYDRAULIC FLOW IN FIRST GEAR (FROM N OR OD)



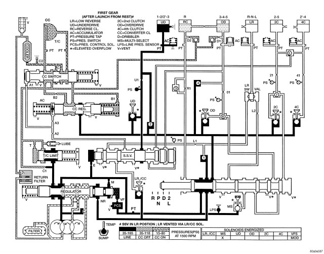
HYDRAULIC FLOW IN FIRST GEAR (AFTER LAUNCH FROM REST)



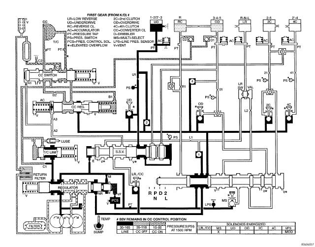
HYDRAULIC FLOW IN FIRST GEAR (FROM K/D)



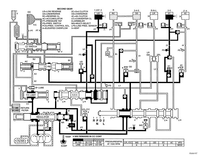
HYDRAULIC FLOW IN SECOND GEAR



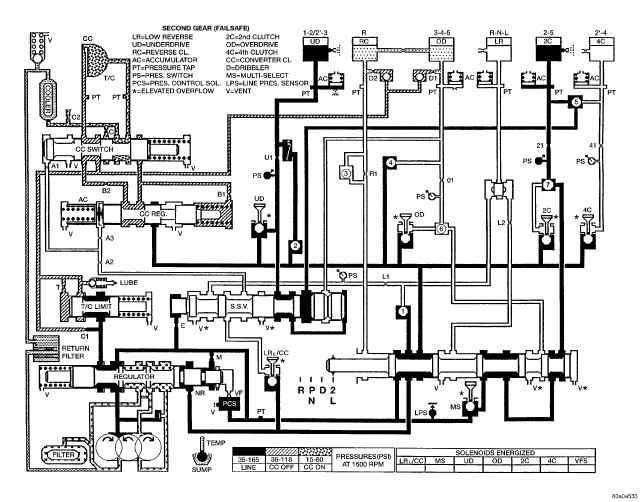
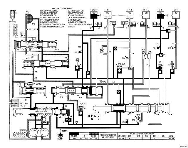
HYDRAULIC FLOW IN SECOND GEAR EMCC



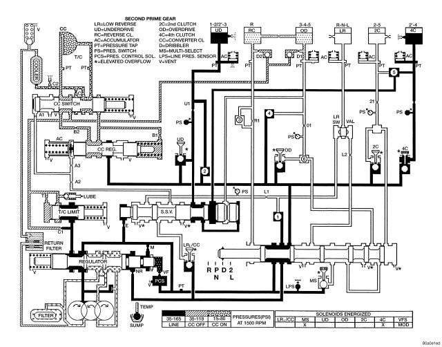
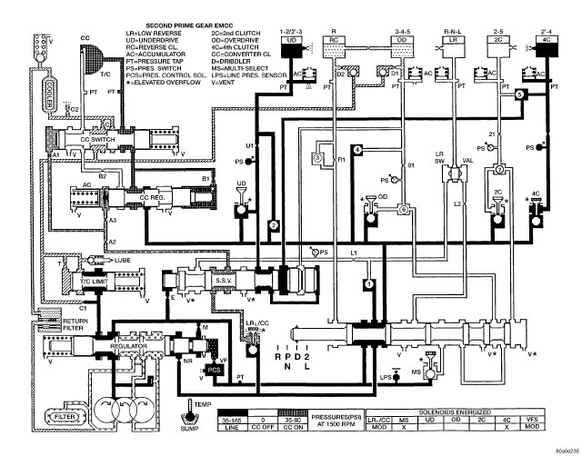
HYDRAULIC FLOW IN SECOND PRIME GEAR



HYDRAULIC FLOW IN SECOND PRIME GEAR EMCC



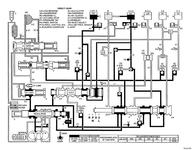
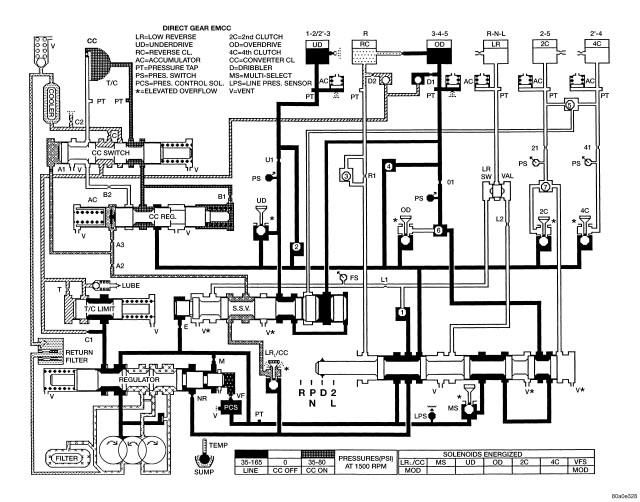
HYDRAULIC FLOW IN DIRECT GEAR



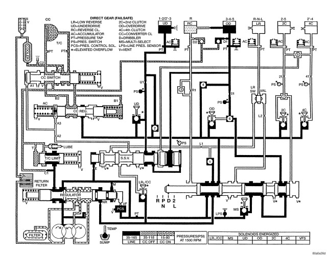
HYDRAULIC FLOW IN DIRECT GEAR (FAILSAFE)



HYDRAULIC FLOW IN DIRECT GEAR EMCC



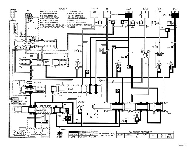
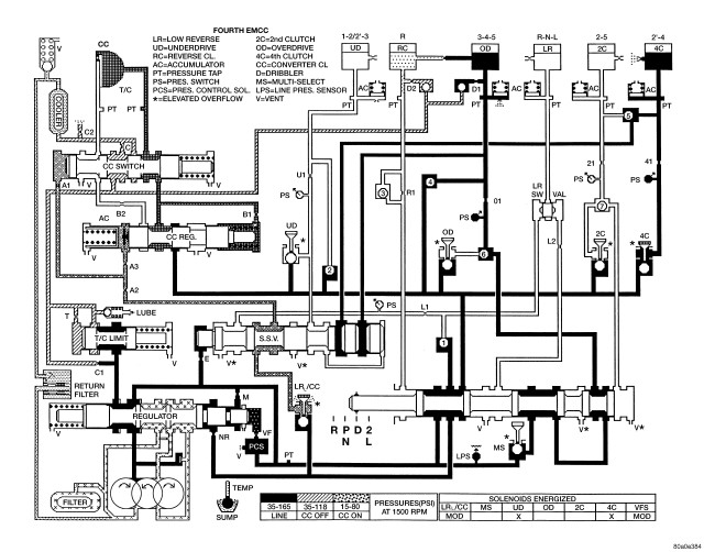
HYDRAULIC FLOW IN FOURTH



HYDRAULIC FLOW IN FOURTH EMCC



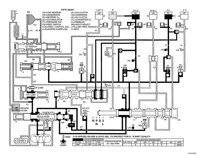
HYDRAULIC FLOW IN FIFTH



HYDRAULIC FLOW IN FIFTH EMCC



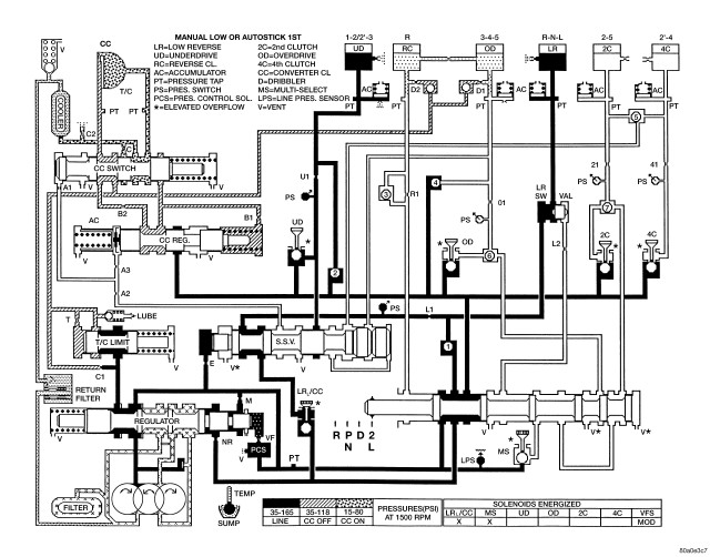
HYDRAULIC FLOW IN MANUAL LOW OR AUTOSTICK 1ST



HYDRAULIC FLOW IN MANUAL SECOND



HYDRAULIC FLOW IN MANUAL SECOND (FAILSAFE)