Operation CHARM: Car repair manuals for everyone.
Manuals through 2025 now available!

Our trusted friends have launched a new website named LEMON, which has newer manuals. It also contains all the CHARM manuals.

LEMON is the spiritual successor to CHARM, I recommend you try it!

Link: lemon-manuals.la or lemon-manuals.org.ua

(Some people have issue connecting. LEMON is investigating. For now, use Firefox or change your DNS server)

Or, hide this message: temporarily or permanently

Automatic Transmission/Transaxle






SCHEMATICS AND DIAGRAMS




Figure 1 - HYDRAULIC FLOW IN PARK/NEUTRAL



Figure 2 - HYDRAULIC FLOW IN NEUTRAL OVER 8MPH



Figure 3 - HYDRAULIC FLOW IN REVERSE



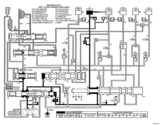
Figure 4 - HYDRAULIC FLOW IN REVERSE BLOCK



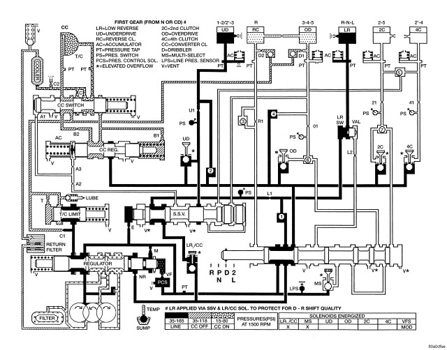
Figure 5 - HYDRAULIC FLOW IN FIRST GEAR (FROM N OR OD)



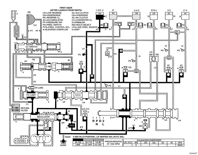
Figure 6 - HYDRAULIC FLOW IN FIRST GEAR (AFTER LAUNCH FROM REST)



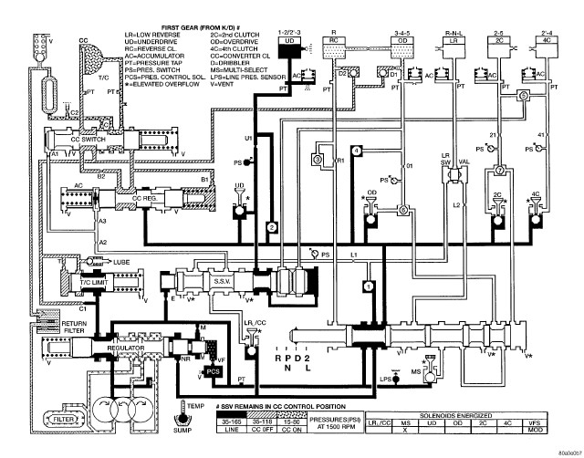
Figure 7 - HYDRAULIC FLOW IN FIRST GEAR (FROM K/D)



Figure 8 - HYDRAULIC FLOW IN SECOND GEAR



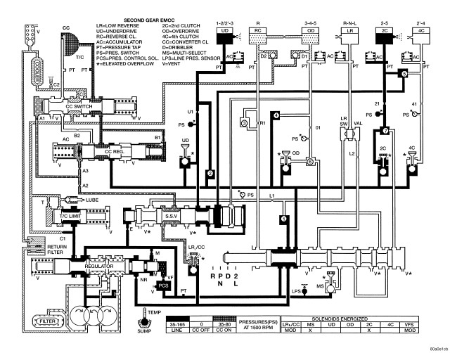
Figure 9 - HYDRAULIC FLOW IN SECOND GEAR EMCC



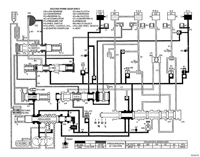
Figure 10 - HYDRAULIC FLOW IN SECOND PRIME GEAR



Figure 11 - HYDRAULIC FLOW IN SECOND PRIME GEAR EMCC



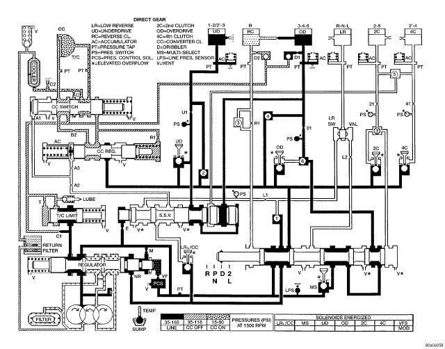
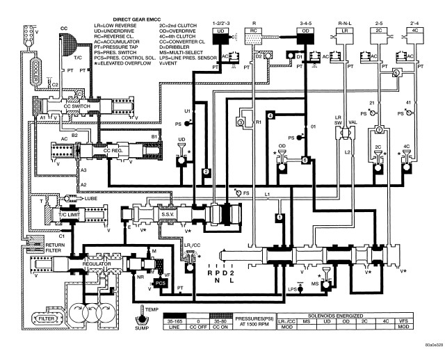
Figure 12 - HYDRAULIC FLOW IN DIRECT GEAR



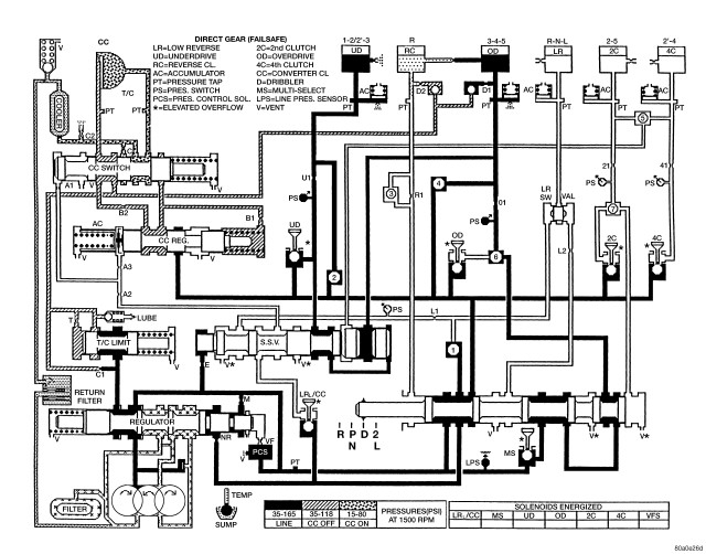
Figure 13 - HYDRAULIC FLOW IN DIRECT GEAR (FAILSAFE)



Figure 14 - HYDRAULIC FLOW IN DIRECT GEAR EMCC



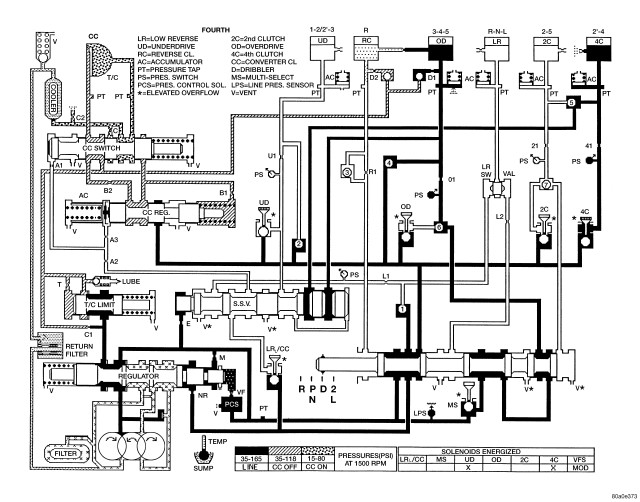
Figure 15 - HYDRAULIC FLOW IN FOURTH



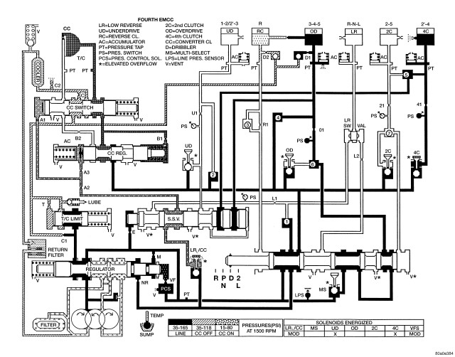
Figure 16 - HYDRAULIC FLOW IN FOURTH EMCC



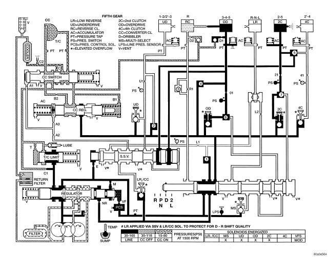
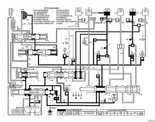
Figure 17 - HYDRAULIC FLOW IN FIFTH



Figure 18 - HYDRAULIC FLOW IN FIFTH EMCC



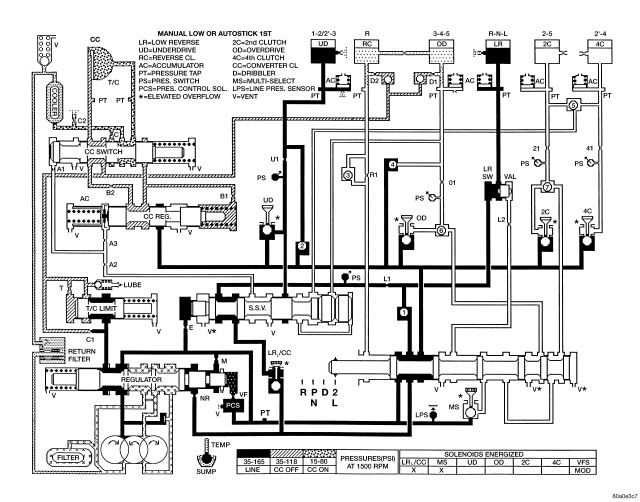
Figure 19 - HYDRAULIC FLOW IN MANUAL LOW OR AUTOSTICK 1ST



Figure 20 - HYDRAULIC FLOW IN MANUAL SECOND



Figure 21 - HYDRAULIC FLOW IN MANUAL SECOND (FAILSAFE)