Operation CHARM: Car repair manuals for everyone.
Manuals through 2025 now available!

Our trusted friends have launched a new website named LEMON, which has newer manuals. It also contains all the CHARM manuals.

LEMON is the spiritual successor to CHARM, I recommend you try it!

Link: lemon-manuals.la or lemon-manuals.org.ua

(Some people have issue connecting. LEMON is investigating. For now, use Firefox or change your DNS server)

Or, hide this message: temporarily or permanently

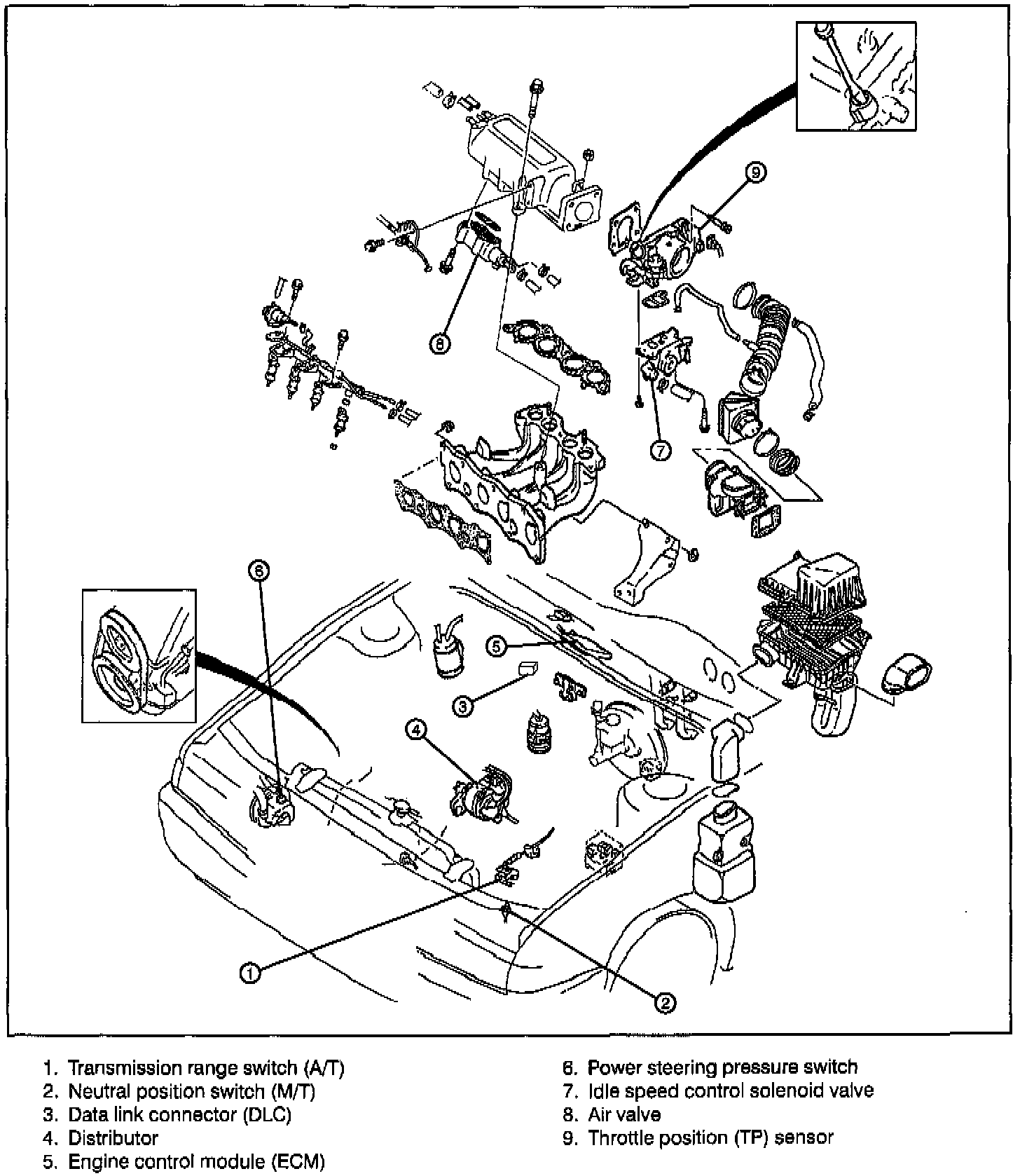
Idle Speed Control (ISC) System






DESCRIPTION
To improve idle smoothness, the ISC system controls the air amount by regulating the bypass air amount passing through the throttle body. This system consists of the idle speed control solenoid valve, air valve, ECM and input devices.