Operation CHARM: Car repair manuals for everyone.
Manuals through 2025 now available!

Our trusted friends have launched a new website named LEMON, which has newer manuals. It also contains all the CHARM manuals.

LEMON is the spiritual successor to CHARM, I recommend you try it!

Link: lemon-manuals.la or lemon-manuals.org.ua

(Some people have issue connecting. LEMON is investigating. For now, use Firefox or change your DNS server)

Or, hide this message: temporarily or permanently

Component Tests and General Diagnostics: Overview




Chart:




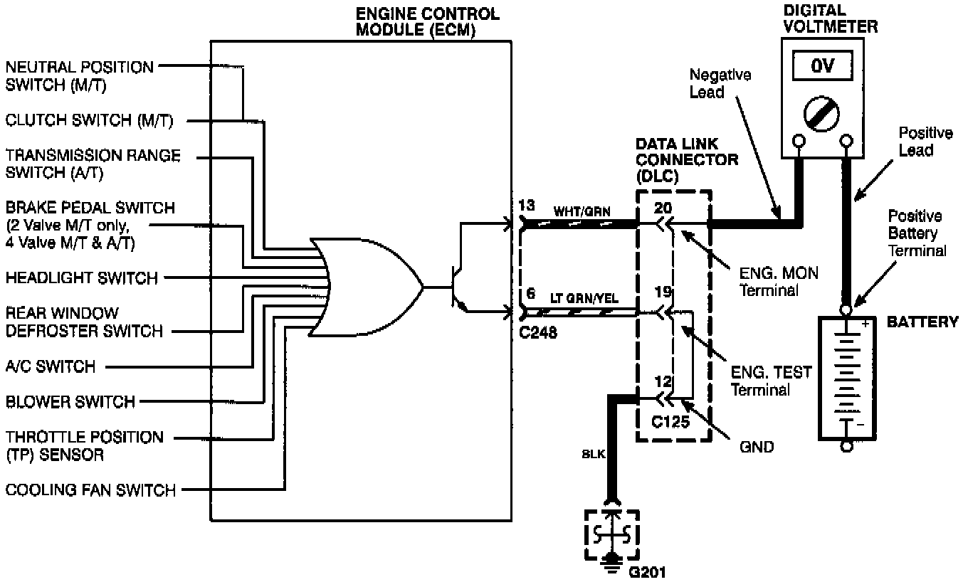
DLC:






SWITCH MONITOR FUNCTION
Individual switches can be inspected through the data link connector (DLC).

NOTE:
- Ground the ENG. TEST terminal of the data link connector (DLC).
- Place a digital voltmeter in series between the battery and the ENG. MON. terminal of the data link connector (DLC).


DLC Location:




DLC:









INSPECTION PROCEDURE
1. Locate the data link connector (DLC).
2. Jump the engine test terminal to ground.
3. Connect a voltmeter in series between the positive terminal of the battery and the engine monitor terminal of the data ink connector (DLC).
4. Turn the ignition switch ON. Do not start the engine.
5. Check the voltage indicated when each switch is made to function as described.

CAUTION: Do not start the engine.