Operation CHARM: Car repair manuals for everyone.
Manuals through 2025 now available!

Our trusted friends have launched a new website named LEMON, which has newer manuals. It also contains all the CHARM manuals.

LEMON is the spiritual successor to CHARM, I recommend you try it!

Link: lemon-manuals.la or lemon-manuals.org.ua

(Some people have issue connecting. LEMON is investigating. For now, use Firefox or change your DNS server)

Or, hide this message: temporarily or permanently

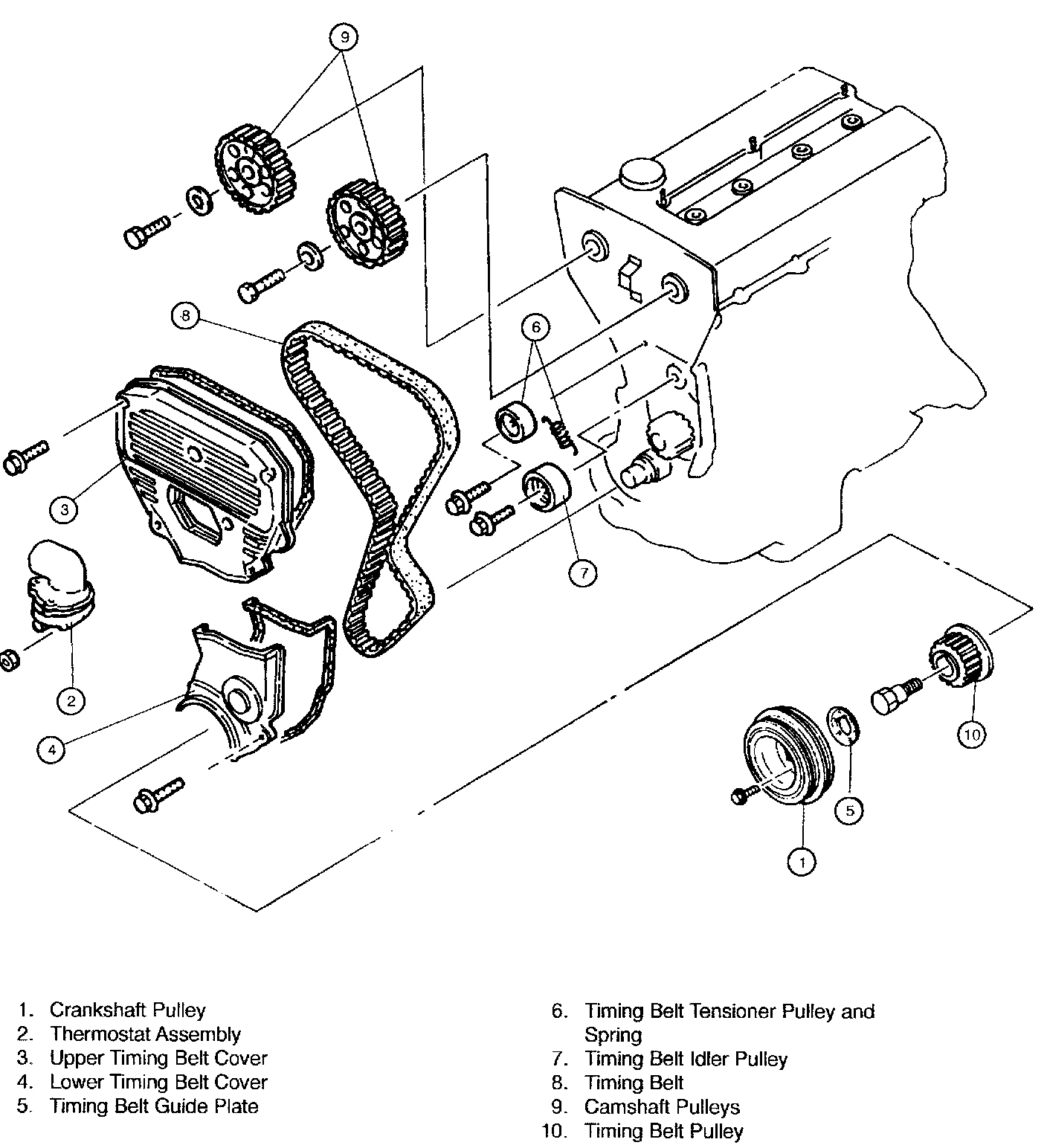
Timing Belt: Service and Repair






Removal
1. Disconnect the negative battery cable.
2. Remove the two fresh air duct mounting bolts on the radiator.
3. Loosen the fresh air duct clamp at the intake housing.
4. Remove the hose at the resonance chamber.





5. Remove the fresh air duct.





6. Remove the five cooling fan shroud bolts.





7. Remove the four thermo-modulated fan nuts.
8. Remove the thermo-modulated fan and cooling fan shroud at the same time.





9. Loosen the two generator mounting bolts (A and B).
10. Loosen the generator drive belt from the generator by loosening the adjusting bolt (C).
11. Remove the generator drive belt.
12. Remove the fan pulley.





13. Remove the four splash guard mounting bolts and splash guard.





14. Loosen the A/C idler pulley nut (A).
15. Remove the A/C drive belt by loosening the adjusting bolt.





16. Loosen the power steering pump lock bolt and mounting bolt.
17. Remove the power steering belt.
18. Remove five bolts and the upper timing belt cover.
19. Remove two bolts and the lower timing cover.





20. Loosen the tensioner lock bolt and pivot the tensioner pulley outward to remove the tension from the timing belt, then re-tighten the tensioner lock bolt.
Tightening Torque: 27 - 38 ft. lbs. (37 - 52 Nm)





21. Mark the timing belt rotation for proper reinstallation if it is reused.
22. Remove the timing belt.

Caution: Be careful not to allow oil or grease on the belt.

Installation





1. Align the timing belt pulley and the pump body alignment marks.





2. Align the mating marks on the camshaft pulleys with the alignment marks on the seal plate.

Notice:
^ For intake side camshaft pulley, align I mark.
^ For exhaust side camshaft pulley, align E mark.





3. Install the timing belt so that there is no looseness at the tension side, and at the two camshaft pulleys.

Caution:
^ If the timing belt is being reused, it must be reinstalled to rotate in the original direction.
^ Check that there is no oil, grease, or dirt on the timing belt.

4. Loosen the teinsioner lock bolt.
5. Turn the crankshaft two complete revolutions in the direction of rotation.
6. Check that the mating marks are correctly aligned. If not aligned correctly, remove the timing belt and tensioner, and return to step 1.





7. Turn the crankshaft to align the S mark of the exhaust camshaft pulley with the seal plate mating mark.
8. Tighten the timing belt tensioner lock bolt.
Tightening torque: 27 - 38 ft. lbs. (37 - 52 Nm, 3.8 - 5.3 kg-m)





9. Check the timing belt deflection. If the deflection is not correct, loosen the tensioner lock bolt and repeat steps 5-7 above. Replace the tensioner spring if necessary.
Belt deflection 0.30 - 0.33 inch (7.5 - 8.5 mm)/22 lbs. (98 N, 10 kg)
10. Install the lower timing belt cover and two bolts.
Tightening torque: 61 - 87 inch lbs. (7 - 10 Nm)
11. Install the upper timing belt cover and five bolts.
Tightening torque: 61 - 87 inch lbs. (7 - 10 Nm)
12. Install the power steering drive belt and set belt deflection.
Power Steering Belt deflection:
New: 0.31 - 0.39 inch (8 - 10 mm)
Used 0.35 - 0.43 inch (9 - 11 mm)





13. Tighten the lock bolt (A) and mounting bolt (B).
Tightening torque: 27 - 34 ft. lbs. (37 - 46 Nm)
14. Install the fan pulley.
15. Install the generator drive belt and adjust belt deflection by tightening adjusting bolt (C).
Generator Belt deflection:
New: 0.24 - 0.31 inch (6 - 8 mm)
Used: 0.27 - 0.35 inch (7 - 9 mm)





16. Tighten generator mounting bolts (A and B).
Tightening torque:
A: 16 ft. lbs. (22 Nm)
B: 32 ft. lbs. (45 Nm)
17. Install A/C drive belt and set belt deflection by tightening adjusting bolt (B).
A/C Belt deflection:
New: 0.27 - 0.35 inch (7 - 9 mm)
Used: 0.31 - 0.39 inch (8 - 10 mm)





18. Tighten the adjusting bolt (B) and idler pulley bolt (A).
Tightening torque: 23 - 25 ft. lbs. (31 - 34 Nm)
19. Install the splash guard and tighten the four mounting bolts.
20. Install the fan and fan shroud.





21. Install the four fan bolts and tighten.
Tightening Torque: 24 ft. lbs. (32.6 Nm)





22. Install the five fan shroud mounting bolts.
Tightening torque: 69 - 95 inch lbs. (7.8 - 11 Nm)
23. Install the fresh air duct.
24. Install the hose at the resonance chamber.
25. Install and tighten the clamp at the air intake housing.





26. Install the two fresh air duct mounting bolts and tighten.
Tightening torque: 69 - 95 inch lbs. (7.8 - 11 Nm)
27. Reconnect the negative battery cable.