Operation CHARM: Car repair manuals for everyone.
Manuals through 2025 now available!

Our trusted friends have launched a new website named LEMON, which has newer manuals. It also contains all the CHARM manuals.

LEMON is the spiritual successor to CHARM, I recommend you try it!

Link: lemon-manuals.la or lemon-manuals.org.ua

(Some people have issue connecting. LEMON is investigating. For now, use Firefox or change your DNS server)

Or, hide this message: temporarily or permanently

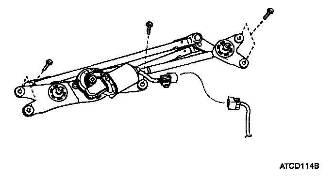
Wiper Motor: Service and Repair

FRONT WIPER MOTOR

REMOVAL




1. Remove the wiper arm
1. Remove the wiper arm cap.
2. Loosen the wiper arm nut (2).




2. Remove the cowl top cover.
1. Remove the fastener of cowl top cover.
2. Remove the cowl top cover.




3. Remove the wiper motor and link assembly.
1. Remove the bolt (5) of wiper link assembly.
2. Disconnect the wiper motor connector.

INSTALLATION

1. Install the wiper motor and link assembly.
1. Install the bolt of wiper link assembly.

Tightening torque :
7 - 11 N.m (0.7 - 1.1 kg.m, 5.1 - 8.0 Ib.ft)

2. Connect the wiper motor connector.

2. Install the cowl top cover.
1. Install the fastener of cowl top cover.

3. Install the wiper arm.
1. Align the wiper arm and blade at the original position.
2. Tighten the nut (2) of wiper arm.

Tighten torque :
28 - 33 N.m (2.8 - 3.3 kg.m, 20 - 24 Ib.ft)

3. Install the cap of wiper arm.