Operation CHARM: Car repair manuals for everyone.
Manuals through 2025 now available!

Our trusted friends have launched a new website named LEMON, which has newer manuals. It also contains all the CHARM manuals.

LEMON is the spiritual successor to CHARM, I recommend you try it!

Link: lemon-manuals.la or lemon-manuals.org.ua

(Some people have issue connecting. LEMON is investigating. For now, use Firefox or change your DNS server)

Or, hide this message: temporarily or permanently

Exhaust Emission Control System

EXHAUST EMISSION CONTROL SYSTEM

Schematic Diagram:






DESCRIPTION
Exhaust emissions (CO,HC,NOx) are controlled by a combination of engine modifications and the addition of special control components.

Modifications to the combustion chamber, intake manifold, camshaft and ignition system form the basic control system.

These items have been integrated into a highly effective system which controls exhaust emissions while maintaining good driveability and fuel economy.

AIR/FUEL MIXTURE CONTROL SYSTEM [MULTIPORT FUEL INJECTION (MFI) SYSTEM]
The MFI system is a system which uses the signals from the heated oxygen sensor to activate and control the injector installed in the manifold for each cylinder, thus precisely regulating the air/fuel mixture ratio and reducing emissions.

This in turn allows the engine to produce exhaust gases of the proper composition to permit the use of a three way catalyst. The three way catalyst is designed to convert the three pollutants (1. hydrocarbons (HC), (2) carbon monoxide (CO), and (3) oxides of nitrogen (NOx) into harmless substances. There are two operating modes in the MFI system.
1. Open Loop air/fuel ratio is controlled by information programmed into the ECU.
2. Closed Loop air/fuel ratio is adjusted by the ECU based on information supplied by the oxygen sensor.

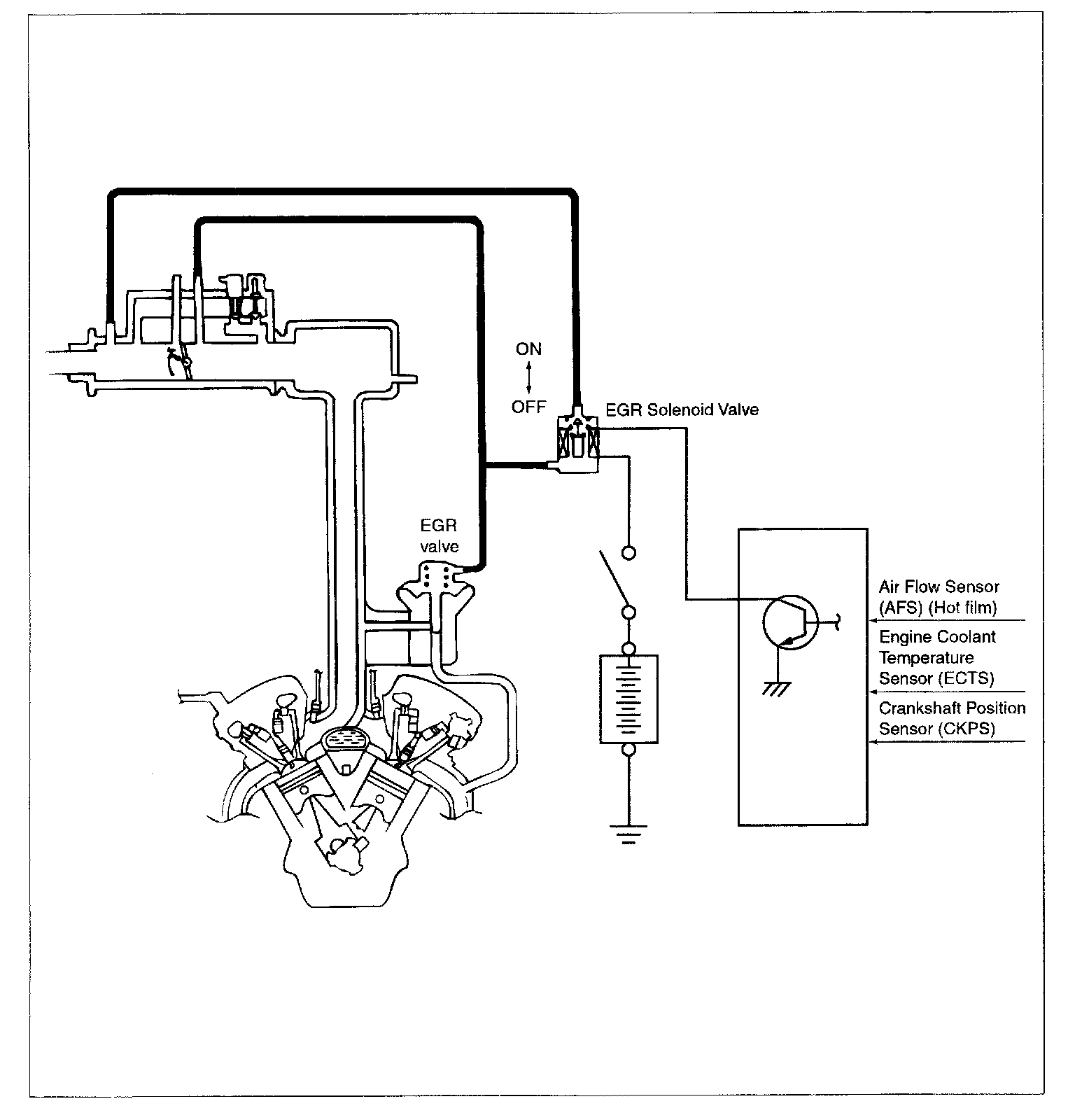
EXHAUST GAS RECIRCULATION (EGR) SYSTEM
The exhaust gas recirculation (EGR) system lowers the nitrogen oxide (NOx) emission level. When the air/fuel mixture combustion temperature is high, a large quantity of nitrogen oxides (NOx) is generated in the combustion chamber.

Therefore, this system recirculates part of emission gas from the exhaust port of the cylinder head to the combustion chamber through the intake manifold to decrease the air/fuel mixture combustion temperature, resulting in reduction of NOx.

The EGR flow rate is controlled by the EGR valve so as not to decrease the driveability.

When the engine coolant temperature is low, when the engine is at idle or when a wide open throttle operation is performed, the EGR valve is kept closed, achieving no EGR.

In normal vehicle operation performed after warming up of the engine, the EGR valve is opened to carry out EGR. In addition, the engine control module monitors the EGR system and illuminates the check engine/malfunction indicator lamp to let the driver know that there is a malfunction.