Operation CHARM: Car repair manuals for everyone.
Manuals through 2025 now available!

Our trusted friends have launched a new website named LEMON, which has newer manuals. It also contains all the CHARM manuals.

LEMON is the spiritual successor to CHARM, I recommend you try it!

Link: lemon-manuals.la or lemon-manuals.org.ua

(Some people have issue connecting. LEMON is investigating. For now, use Firefox or change your DNS server)

Or, hide this message: temporarily or permanently

Keyless Entry: Description and Operation




DESCRIPTION

BURGLAR ALARM SYSTEM
The burglar alarm system is armed automatically after the doors, hood, and trunk lid are closed and locked.

The system is set off when any of these things occur:
a. A door is forced open.
b. A door is unlocked without using the transmitter or key.
c. The trunk lid is opened without using the key.
d. The hood is opened.
e. The engine starter circuit and battery circuit are bypassed by breaking the ignition switch.

When the system is set off, the alarm (horn) sounds and the hazard lamp flash for about two minutes or until the system is disarmed by unlocking the transmitter or key.

For the system to arm, the ignition switch must be off and the key removed. Then, the body control module must receive signals that the doors, hood, and trunk lid are closed and locked. When everything is closed and locked, none of the control unit inputs are grounded.

With all entry points closed, the system will immediately arm if the transmitter or key is used to lock the doors.

If anything is opened or improperly unlocked after the system is armed, the body control module gets a ground signal from that switch, and the system is set off.

If one of the switches is misadjusted or there is a short in the system, the system will not arm. As long as the body control module continues to get a ground signal, it thinks the vehicle is not closed and locked and will not arm.

The receiver is integrated in the body control module.

KEYLESS ENTRY SYSTEM
The burglar alarm system is integrated with the keyless entry system. The keyless entry system allows you to lock and unlock the vehicle with the remote transmitter. When you push the LOCK button, all doors lock. When you push the UNLOCK button, driver door unlocks. If the unlock button is pressed a second time right away, the remain doors unlock.

The room lamp, if its switch is in the center position, will come on when you press the UNLOCK button. If you do not open a door, the light will go off in about 30 seconds, the doors will automatically relock, and the burglar alarm system will rearm. If you relock the doors with the remote transmitter within 30 seconds, the light will go off immediately.

You cannot lock or unlock the doors with the remote transmitter if the key is in the ignition switch.

The system will signal you when the doors lock and unlock by flashing the hazard lamp once when they lock, and twice when they unlock.

PANIC MODE
The panic mode causes the BCM to sound the alarm with the remote transmitter in order to attract attention. When the PANIC button is pressed and held for 2 seconds, the alarm will sound and exterior lights will flash for about 30 seconds.
The panic mode can be canceled at any time by pressing any button on the remote transmitter or by turning the ignition switch ON. The panic mode will not function if the key in.
The panic mode can be canceled by locking or unlocking the doors with the key.

FUNCTIONS

ANTI-THEFT FUNCTION
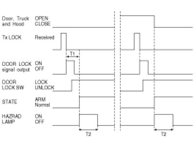
1. ARM Function
(1) When using LOCK on the RKE (Remote Keyless Entry) or DOOR KEY the doors will lock, the hazard lamp will blink once within 0.2 seconds and the Anti-Theft System will ARM, if the following conditions have been met.
a. The ignition key is removed from the ignition switch.
b. All entry points are closed (doors, trunk, and hood)
** Hazard lamp will not blink when driver door key lock switch transits to ARM mode by OFF->ON.
(2) If either the door or trunk or hood is open when activating LOCK using the RKE, the doors will lock, however the hazard lamp will not flash and the Anti-Theft System will not arm.
(3) In Step 2) if the opened entry points are subsequently closed… the door will lock, the hazard lamp will blink once and the Anti-Theft System will ARM.
(4) If the UNLOCK signal is sent by the RKE or DOOR KEY, and either the ignition key is not inserted or entry (door, trunk, hood) to the vehicle is not made within 30 seconds, the LOCK mode will be automatically reset, the hazard lamps will blink, and the Anti-Theft System will rearm. (Key IN = Key Insertion)




T1 : 0.2 sec,
T2 : 1.0 ±0.2 sec
2. ALARM Function
(1) Without RKE or DOOR KEY unlock signal while the Anti-Theft System is in the ARM mode, the hazard lamp and horn alarm will activate (ON/OFF 3 times each) for a period of 27 seconds.
(2) Output intervals for the horn alarm and hazard lamps are identical.
(3) The alarm sequence, when activated will continue for the duration of the alarm period even when the entry point is closed. (The alarm will reactivate if entry port is reopened after the initial alarm sequence completes.)




T1 : 27 ± 2 sec,
T2 : 10 ± 1 sec,
T3 : 0.45 ± 0.1 sec.
3. ALARM CLEARANCE
(1) UNLOCK signal is output for 0.5s, alarm and start inhibit signal output become OFF when RKE UNLOCK signal is received or DOOR KEY UNLOCK signal is received.
(2) LOCK signal is output for 0.5s, and alarm and start inhibit signal output become OFF when RKE LOCK signal is received or DOOR KEY LOCK signal is received.
(3) Alarm and start inhibit signal output become OFF and the state becomes DISARM if "KEY IN SW=ON & IGN1 SW=ON & IGN2 SW=ON" is continued for 30s.
In ARM mode, the state becomes DISARM in case of "KEY IN SW=ON & IGN1 SW=ON & IGN2 SW=ON".
(4) In ARM mode, the state becomes DISARM at FRONT DOOR KEY UNLOCK ON and the state becomes Alarm Hold state at TRUNK KEY UNLOCK ON.
(5) Under ALARM, FRONT DOOR or TRUNK KEY UNLOCK is turned ON, start inhibit signal output becomes OFF, then the state becomes DISARM.
(6) If trunk is opened and closed again after TRUNK UNLOCK signal is received with RKE or KEY, the mode enters into ARM mode 30s later after that.




4. Battery Separation
(1) When the battery is reconnected after having been disconnected/removed while in ARM mode. ARM mode continues.
(2) When the battery is reconnected after having been disconnected/removed, and after the alarm completes, the alarm will restart.
(3) When choosing TRUNK UNLOCK on the TRUNK KEY or RKE in ARM mode, hold mode under ARM.
(4) When choosing UNLOCK on the TRUNK KEY or RKE during an active alarm, the alarm will be cleared and the start inhibitor reset.
5. DOOR UNLOCK BY P/WINDOW AND TRUNK OPEN INHIBITION FUNCTIONS
(1) Unlock signal output with door unlock switch by P/window and trunk switch is prohibited in case of RKE LOCK under ignition key off.
(2) Unlock signal output with door unlock switch and trunk switch by P/window is inhibited in case of door lock with door key under ignition key off.
(3) Unlock inhibition function is cancelled in case of RKE UNLOCK while door unlock inhibition function activates.
(4) Unlock inhibition function by P/window is cancelled in case of door unlock with door key while door unlock inhibition function activates.
(5) Unlock inhibition function by P/window is cancelled at ignition key in & on.
(6) In ARM mode, unlock signal by by P/window input is not output.




T1 : 0.5 ± 0.1 sec.
6. TRUNK OPEN WITH RKE
(1) Trunk release relay is turned ON for 0.5s if trunk signal of RKE is received. (Hold mode under ARM)
(2) Trunk release relay is turned ON for 0.5s in case of Trunk release switch OFF->ON.
(3) In ARM mode, signal by Trunk release switch input is not output.




T1 : 0.5 ± 0.1 sec.
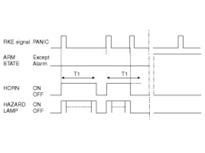
7. PANIC ALARM
(1) PANIC alarm is turned ON for T1 by using horn and hazard if RKE PANIC signal is received.
(2) PANIC alarm is turned OFF if (RKE LOCK/UNLOCK/PANIC/TRUNK UNLOCK /KEY IN /DOOR KEY LOCK/DOOR KEY UNLOCK / TRUNK KEY UNLOCK ) signals are received during PANIC alarm.
(3) PANIC signal output is immediately turned OFF and the state becomes ARM state if the condition for ARM is met during PANIC alarm.
(4) The information below refers to the anti-theft alarm.
a. Antitheft alarm does not stop even when PANIC signal of RKE is received during the alarm. (PANIC signal reception is ignored)
b. Antitheft alarm signal is output when the condition for antitheft is met during PANIC alarm. (PANIC signal output : OFF)
c. PANIC alarm is turned ON with continuing antitheft function when PANIC signal is received in ARM stand-by / ARM / Alarm end / RELOCK stand-by mode.




T1 : 30 ± 3 sec
8. HORN ANSWER BACK
(1) Under DOOR, TRUNK or HOOD: closed, horn and hazard(1s-output) signals are output if RKE LOCK signal is received again within T1 from the moment when the system transits to ARM mode by RKE LOCK operation and ARM mode is kept.
(2) Horn and hazard signals are not output if ARM mode is cancelled for T1.
(3) Horn and hazard signal are output even when other LOCK signals of RKE, registered during T1, are received.




T1 : within 4sec