Operation CHARM: Car repair manuals for everyone.
Manuals through 2025 now available!

Our trusted friends have launched a new website named LEMON, which has newer manuals. It also contains all the CHARM manuals.

LEMON is the spiritual successor to CHARM, I recommend you try it!

Link: lemon-manuals.la or lemon-manuals.org.ua

(Some people have issue connecting. LEMON is investigating. For now, use Firefox or change your DNS server)

Or, hide this message: temporarily or permanently

ESP(Electronic Stability Program) System




description of ESC

Optimum driving safety now has a name : ESC, the Electronic Stability Control.

ESC is based on the MGH 25 ABS Hydraulic System. ESC recognizes critical driving conditions, such as panic reactions in dangerous situations, and stabilizes the vehicle by wheel-individual braking and engine control intervention with no need for actuating the brake or the gas pedal.

ESC adds a further function known as Active Yaw Control (AYC) to the ABS, TCS, EBD and EDC functions. Whereas the ABS/TCS function controls wheel slip during braking and acceleration and, thus, mainly intervenes in the longitudinal dynamics of the vehicle, active yaw control stabilizes the vehicle about its vertical axis.

This is achieved by wheel individual brake intervention and adaptation of the momentary engine torque with no need for any action to be taken by the driver.

ESC essentially consists of three assemblies : the sensors, the electronic control unit and the actuators.

The electronic control unit incorporates the technological experience accumulated in connection with the MGH 25 system, but has been substantially expanded in terms of capacity and monitoring concept in order to permit the additional sensor signals and arithmetic operations to be processed and converted into corresponding valve, pump and engine control commands. Two 16-bit processors and one 8-bit processor, which monitor each other, cooperate to handle these requirements.

Of course, the stability control feature works under all driving and operating conditions. Under certain driving conditions, the ABS/TCS function can be activated simultaneously with the ESC function in response to a command by the driver.

In the event of a failure of the stability control function, the basic safety function, ABS, is still maintained.





DESCRIPTION OF ESC CONTROL
ESC system includes ABS/EBD, TCS and AYC function.

ABS/EBD function : The ECU changes the active sensor signal (current shift) coming from the four wheel sensors to the square wave.By using the input of above signals, the ECU calculates the vehicle speed and the acceleration & deceleration of the four wheels.And, the ECU judges whether the ABS/EBD should be actuated or not.

TCS function prevents the wheel slip of drive direction by adding the brake pressure and engine torque reduction via CAN communication.TCS function uses the wheel speed sensor signal to determine the wheel slip as far as ABS function.

AYC function prevents unstable maneuver of the vehicle. To determine the vehicle maneuver, AYC function uses the maneuver sensor signals(Yaw Rate Sensor, Lateral Acceleration Sensor, Steering Wheel Angle Sensor).If vehicle maneuver is unstable (Over Steer or Under Steer), AYC function applies the brake pressure on certain wheel, and send engine torque reduction signal by CAN.

After the key-on, the ECU continually diagnoses the system failure. (self-diagnosis)If the system failure is detected, the ECU informs driver of the system failure through the BRAKE/ABS/ESC warning lamp. (fail-safe warning)





INPUT AND OUTPUT DIAGRAM






ESC OPERATION MODE

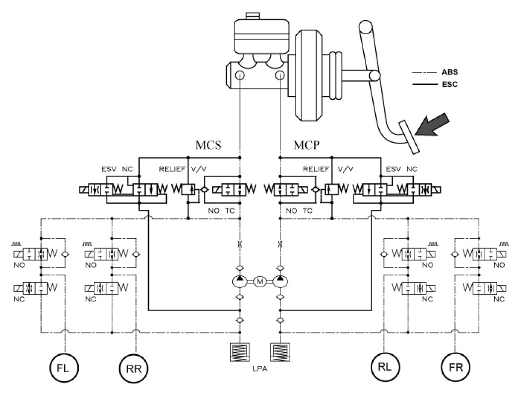
ESC HYDRAULIC SYSTEM DIAGRAM




1. ESC Non-operation : Normal braking.





2. ESC operation










ABS Warning Lamp module
The active ABS warning lamp module indicates the self-test and failure status of the ABS.The ABS warning lamp shall be on:
a. During the initialization phase after IGN ON. (continuously 3 seconds).
b. In the event of inhibition of ABS functions by failure.
c. During diagnostic mode.
d. When the ECU Connector is separated from ECU.

EBD/PARKING BRAKE WARNING LAMP MODULE
The active EBD warning lamp module indicates the self-test and failure status of the EBD. However, in case the Parking Brake Switch is turned on, the EBD warning lamp is always turned on regardless of EBD functions. The EBD warning lamp Shall be on:
a. During the initialization phase after IGN ON. (continuously 3 seconds).
b. When the Parking Brake Switch is ON or brake fluid level is low.
c. When the EBD function is out of order.
d. During diagnostic mode.
e. When the ECU Connector is separated from ECU.

ESC Warning Lamp (ESC system)
The ESC warning lamp indicates the self-test and failure status of the ESC.
The ESC warning lamp is turned on under the following conditions :
a. During the initialization phase after IGN ON. (continuously 3 seconds).
b. In the event of inhibition of ESC functions by failure.
c. When driver turn off the ESC function by on/off switch.
d. During diagnostic mode.

ESC Function Lamp (ESC system)
The ESC function lamp indicates the self-test and operating status of the ESC.
The ESC Function lamp operates under the following conditions :
a. During the initialization phase after IGN ON. (continuously 3 seconds).
b. When the ESC control is operating. (Blinking - 2Hz)

ESC On/Off Switch (ESC system)
The ESC On/Off Switch shall be used to toggle the ESC function between On/Off states based upon driver input.
The On/Off switch shall be a normally open, momentary contact switch.Closed contacts switch the circuit to ignition.
Initial status of the ESC function is on and switch toggle the state.