Camshaft, Engine
CamshaftCam height
LH Camshaft
Intake 44.5 mm (1.7520 inch)
Exhaust 44.5 mm (1.7520 inch)
RH Camshaft
Intake 44.5 mm (1.7520 inch)
Exhaust 44.5 mm (1.7520 inch)
Journal outer diameter
LH Camshaft
Intake 27.964 - 27.980 mm (1.1009 - 1.1016 inch)
Exhaust 27.964 - 27.980 mm (1.1009 - 1.1016 inch)
RH Camshaft
Intake 27.964 - 27.980 mm (1.1009 - 1.1016 inch)
Exhaust 27.964 - 27.980 mm (1.1009 - 1.1016 inch)
Bearing oil clearance
Intake 0.020 - 0.057 mm (0.0008 - 0.0022 inch)
Exhaust 0.020 - 0.057 mm (0.0008 - 0.0022 inch)
End play 0.1 - 0.2 mm (0.0039 - 0.0079 inch)
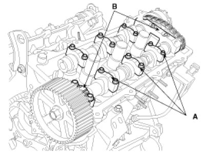
Camshaft Bearing Caps
Tightening torque:
A Caps 10.8-12.7 Nm (8.0-9.4 lb-ft)
B Caps 20.6-22.5 Nm (15.2-18.8 lb-ft)
NOTE: When installing the bearing caps, check the marks on them as shown below and install them in its proper position.
Bearing Cap Decoder
Each cap is stamped with an alpha-numeric value to denote its proper location. The value is stamped with three digits (letter, letter, number). The abbreviated values are:
First Digit (camshaft location)
L = Left Hand
R = Right Hand
Second Digit (intake or exhaust)
I = Intake
E = Exhaust
Third Digit (cap number)
1, 2, or 3
CAUTION: When installing the bearing caps, turn the crankshaft to place a piston in the middle of the block because interference between valves and pistons can occur.