Operation CHARM: Car repair manuals for everyone.
Manuals through 2025 now available!

Our trusted friends have launched a new website named LEMON, which has newer manuals. It also contains all the CHARM manuals.

LEMON is the spiritual successor to CHARM, I recommend you try it!

Link: lemon-manuals.la or lemon-manuals.org.ua

(Some people have issue connecting. LEMON is investigating. For now, use Firefox or change your DNS server)

Or, hide this message: temporarily or permanently

Removal and Replacement

ENGINE AND TRANSAXLE ASSEMBLY

REMOVAL
1. Remove the engine cover(A).





2. Recovering refrigerant.
3. Remove the air duct.
4. Disconnect the negative terminal first, then the positive terminal.

Remove the battery(A).





5. Remove the intake air hose and air cleaner assembly.
1) Disconnect the AFS(B) connector.
2) Disconnect the breather hose(D) and vacuum hose(E) from air cleaner hose(C).
3) Disconnect the PCM connector and cover(F).
4) Remove the intake air hose and air cleaner(A).





6. Remove the battery tray(A).





7. Remove under cover(A).





8. Drain the engine coolant. Remove the radiator cap to speed draining.
9. Remove the upper radiator hose and lower radiator hose(A).





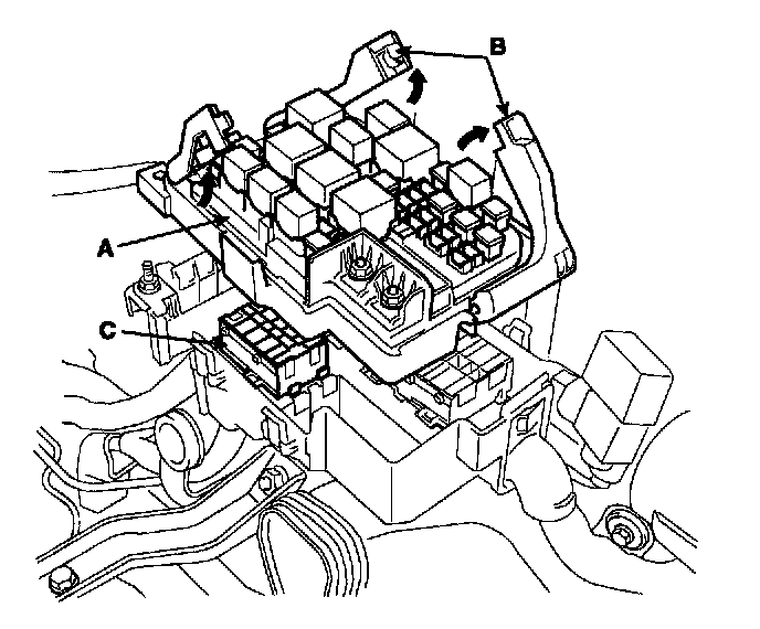
10. Disconnect the engine room junction box connectors.
1) Disconnect the terminals(A).





2) Turn over the levers(B) and remove the fuse and relay assembly(A) by disconnecting the connectors(C).





11. Remove delivery pipe(A), brake vacuum hose(B), and PCSV hose(C).





12. Remove the heater hoses(A).





13. Disconnect the transaxle wire harness connector and control cable.
1) Remove the ground cable from the transaxle.
2) Remove the clutch master cylinder.
3) Remove the shaft cable assembly.
14. Remove the steering u-joint mounting bolt.
15. Remove the power steering oil hose(A).





16. Remove the engine mounting bracket(A).





17. Remove the air conditioning compressor pipe.
18. Remove the transaxle mounting bracket.
19. Remove the front tires.
20. Remove the tie rod end nuts after removing the cotter pins.
21. Remove the stabilizer bar link nuts.
22. Remove the lower arm mounting bolts.
23. Remove the drive shaft cover and the heat protector.
24. Remove the exhaust pipe(A) and the hanger(B).





25. Remove power steering return hose(A) and drain power steering oil.





26. Install a jack and remove sub-frame(A) with the engine and transaxle assembly.





27. Remove drive shaft from transaxle.
28. Separate then engine from the transaxle assembly by loosening mooting bolts.

CAUTION
When remove the engine and transaxle assembly, be careful not to damage any surrounding parts or body components.


INSTALLATION
Installation is in the reverse order of removal.

Perform the following:
^ Adjust the shift cable.
^ Adjust the throttle cable.
^ Refill an engine with engine oil.
^ Refill a transaxle with fluid.
^ Refill a radiator with engine coolant.
^ Place the heater control knob on "HOT" position.
^ Bleed air from cooling system.
- Start engine and let it run until it warms up.(until the radiator fan operates 3 or 4 times.)
- Turn off the engine. Check the level in the radiator, add coolant if needed. This will allow trapped air to be removed from the cooling system.
- Put the radiator cap on tightly, then run the engine again and check for leaks.
^ Clean the battery posts and cable terminals with sandpaper, assemble them, then apply grease to prevent corrosion.
^ Inspect for fuel leakage.
- After assembling the fuel line, turn on the ignition switch (do not operate the starter) so that the fuel pump runs for approximately two seconds and fuel line pressurizes.
- Repeat this operation two or three times, then check for fuel leakage at any point in the fuel line.