Operation CHARM: Car repair manuals for everyone.
Manuals through 2025 now available!

Our trusted friends have launched a new website named LEMON, which has newer manuals. It also contains all the CHARM manuals.

LEMON is the spiritual successor to CHARM, I recommend you try it!

Link: lemon-manuals.la or lemon-manuals.org.ua

(Some people have issue connecting. LEMON is investigating. For now, use Firefox or change your DNS server)

Or, hide this message: temporarily or permanently

Removal

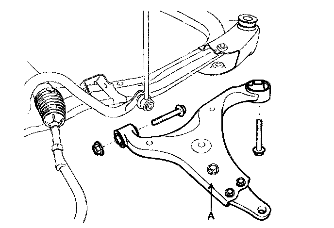
FRONT LOWER ARM

COMPONENT LOCATION

Component Location:





REMOVAL
1. Remove the front wheel & tire.

CAUTION: Be careful not to damage the hub bolts when removing the front wheel & tire.

2. Remove the split pin and the castle nut (A) from the lower arm ball joint.





3. Separate the lower arm from the lower arm (A) ball joint by using SST (09568-34000).





4. Loosen the bolts and nut and then remove the lower arm (A) from the sub-frame.