Operation CHARM: Car repair manuals for everyone.
Manuals through 2025 now available!

Our trusted friends have launched a new website named LEMON, which has newer manuals. It also contains all the CHARM manuals.

LEMON is the spiritual successor to CHARM, I recommend you try it!

Link: lemon-manuals.la or lemon-manuals.org.ua

(Some people have issue connecting. LEMON is investigating. For now, use Firefox or change your DNS server)

Or, hide this message: temporarily or permanently

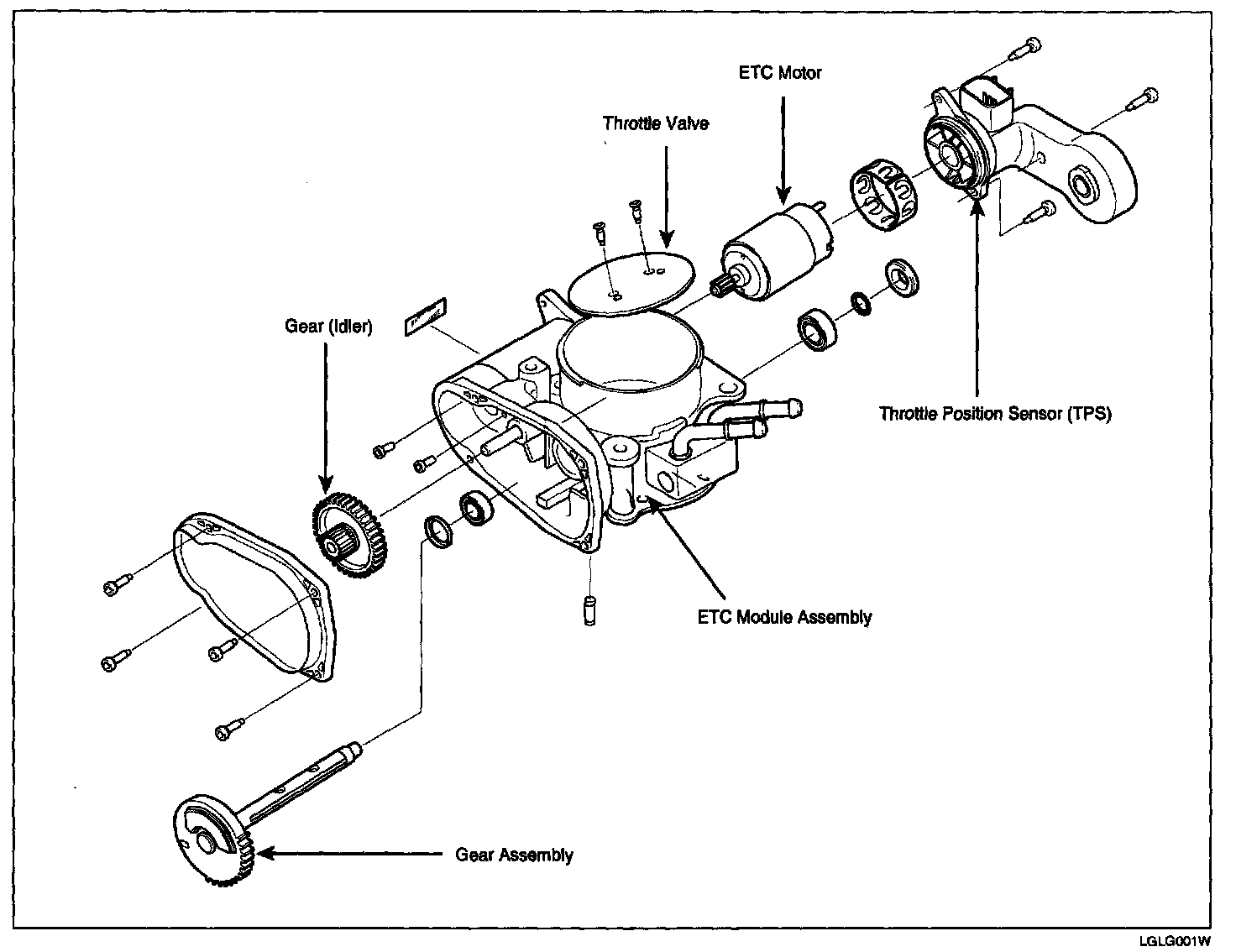
ETC (Electronic Throttle Control) System

ETC (ELECTRONIC THROTTLE CONTROL) SYSTEM

INSPECTION







FUNCTION AND OPERATION PRINCIPLE
ETC (Electronic Throttle Control) system is electronically controlled throttle device which controls the throttle valve. It consists of ETC motor, throttle body and throttle position sensor (TPS). A mechanical throttle control system receives a driver's intention via a wire cable between the accelerator and the throttle valve, while this ETC system does the signal from the Accelerator Position Sensor (APS) installed on the accelerator pedal. After the PCM receives the APS signal and calculates the throttle opening angle, it activates the throttle valve by using the ETC motor. Additionally, it can materialize cruise control function without any special devices.

Schematic Diagram:




SCHEMATIC DIAGRAM

SPECIFICATION

Specification:







THROTTLE POSITION SENSOR

ETC MOTOR
Item Sensor Resistance
Coil Resistance(ohm) 1.275 - 1.725 ohms at 20 °C(68 °F)


Circuit Diagram:




CIRCUIT DIAGRAM

Fail-Safe Mode:




FAIL-SAFE MODE

COMPONENT INSPECTION
THROTTLE POSITION SENSOR (TPS)
1. Connect a scan tool to the Diagnosis Link Connector (DLC).




2. Start engine and check output voltages of TPS 1 and 2 at C.T and W.O.T.
3. Turn ignition switch OFF and disconnect the scantool from the DLC.
4. Disconnect ETC module connector and measure resistance between ETC module terminals 4 and 1 (TPS 1)




5. Measure resistance between ETC module terminals 7 and 6 (TPS 2).
Specification: Refer to SPECIFICATION.

ETC MOTOR




1. Disconnect ETC module connector and measure resistance between ETC module terminals 5 and 8.

Specification: Refer to SPECIFICATION.

ETC SYSTEM INITIALIZATION
1. Erase DTC(s) memorized in PCM with a scan tool.
2. Turn ignition switch off and wait for about 10 seconds.
3. Turn ignition switch on for more then 1 second. (At this time, the PCM records initial position of ETC motor on its EEPROM).