Operation CHARM: Car repair manuals for everyone.
Manuals through 2025 now available!

Our trusted friends have launched a new website named LEMON, which has newer manuals. It also contains all the CHARM manuals.

LEMON is the spiritual successor to CHARM, I recommend you try it!

Link: lemon-manuals.la or lemon-manuals.org.ua

(Some people have issue connecting. LEMON is investigating. For now, use Firefox or change your DNS server)

Or, hide this message: temporarily or permanently

Body Control Systems

BCM (Body Control Module) System (1):




BCM (Body Control Module) System (2):




BCM (Body Control Module) System (3):




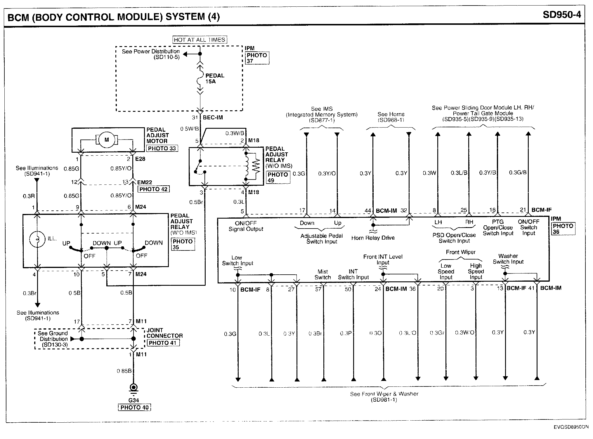
BCM (Body Control Module) System (4):




BCM (Body Control Module) System (5):




BCM (Body Control Module) System (6):




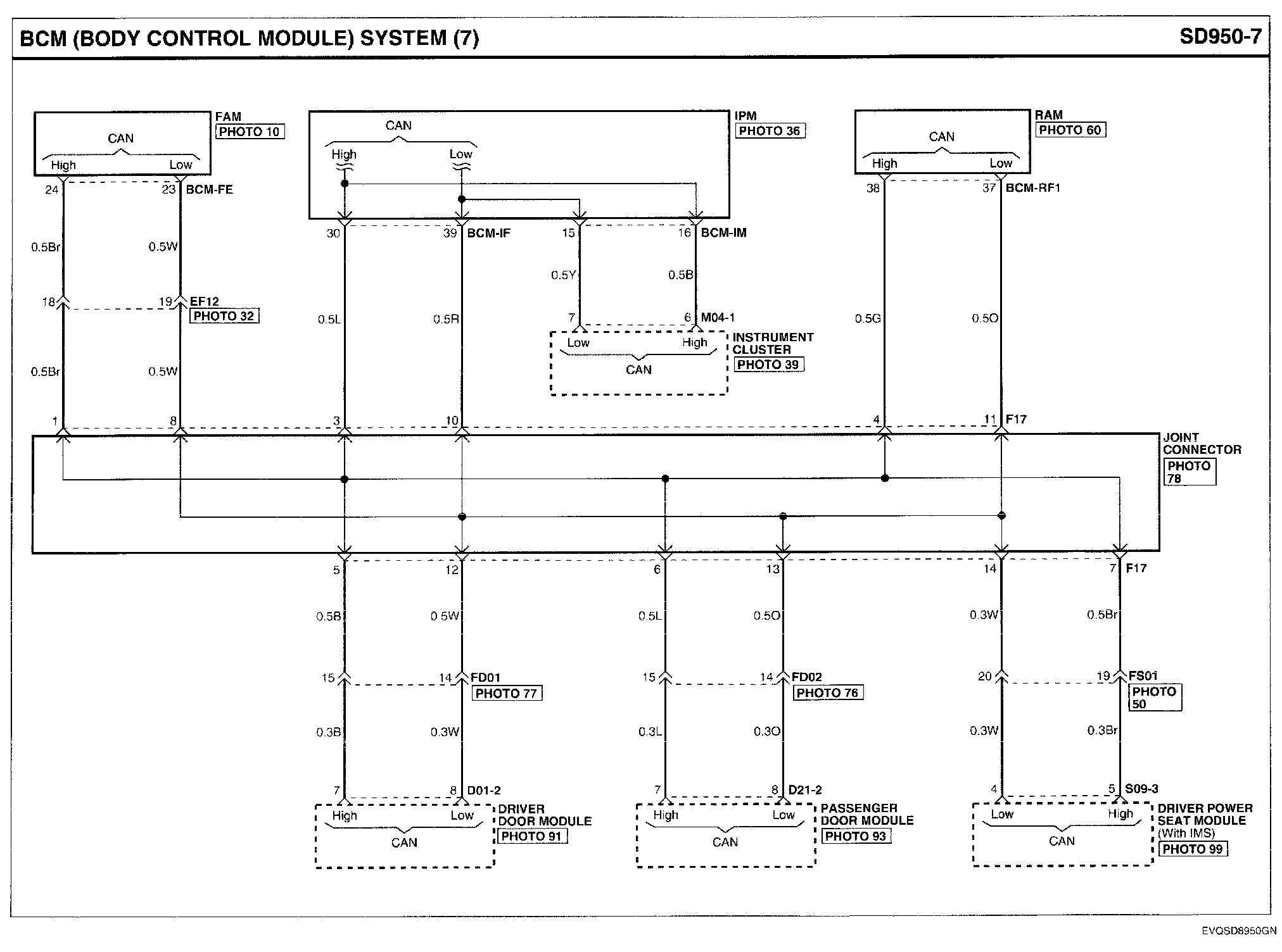
BCM (Body Control Module) System (7):




BCM (Body Control Module) System Connector Pin Outs:




BCM (Body Control Module) System Connector Pin Outs:




BCM (Body Control Module) System Connector Pin Outs:






Locations: Location photographs (references to PHOTOS) referred to within these diagrams can be found via the photo number at the vehicle level under Locations by Photo Number. Component Locations

Connector Views: The Connector Pin Out Views for connectors shown on these diagrams can be found on the Connector Pin Out images that follow most sets of system diagrams.