Keyless Entry
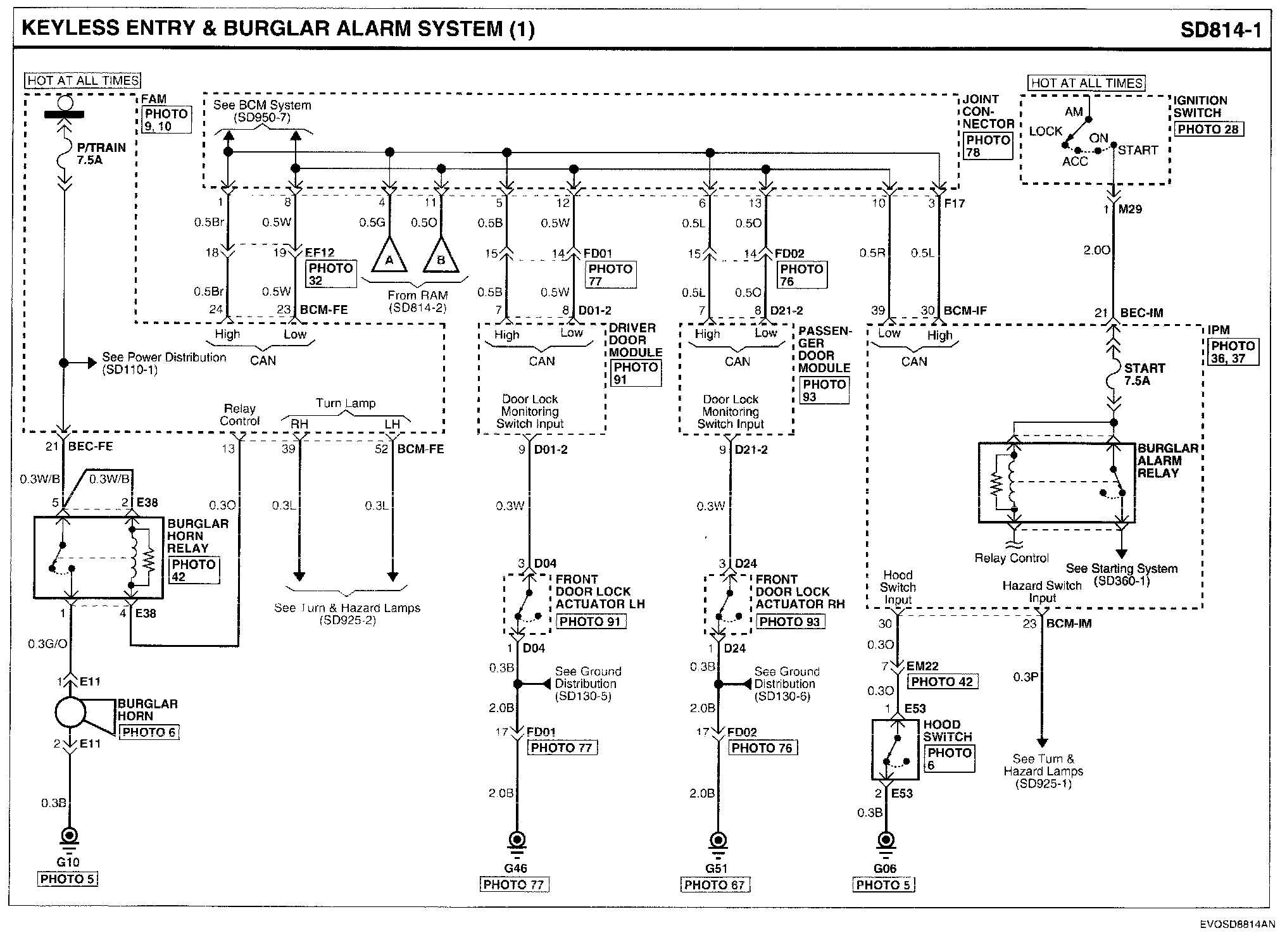
Keyless Entry & Burglar Alarm System (1):
Keyless Entry & Burglar Alarm System (2):
Keyless Entry & Burglar Alarm System Connector Pin Outs:
Locations: Location photographs (references to PHOTOS) referred to within these diagrams can be found via the photo number at the vehicle level under Locations by Photo Number. Component Locations
Connector Views: The Connector Pin Out Views for connectors shown on these diagrams can be found on the Connector Pin Out images that follow most sets of system diagrams.