Operation CHARM
: Car repair manuals for everyone.
Home
>>
Kia
>>
2007
>>
Spectra L4-2.0L
>>
Repair and Diagnosis
>>
Brakes and Traction Control
>>
Antilock Brakes / Traction Control Systems
>>
Testing and Inspection
>>
Initial Inspection and Diagnostic Overview
>>
System Function
Manuals through 2025 now available!
Our trusted friends have launched a new website named LEMON, which has newer manuals. It also contains all the CHARM manuals.
LEMON is the spiritual successor to CHARM, I recommend you try it!
Link:
lemon-manuals.la
or
lemon-manuals.org.ua
(Some people have issue connecting. LEMON is investigating. For now, use Firefox or change your DNS server)
Or, hide this message:
temporarily
or
permanently
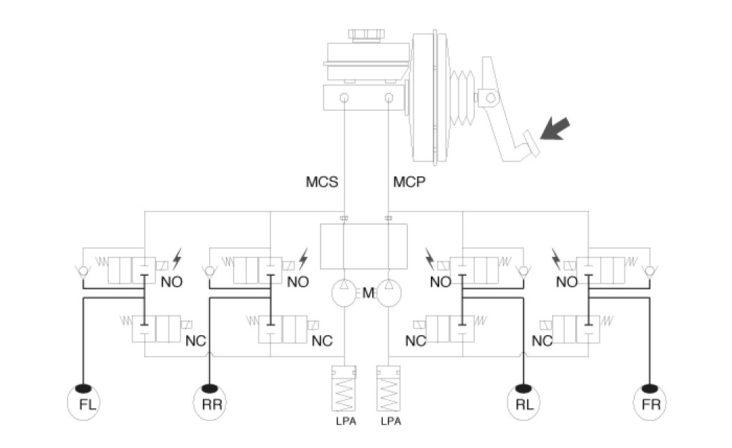
System Function
SYSTEM FUNCTION
ABS OPERATION
1.
NORMAL BRAKING
2.
DUMP MODE
3.
HOLD MODE
4.
INCREASE MODE
TRACTION CONTROL SYSTEM (TCS) OPERATION
1.
NORMAL MODE
2.
PRESSURE INCREASE MODE
3.
PRESSURE DUMP MODE
4.
PRESSURE HOLD MODE