Operation CHARM: Car repair manuals for everyone.
Manuals through 2025 now available!

Our trusted friends have launched a new website named LEMON, which has newer manuals. It also contains all the CHARM manuals.

LEMON is the spiritual successor to CHARM, I recommend you try it!

Link: lemon-manuals.la or lemon-manuals.org.ua

(Some people have issue connecting. LEMON is investigating. For now, use Firefox or change your DNS server)

Or, hide this message: temporarily or permanently

Automatic Transmission/Transaxle: Description and Operation





Description





Functions






Transaxle structure





Mechanical system

Function

Torque Converter










Oil pump










Brakes














Clutch









1. Underdrive Clutch









2. Reverse clutch and overdrive clutch






Structure of the reverse and the overdrive clutch





Parking system
The parking system for A4CF2 model is the cam type.
The roller type installed to the existing new generation AT needs the support to move the roller when operating the parking system and is so complicated. But the cam type for A4CF2 model doesn't need the support and the structure is simply. It only needs the guide to prevent from moving the cam idly.





POWER TRAIN






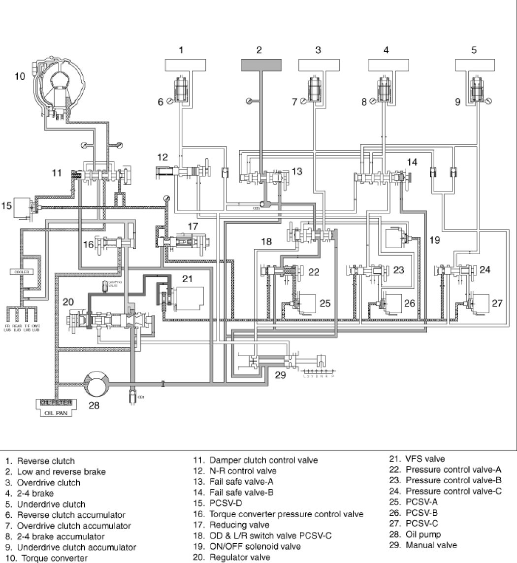
Hydraulic control system

Main features
The VFS (Variable Force Solenoid) installed in the valve body is applied to transaxle(A4CF2). VFS varies the line pressure from 4.5bar to 10.5bar according to throttle open angle and shift range to improve the fuel consumption and shift ability.
And the reducing valve which is installed in the valve body makes the solenoid control pressure using the reducing pressure instead of the line pressure like the HIVEC transaxle.
The material of spool valve in the valve body is changed from the steel to aluminum to reduce the oil leakage by the thermal expansion between the valve body and spool valve at the high temperature.
The switch valve, the solenoid valve and the fail safe valve are operated to drive the vehicle at the 3rd speed and reverse even thought the malfunction of the electronic control parts occur.






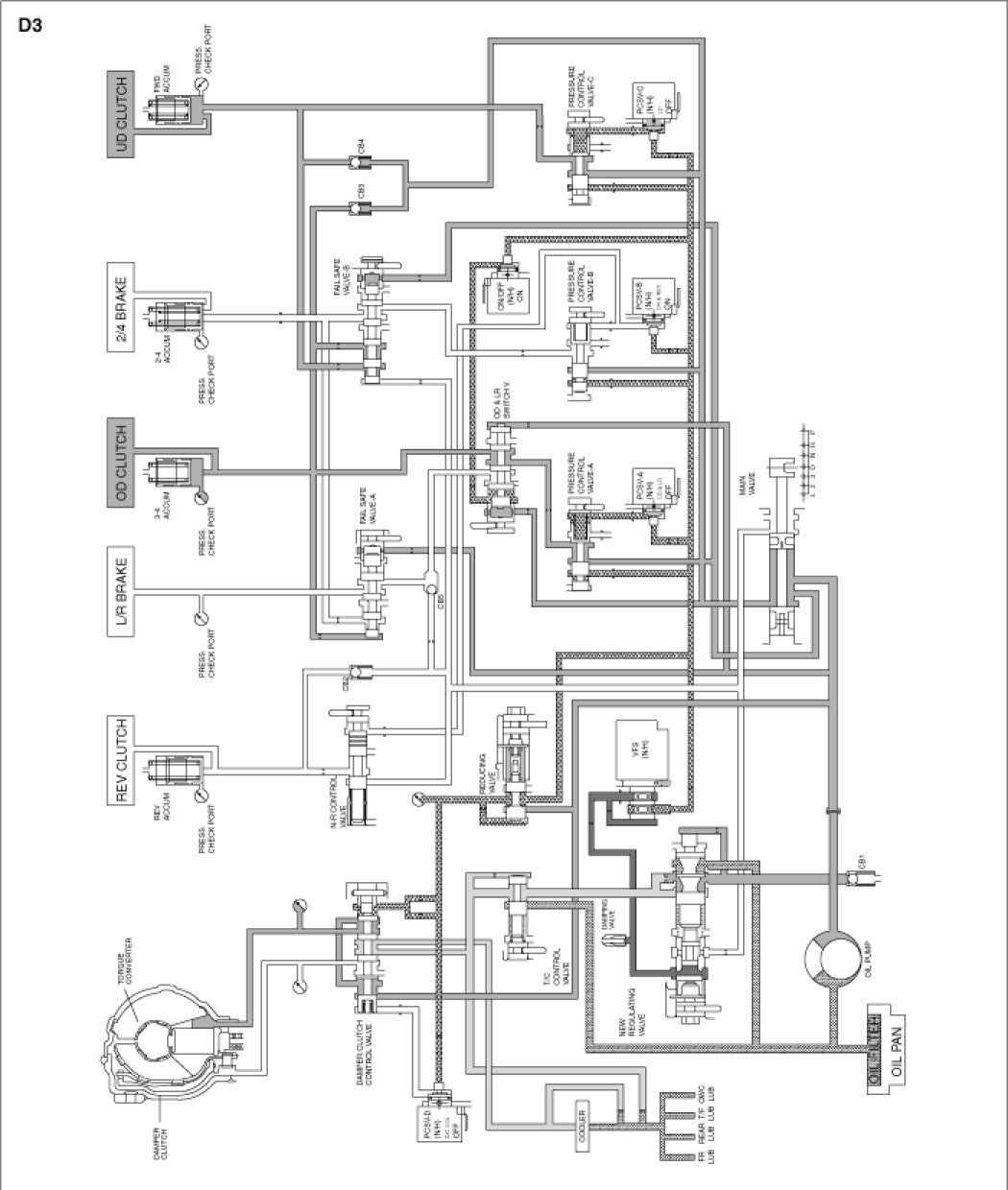
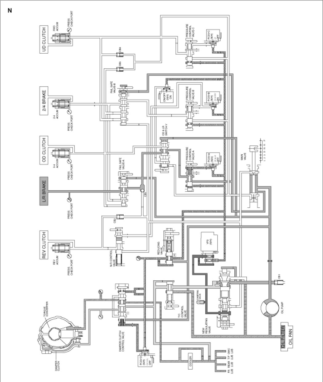
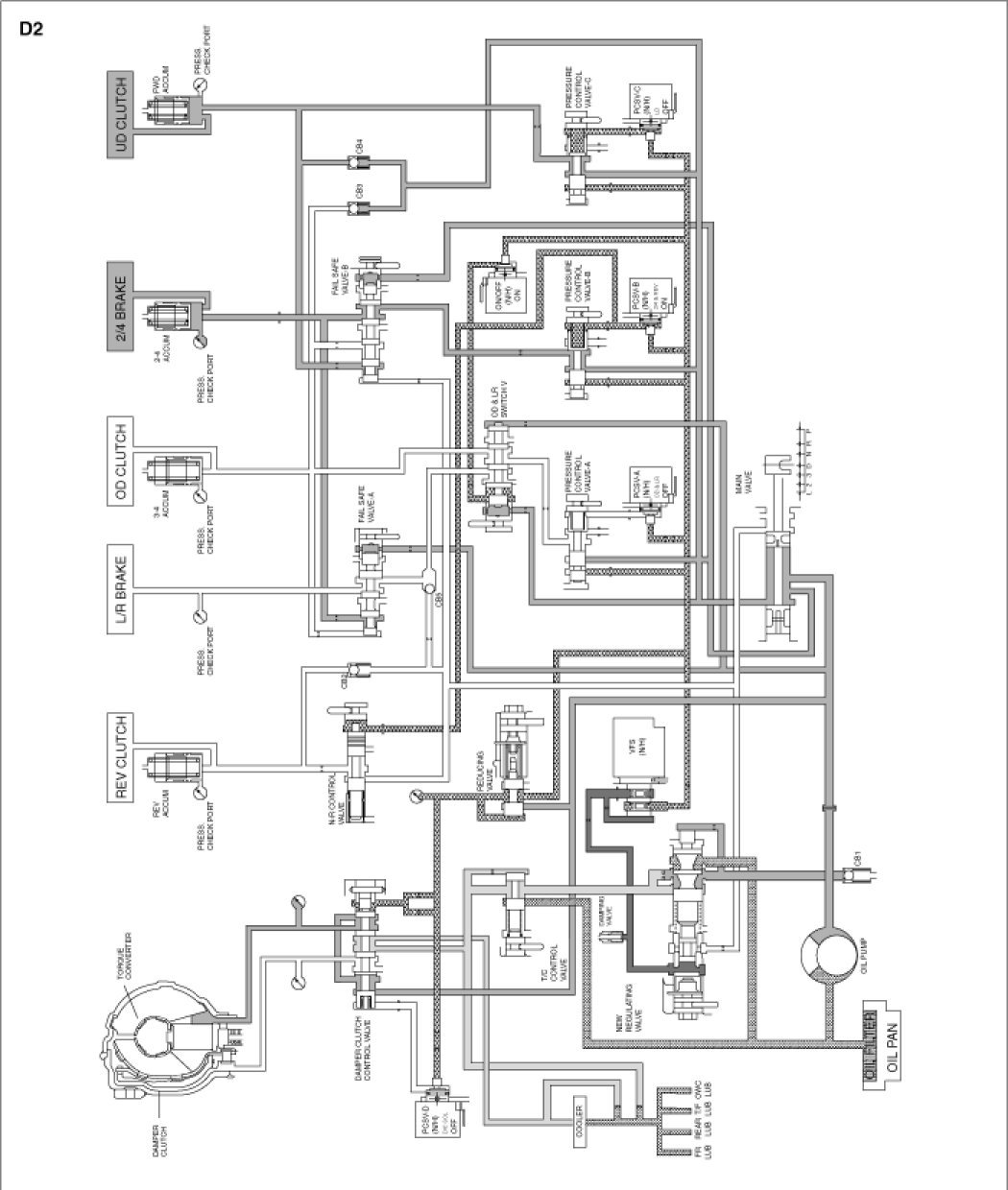
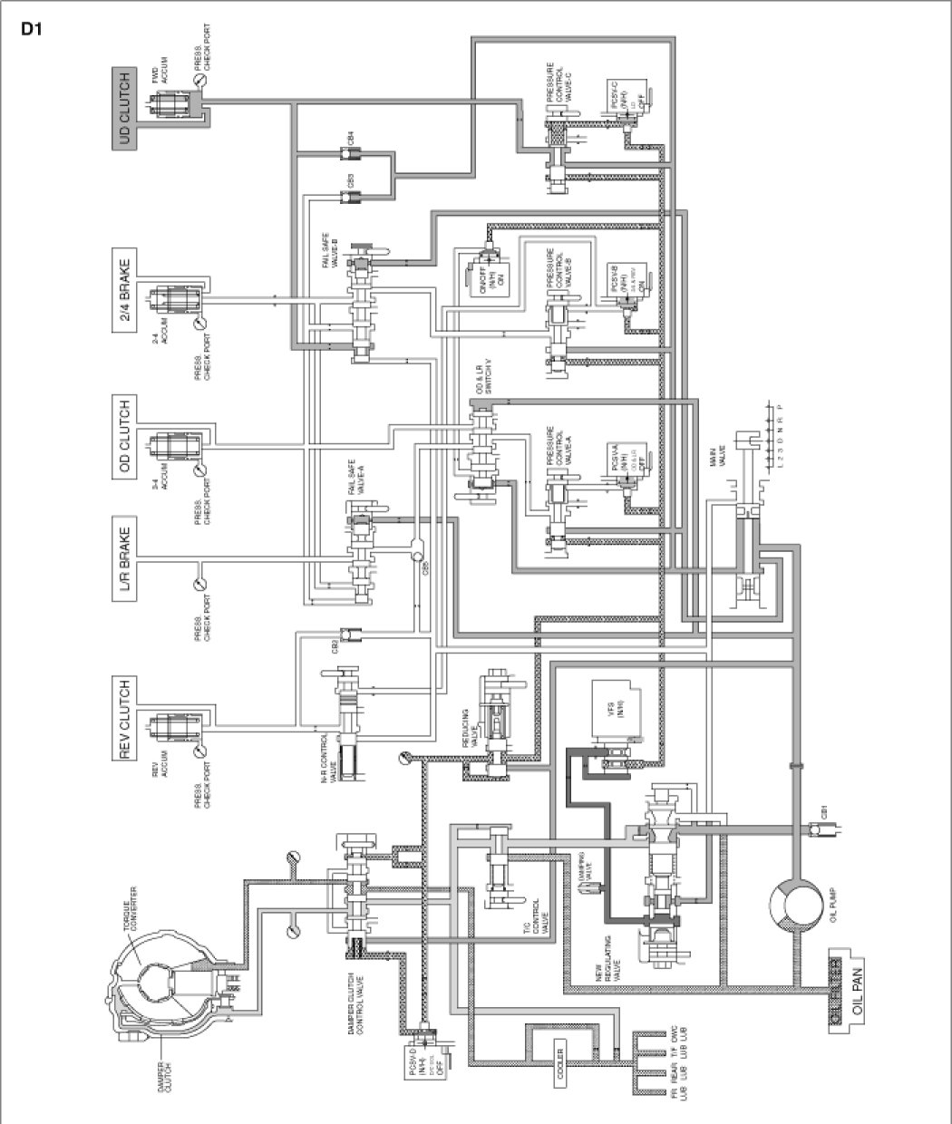
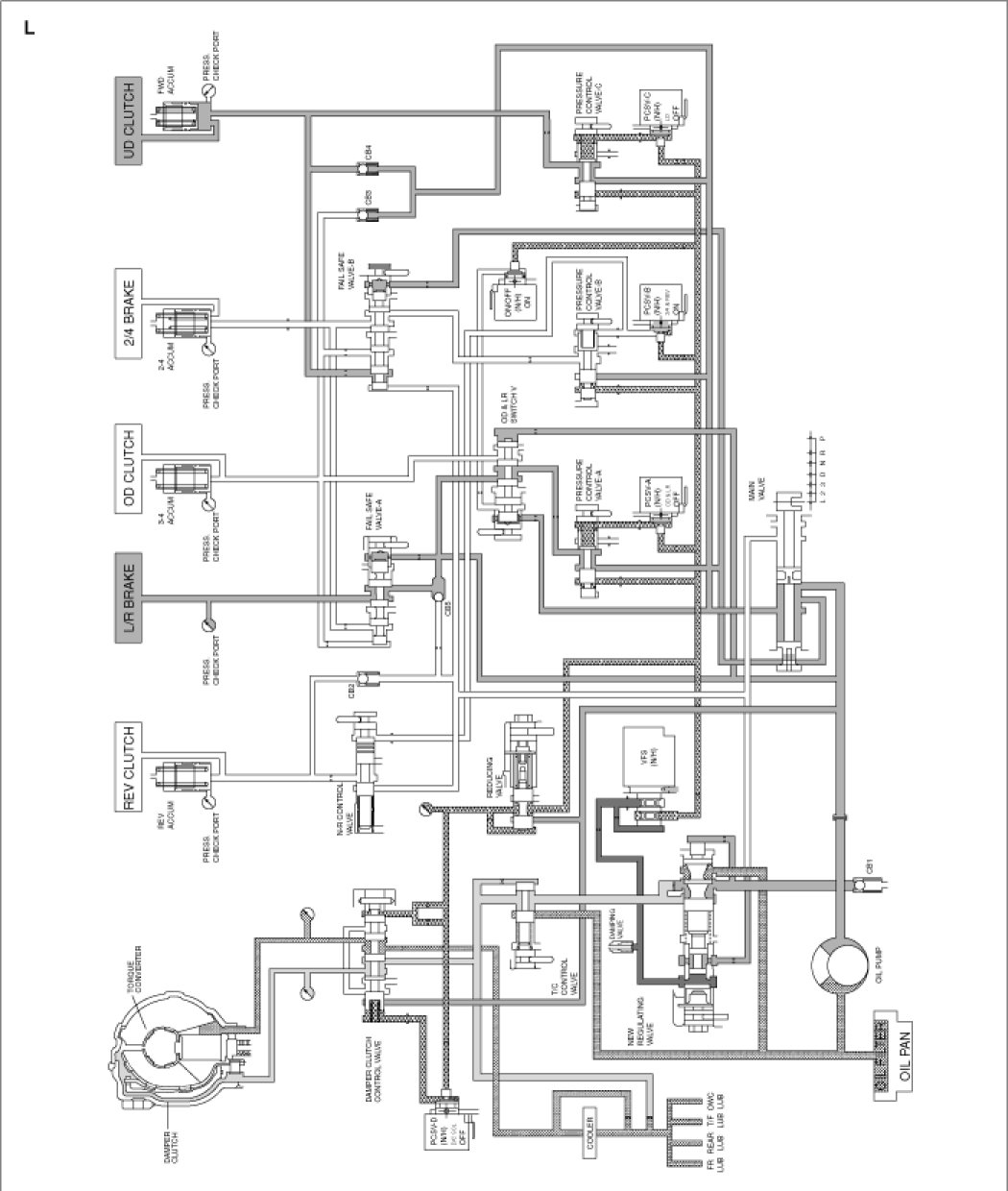
Structure of hydraulic circuit





Hydraulic Circuit

N range, P range





D range(1st)





D range(2nd)





D range(3rd)





D range(4th)





R range





L range





Electronic control system




SENSOR AND ACTUATOR FUNCTION






TCM
The TCM which is adapted to the new small sized automatic transaxle (A4CF2) is separated from the ECM and deliver information via CAN communication.





TLE6288 current control chip
The TLE6288 current control chip is installed into the TCM to regulate the solenoid control current and control the oil pressure securely according to the change of the temperature and voltage. In this case, the control signal of solenoid valve is divided into the Peak signal and the Hold signal.
1. Peak : The 12 voltage signal applied to move the solenoid plunger quickly.
2. Hold : The signal applied to keep holding the pulled solenoid valve.

FPC (Flexible Printed Circuit) HARNESS
The FPC (Flexible Printed Circuit) harness is composed of the thin and flat copper in the insulating film like electric wire.










CAN Communication

layout




ECM- TCM CAN Communication error management