Keyless Entry: Description and Operation
DESCRIPTION
BURGLAR ALARM SYSTEM
The burglar alarm system is armed automatically after the doors, hood, and trunk lid (tailgate) are closed and locked by transmitter or the key.
The system is set off when any of these things occur :
- A door is forced open.
- A door is unlocked without using the transmitter.
- The trunk lid (tailgate) is opened without using the key.
- The hood is opened.
- The engine starter circuit and battery circuit are bypassed by breaking the ignition switch.
When the system is set off, the alarm (horn) sounds and the hazard lamp flash for about two minutes or until the system is disarmed by unlocking the transmitter or the key.
For the system to arm, the ignition switch must be off and the key removed. Then, the body control module must receive signals that the doors, hood, and trunk lid (tailgate) are closed and locked. When everything is closed and locked, none of the control unit inputs are grounded.
The door switches, hood switch and trunk lid (tailgate) switch are all close and lock the doors with the remote transmitter or the key and then the system arms immediately.
If anything is opened or improperly unlocked after the system is armed, the body control module gets a ground signal from that switch, and the system is set off.
If one of the switches is misadjusted or there is a short in the system, the system will not arm. As long as the body control module continues to get a ground signal, it thinks the vehicle is not closed and locked and will not arm.The receiver is integrated in the body control module.
KEYLESS ENTRY SYSTEM
The burglar alarm system is integrated with the keyless entry system. The keyless entry system allows you to lock and unlock the vehicle with the remote transmitter. When you push the LOCK button, all doors lock. When you push the UNLOCK button, all doors unlock.
The room lamp, if its switch is in the center position, will come on when you press the UNLOCK button on the transmitter. If you do not open a door, the light will go off in about 30 seconds, the doors will automatically relock, and the burglar alarm system will rearm. If you relock the doors with the remote transmitter within 30 seconds, the light will go off immediately. If you open a door, the lamp will go on and go off in about 30 seconds.
You cannot lock or unlock the doors with the remote transmitter if the key is in the ignition switch.
The system will signal you when the doors lock and unlock by flashing the hazard lamp once when they lock, and twice when they unlock.
FUNCTIONS
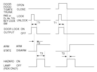
1. ARM Function
(1) When doors will be lock by LOCK on the RKE (Remote Keyless Entry), the hazard lamp will blink once within 1 second and the Anti-Theft System will ARM, if the following conditions have been met.
A. The ignition key is removed from the ignition switch.
B. All entry points are closed (doors, trunk, tail gate and hood)
(2) If either the door or trunk or hood is open when activating LOCK using the RKE or using driver, assistant, tail gate key LOCK switch, the doors will lock, however the hazard lamp will not flash and the Anti-Theft System will not arm.
(3) In Step 2) if the opened entry points are subsequently closed. the door will lock, the hazard lamp will blink once(RKE only) and the Anti-Theft System will ARM.
(4) The ARM mode of the Anti-Theft System can only be set using the LOCK feature of the RKE or using driver, assistant, tail gate key LOCK switch.
T1 : 0.5 ± 0.1 sec,
T2 : within 2.0 sec,
T3 : 1.0 ± 0.2 sec.
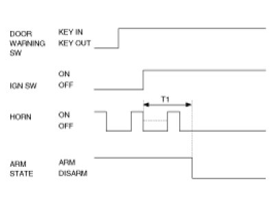
2. DISARM Function
(1) When the UNLOCK button is pressed on the transmitter, the hazard lamps will blink 2 times (indicating a DISARM event) and the door will unlock.
(Whether entry points are open or Closed is irrelevant)
(2) Once the ignition key is IN (inserted into the ignition switch) and the ignition is turned to the ON position the Anti-Theft system will immediately DISARM.
(3) If the UNLOCK signal is sent by the RKE or using driver, assistant, tail gate key UNLOCK switch, and either the ignition key is not inserted or entry (door, trunk, tail gate, hood) to the vehicle is not made within 30 seconds, the LOCK mode will be automatically reset, the hazard lamps will blink(RKE only), and the Anti-Theft System will rearm. (Key IN = Key Insertion)
(Provided that there is no automatic lock function at a period of 30 seconds, when the UNLOCK is done by the RKE with an entry being open).
(4) In steps 3), when UNLOCK is activated within the initial 30 seconds, another period of 30 seconds occurs.
(5) The DISARM mode of the Anti-Theft System can only be set using the UNLOCK feature of the RKE or using driver, assistant, tail gate key UNLOCK switch. The door key will not disarm the Anti-theft System.
T1, T2 : 0.5 ± 0.1 sec.
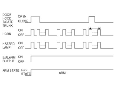
3. ALARM Function
(1) When a point of entry is opened while the Anti-Theft System is in the ARM mode, the hazard lamp and horn alarm will activate (ON/OFF 3 times each) for a period of 27 seconds.
(2) Output intervals for the horn alarm and hazard lamps are identical.
(3) The alarm sequence, when activated will continue for the duration of the alarm period even when the entry point is closed. (The alarm will reactivate if entry port is reopened after the initial alarm sequence completes.)
T1: 27 ± 2 sec,
T2: 10 ± 1 sec,
T3: 0.4 - 0.5 sec.
4. New alarm event trigger during existing alarm sequence
(1) When a new alarm event trigger is received during an existing alarm sequence, the existing alarm sequence will remain active. Horn and hazard lamp output will only continue for the duration of the existing alarm sequence (event timer will not re-set).
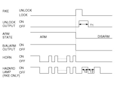
5. Transmitter or Dr/As door, tail gate key lock switch controlled unlock during the alarm sequence
(1) ARM state is released (DISARM state) and the horn, the hazard output and the B/Alarm output shall be OFF, and the unlock output shall be ON for T1, and hazard lamp output shall be ON twice with cycle of T2(RKE only).
T1, T2, T3 : 0.5 ± 0.1 sec.
6. Transmitter or Dr/As door, tail gate key unlock switch controlled lock during the alarm sequence
(1) During alarm sequence, if the opened door is open and the Lock signal is received from RKE or Dr/As door, tail gate key lock switch : The horn alarm output, the hazard lamp output and the B/Alarm output shall be OFF and, the Lock output shall be ON for T1 and then, if the opened door is closed actuator lock shall be checked, the hazard lamp output shall be ON once(RKE only) and, it shall be in the ARM state.
T1 : 0.5 ± 0.1 sec,
T2 : 1.0 ± 0.2 sec.
7. Alarm clearance
If the ignition key is turned to ON for 30 seconds during alarm activation the alarm will be cleared and the start inhibitor reset.
T1 : 30 ± 3 sec.
8. REALARM Function
(1) Output again horn alarm 3 times when outlet OPEN again, again B/ALARM horn hold "ON", without safety knob lock at outlet close condition after completing 3 times alarm(120sec.)
9. Battery Separation
(1) The alarm and starter inhibit functions will remain active if the battery is disconnected, then re-connected during an alarm event sequence.
(2) The system will remain in an ARM state if the battery is disconnected and re-connected when the system is armed.