Operation CHARM: Car repair manuals for everyone.
Manuals through 2025 now available!

Our trusted friends have launched a new website named LEMON, which has newer manuals. It also contains all the CHARM manuals.

LEMON is the spiritual successor to CHARM, I recommend you try it!

Link: lemon-manuals.la or lemon-manuals.org.ua

(Some people have issue connecting. LEMON is investigating. For now, use Firefox or change your DNS server)

Or, hide this message: temporarily or permanently

Repair Procedures










REMOVAL

1. Remove the engine cover(A).




2. Remove the accelerator cable(A).
3. Disconnect the TPS (Throttle Position Sensor) connector (B).
4. Disconnect the ISA(Idle Speed Actuator) connector(B).
5. Disconnect the PCV(Positive Crankcase Ventilation) hose(D) and breather hose(E).




6. Disconnect the injector connector (No. 3, 4) (A).
7. Disconnect the injector connector (No. 1, 2) (B).




8. Remove the heater hose(A), PCSV(Purge Control Solenoid Valve)(B) and the brake vacuum hose(C) from throttle body and intake manifold.
9. Disconnect the PCSV(Purge Control Solenoid Valve) (D) and water temperature sensor connector(E).




10. Remove the delivery pipe(A).

Tightening torque :
18.6 - 27.5N.m (1.9 - 2.8kgf.m, 13.7 - 20.3lb-ft)





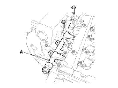
11. Remove the intake manifold stay(A).

Tightening torque :
17.7 - 24.5N.m (1.8 - 2.5kgf.m, 13.0 - 18.1lb-ft)





12. Remove the intake manifold.

Tightening torque :
14.7 - 19.6N.m (1.5 - 2.0kgf.m, 10.8 - 14.5lb-ft)





13. Installation is in the reverse order of removal with new gasket.