Operation CHARM: Car repair manuals for everyone.
Manuals through 2025 now available!

Our trusted friends have launched a new website named LEMON, which has newer manuals. It also contains all the CHARM manuals.

LEMON is the spiritual successor to CHARM, I recommend you try it!

Link: lemon-manuals.la or lemon-manuals.org.ua

(Some people have issue connecting. LEMON is investigating. For now, use Firefox or change your DNS server)

Or, hide this message: temporarily or permanently

Alarm Module: Service and Repair





REMOVAL

1. Disconnect the negative (-) battery terminal.
2. Remove the crash pad lower panel(A) after removing side cover. .




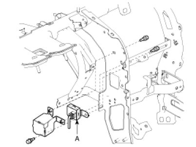
3. Disconnect the 5P connector of the SMARTRA unit and then remove the SMARTRA unit (A) mounted on the left side cowl cross bar. after loosening a shear bolt.





NOTE:
Punch the shear bolt using a centering punch.
And drill its head off with a drill bit.
Be careful not to damage the SMARTRA unit.

INSTALLATION

1. Reassemble the SMARTRA unit after connecting the connector.

NOTE:
Tighten the shear bolt until the bolt head break off.

2. Reassemble the driver crash pad lower panel.