Operation CHARM: Car repair manuals for everyone.
Manuals through 2025 now available!

Our trusted friends have launched a new website named LEMON, which has newer manuals. It also contains all the CHARM manuals.

LEMON is the spiritual successor to CHARM, I recommend you try it!

Link: lemon-manuals.la or lemon-manuals.org.ua

(Some people have issue connecting. LEMON is investigating. For now, use Firefox or change your DNS server)

Or, hide this message: temporarily or permanently

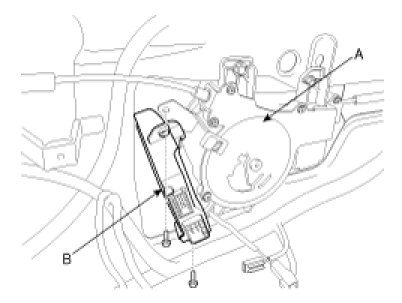
Power Sliding Door Control Module










REPLACEMENT

1. Disconnect the negative (-) battery terminal.
2. Remove the rear trim panel
3. Remove the connectors and mounting bolts (2EA) from the power sliding door unit(A). And then remove the power sliding door control module (B).

TORQUE : 0.025 - 0.035 N.m (0.0025 - 0.0035 kg.m)





4. Installation is the reverse of removal.

WARNING:
- A learn cycle must be performed whenever the power is removed.
- Check the normal operation whenever a power sliding door component is removed or replaced. If the chime sound is heard, check the DTC, wiring harness and cable connections.