Operation CHARM: Car repair manuals for everyone.
Manuals through 2025 now available!

Our trusted friends have launched a new website named LEMON, which has newer manuals. It also contains all the CHARM manuals.

LEMON is the spiritual successor to CHARM, I recommend you try it!

Link: lemon-manuals.la or lemon-manuals.org.ua

(Some people have issue connecting. LEMON is investigating. For now, use Firefox or change your DNS server)

Or, hide this message: temporarily or permanently

Keyless Entry: Description and Operation





Description

Burglar Alarm System
The burglar alarm system is armed automatically after the doors, hood, and trunk lid are closed and locked.

The system is set off when any of these things occur:
- A door is forced open.
- A door is unlocked without using the transmitter.
- The trunk lid is opened without using the key.
- The hood is opened.
- The engine starter circuit and battery circuit are bypassed by breaking the ignition switch.

When the system is set off, the alarm (horn) sounds and the hazard lamp flash for about two minutes or until the system is disarmed by unlocking the transmitter.

For the system to arm, the ignition switch must be off and the key removed. Then, the body control module must receive signals that the doors, hood, and trunk lid are closed and locked. When everything is closed and locked, none of the control unit inputs are grounded.

The door switches, hood switch and trunk lid switch are all close and lock the doors with the remote transmitter and then the system arms immediately.

If anything is opened or improperly unlocked after the system is armed, the body control module gets a ground signal from that switch, and the system is set off.

If one of the switches is misadjusted or there is a short in the system, the system will not arm. As long as the body control module continues to get a ground signal, it thinks the vehicle is not closed and locked and will not arm.

The receiver is integrated in the body control module.

Keyless Entry System
The burglar alarm system is integrated with the keyless entry system. The keyless entry system allows you to lock and unlock the vehicle with the remote transmitter. When you push the LOCK button, all doors lock. When you push the UNLOCK button all doors unlock.

The room lamp, if its switch is in the center position, will come on when you press the UNLOCK button. If you do not open a door, the light will go off in about 30 seconds, the doors will automatically relock, and the burglar alarm system will rearm. If you relock the doors with the remote transmitter within 30 seconds, the light will go off immediately.

You cannot lock or unlock the doors with the remote transmitter if the key is in the ignition switch.

The system will signal you when the doors lock and unlock by flashing the hazard lamp once when they lock, and twice when they unlock.

Functions

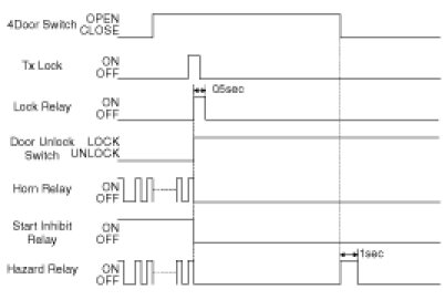
1. Disarm
Condition 1









T1 : 0.5s
T2 : 0.5s ± 0.1s




Condition 2





Condition 3





Condition 4





Condition 5





Condition 6





Condition 7





Condition 8





Condition 9





2. Arm
Condition 1





Condition 2





Condition 3





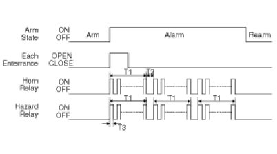
3. Alarm
Condition 1









T1 : 27s(±2sec),
T2 : 10s(±2sec),
T3 : 0.5s ± 0.1sec
Condition 2





Condition 3









4. Arm Wait Mode
Condition 1





Condition 2





Condition 3





Condition 4





Condition 5





Condition 6









5. Rearm Mode
Condition 1





6. Autolocktimer1 Mode
Condition 1





Condition 2





Condition 3





Condition 4





Condition 5





Condition 6





7. Autolocktimer2 Mode
Condition 1





Condition 2





Condition 3





Condition 4





Condition 5





8. Prearm Mode
Condition 1





Condition 2





Condition 3





Condition 4





Condition 5





Condition 6





9. Armhold Mode
Condition 1









10. Trunk Open With Tx
(1) TRUNK RELEASE RELAY is turned ON for 0.5s if TRUNK signal of TX is received.
(2) TRUNK RELEASE RELAY is turned ON for 0.5s in case of TRUNK RELEASE Switch OFF->ON.
(3) ARM mode, signal by TRUNK RELEASE Switch input is not output.




T1 : 0.5s ± 0.1s
11. Panic Antitheft
PANIC alarm is turned ON in (Key In switch=OFF), (IGN1=OFF), (IGN2=OFF)
When following condition is formed during a PANIC warning, a PANIC warning is turned off.
(1) TLOCK or TUNLOCK or TPANIC or TTRUNK
(2) Key In=ON or IGN1=ON or IGN2=ON or ACC=ON
(3) Driver Key Lock=ON or Driver Key Unlock=ON or Assist Key Unlock=ON or Trunk Key Unlock=ON

PANIC signal output is immediately turned OFF and the state becomes ARM state if the condition for ARM is met during PANIC alarm.
The below is about antitheft alarm.
(1) Antitheft alarm does not stop even when PANIC signal of TX is received during the alarm. (PANIC signal reception is ignored)
(2) Antitheft alarm signal is output when the condition for antitheft is met during PANIC alarm. (PANIC signal output: OFF)
(3) PANIC alarm is turned ON with continuing antitheft function when PANIC signal is received in ARM stand-by / ARM / Alarm end / RELOCK stand-by mode.




T1 : 30s+/ -3s (0.9s cycle, DUTY50%)