Operation CHARM: Car repair manuals for everyone.
Manuals through 2025 now available!

Our trusted friends have launched a new website named LEMON, which has newer manuals. It also contains all the CHARM manuals.

LEMON is the spiritual successor to CHARM, I recommend you try it!

Link: lemon-manuals.la or lemon-manuals.org.ua

(Some people have issue connecting. LEMON is investigating. For now, use Firefox or change your DNS server)

Or, hide this message: temporarily or permanently

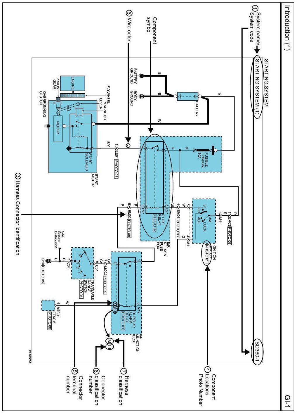
Schematic Diagrams

INTRODUCTION










1. Pages by system / Name of Schematic diagram
- Each schematic diagram provides data related to current flow, switch functionality (where applicable), and related circuit information.
- Understanding circuit operation is a critical component of effective diagnosis.
- The schematic diagram index provides a guide to locating the correct circuit.

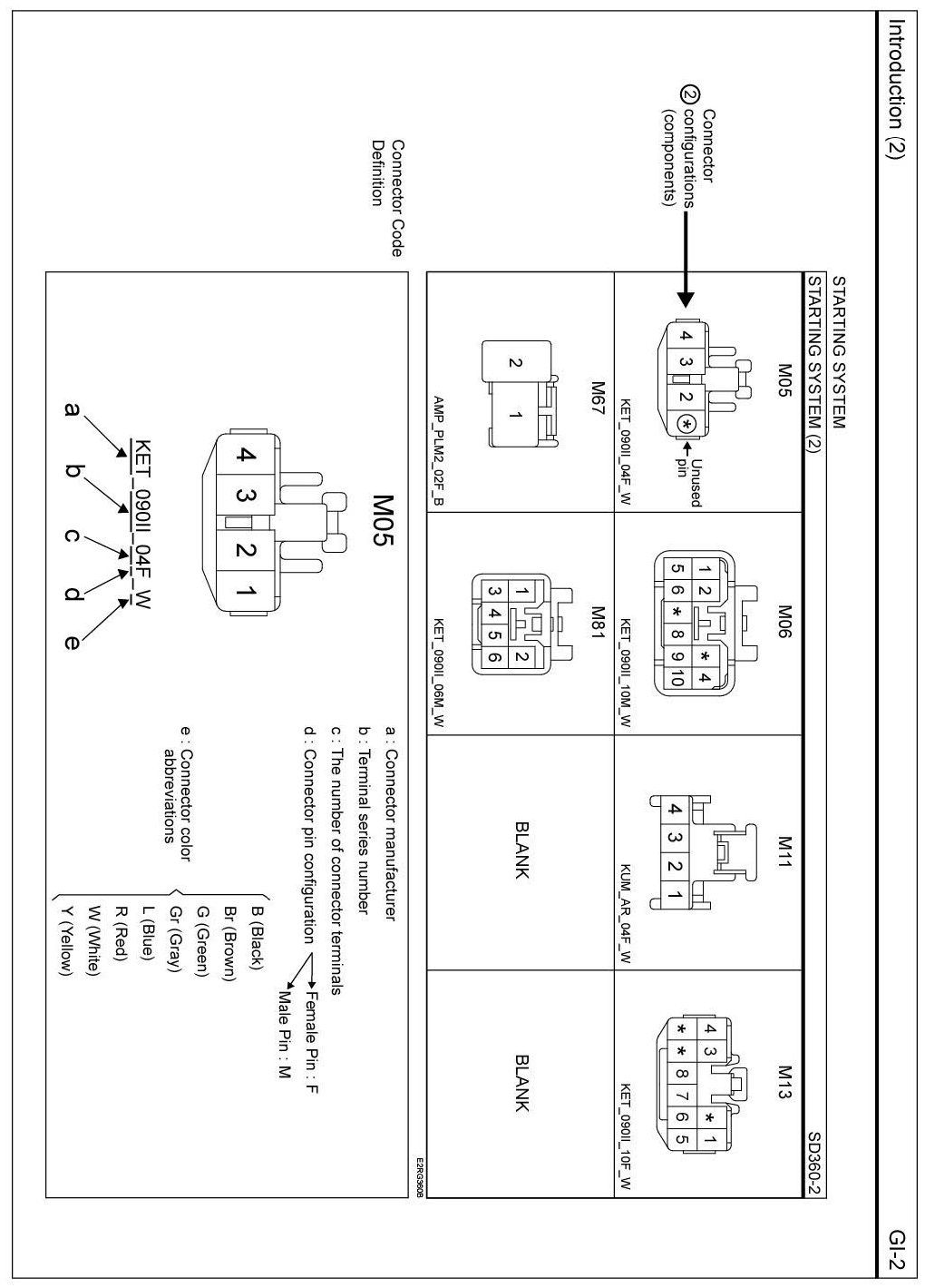
2. Connector configuration (components)
- The pages following the schematic diagrams contain data related to component connector configuration. Each page shows a terminal side view of the connector. Refer to the "Connector View and Numbering Order" section in this document for information related to terminal numbering.

NOTE: a "*" symbol in place of a terminal number indicates an unused terminal (connector cavity will be empty).

3. Connector configurations (connection between harnesses)
- The "Connector Configurations" section identifies connectors that are used to join hamesses together, junction connectors for common power and ground wires are also identified in this section. Male and female connector views are shown where applicable.







4. Component locations
- Schematic diagrams include references to images found in the "Component Locations" section of this document. These images show components and connectors in their installed location on the vehicle.







5. CONNECTOR VIEW AND NUMBERING ORDER







NOTE: UNLESS OTHERWISE STATED, ALL CONNECTOR VIEWS ARE FROM THE TERMINAL SIDE OF THE CONNECTOR.

6. WIRE COLOR ABBREVIATIONS
The following abbreviations are used to identify wire colors in the circuit schematics.







7. HARNESS CLASSIFICATION
Electrical wiring connectors are classified according to the wiring parts in the Harness Layouts.







* It depends on vehicles, it is necessary to check the harness name symbol on the harness layouts for detailed symbol.

8. CONNECTOR IDENTIFICATION
A connector identification symbol consists of a wiring harness location classification symbol corresponding to a wiring harness location and number corresponding to the connector.
These connector locations can be found in the HARNESS LAYOUTS.

For example:







NOTE: Connectors which connect each wiring harness are represented by the following symbols.

For example:







JUNCTION BLOCK IDENTIFICATION
A junction block identification symbol consists of a wiring harness location classification symbol corresponding to a wiring harness location and number corresponding to the connector in the junction block.

For example:







HARNESS LAYOUTS
Harness layouts show the routing of the major wiring harnesses, the in-line connectors and the splices between the major harnesses. These layouts will make electrical troubleshooting easier.