Operation CHARM: Car repair manuals for everyone.
Manuals through 2025 now available!

Our trusted friends have launched a new website named LEMON, which has newer manuals. It also contains all the CHARM manuals.

LEMON is the spiritual successor to CHARM, I recommend you try it!

Link: lemon-manuals.la or lemon-manuals.org.ua

(Some people have issue connecting. LEMON is investigating. For now, use Firefox or change your DNS server)

Or, hide this message: temporarily or permanently

Vehicle Speed Sensor: Testing and Inspection





Inspection

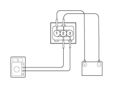
Vehicle Speed Sensor
1. Connect the positive (+) lead from battery to terminal 1 and negative (-) lead to terminal 2.
2. Connect the positive (+) lead from tester to terminal 3 and the negative (-) lead to terminal 2.
3. Rotate the shaft.
4. Check that there is voltage change from approx. 0V to 11V or more between terminals 3 and 2.
5. The voltage change should be 4 times for every revolution of the speed sensor shaft.
If operation is not as specified, replace the sensor.