Operation CHARM: Car repair manuals for everyone.
Manuals through 2025 now available!

Our trusted friends have launched a new website named LEMON, which has newer manuals. It also contains all the CHARM manuals.

LEMON is the spiritual successor to CHARM, I recommend you try it!

Link: lemon-manuals.la or lemon-manuals.org.ua

(Some people have issue connecting. LEMON is investigating. For now, use Firefox or change your DNS server)

Or, hide this message: temporarily or permanently

Electrical Diagrams

SD824-1 Power Windows (1):




SD824-2 Power Windows (2):




SD824-3 Power Windows (3):




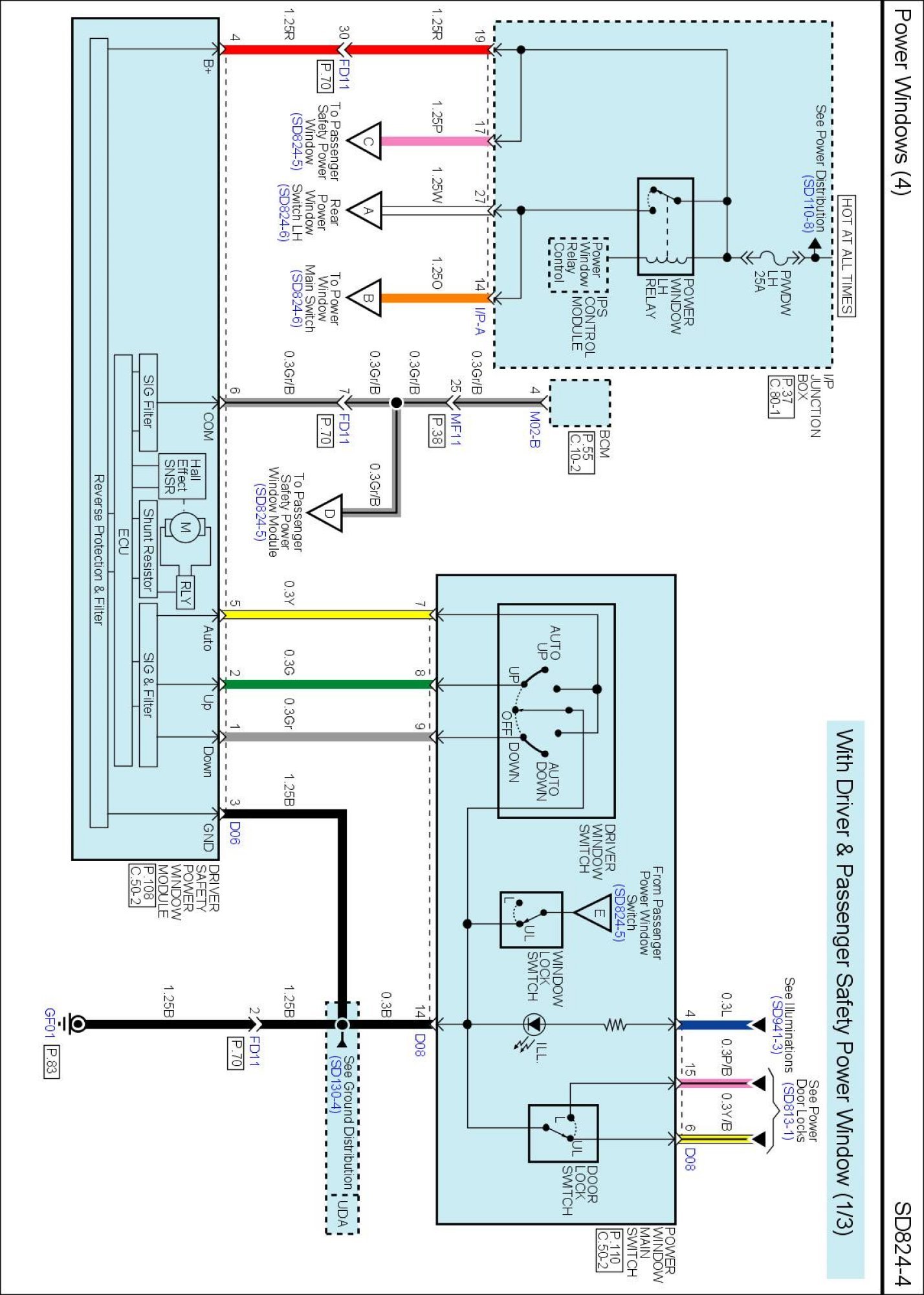
SD824-4 Power Windows (4):




SD824-5 Power Windows (5):




SD824-6 Power Windows (6):




SD824-7 Power Windows (7):




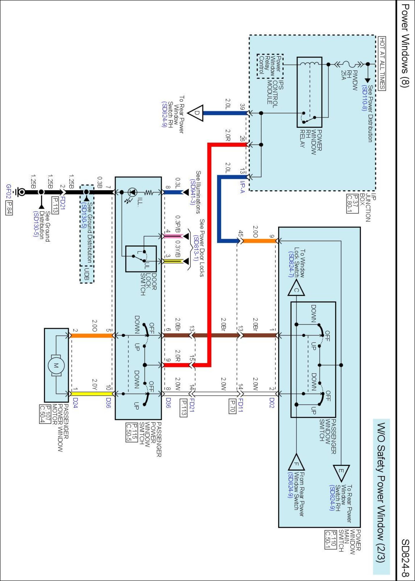
SD824-8 Power Windows (8):




SD824-9 Power Windows (9):






Diagrams: Other diagrams referred to by SD number (i.e SD130-4, etc.) within these diagrams can be found at Diagrams by Number. Diagrams By Number

Locations: Location photographs (references to PHOTOS) referred to within these diagrams can be found via the photo number at the vehicle level under Locations by Photo Number. Locations By Photo Number