Operation CHARM: Car repair manuals for everyone.
Manuals through 2025 now available!

Our trusted friends have launched a new website named LEMON, which has newer manuals. It also contains all the CHARM manuals.

LEMON is the spiritual successor to CHARM, I recommend you try it!

Link: lemon-manuals.la or lemon-manuals.org.ua

(Some people have issue connecting. LEMON is investigating. For now, use Firefox or change your DNS server)

Or, hide this message: temporarily or permanently

Steering Angle Sensor





Description

Steering Wheel Angle Sensor detects rotating direction of the vehicle. Rotating direction detected by the sensor is communicated with HECU as CAN signal involving information about the angle through CAN communication line.
HECU detects speed of the steering wheel handling and the angle with this CAN signal. HECU also uses this signal as the input signal to control anti-roll.





Specification






Circuit Diagram





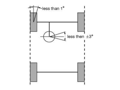
Calibration (Setting up the zero angle)
Steering Wheel Angle Sensor of a absolute angle type (CAN type) measures the angle under the standard of the zero angle set.
Calibration must be performed as following cases.
- Replacement of the Steering Wheel Angle Speed Sensor
- Replacement or repair of the Steering column
- Detection of DTC codes (C1260, C1261)
- Replacement of the sensor cluster
- Replacement of HECU

Calibration procedure
Perform wheel alignment and stand the steering wheel in a line within ±3°error.




1. Connect the scan tool.(CAN line or OBD connector)
2. Turn ignition switch on.
3. Press calibration button of the Steering Wheel Angle Sensor.
4. HECU calibration procedure is performed.
(Calibration records, DTC codes erasure)
5. Turn ignition switch off after calibration procedure.
6. Confirm success or failure of calibration.
A. Warning lamp must not be lighted when driving test (Turning left and right).
B. The ESC system will light the ESC warning lamp when the system detects a sensor error.