Operation CHARM: Car repair manuals for everyone.
Manuals through 2025 now available!

Our trusted friends have launched a new website named LEMON, which has newer manuals. It also contains all the CHARM manuals.

LEMON is the spiritual successor to CHARM, I recommend you try it!

Link: lemon-manuals.la or lemon-manuals.org.ua

(Some people have issue connecting. LEMON is investigating. For now, use Firefox or change your DNS server)

Or, hide this message: temporarily or permanently

Front Wiper Motor





Removal

1. Remove the windshield wiper arm and blade after removing a nut (A).




2. Remove the weather strip and the cowl top cover (A) after removing 5 retainers.




3. Remove the windshield wiper motor and linkage assembly(A) after removing 2 bolts. Disconnect the wiper motor connector (B) from the wiper motor & linkage assembly.










Installation

1. Install the wiper motor and linkage assembly and then connect the wiper motor connector.

TORQUE : 7-11Nm (0.7-1.1, kgf.m, 5.0-7.9 lbf.ft)

2. Install the cowl top cover.
3. Install the windshield wiper arm and blade.

TORQUE : 22.5 - 26.5 Nm (2.3 - 2.7 kgf.m, 16.6 - 19.5 lbf.ft)

NOTE:
- The windshield wiper motor must be cycled to make sure that it is in the park position.
If necessary, adjust the wiper arm and blade.

4. Install the wiper arm and blade to the specified position.









5. Set the cowl top cover on the specified spray position.










Inspection

Speed Operation Check
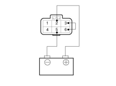
1. Remove the connector(A) from the wiper motor.
(1. Blank, 2. Battery+, 3. Parking, 4. High, 5. GND, 6. Low)




2. Attach the positive (+) lead from the battery to terminal 2 and the negative (-) lead to terminal 6.
3. Check that the motor operates at low speed.
4. Connect the positive (+) lead from the battery to terminal 2 and the negative (-) lead to terminal 4.
5. Check that the motor operates at high speed.

Automatic Stop Operation Check
1. Operate the motor at low speed using the stalk control.
2. Stop the motor operation anywhere except at the off position by disconnecting terminal 4.
3. Connect terminals 3 and 6.
4. Connect the positive (+) lead from the battery to terminal 2 and the negative (-) lead to terminal 5.
5. Check that the motor stops running at the off position.