Operation CHARM: Car repair manuals for everyone.
Manuals through 2025 now available!

Our trusted friends have launched a new website named LEMON, which has newer manuals. It also contains all the CHARM manuals.

LEMON is the spiritual successor to CHARM, I recommend you try it!

Link: lemon-manuals.la or lemon-manuals.org.ua

(Some people have issue connecting. LEMON is investigating. For now, use Firefox or change your DNS server)

Or, hide this message: temporarily or permanently

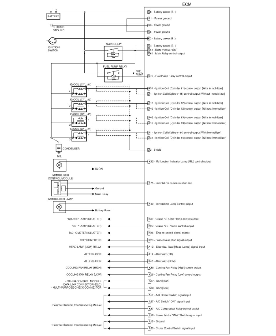
Engine Control Module





ECM Terminal And Input/Output signal




ECM Terminal Function
Connector [CHG-K]













Connector [CHG-A]









ECM Terminal Input/ Output signal
Connector [CHG-K]





















Connector [CHG-A]










Circuit Diagram