Operation CHARM: Car repair manuals for everyone.
Manuals through 2025 now available!

Our trusted friends have launched a new website named LEMON, which has newer manuals. It also contains all the CHARM manuals.

LEMON is the spiritual successor to CHARM, I recommend you try it!

Link: lemon-manuals.la or lemon-manuals.org.ua

(Some people have issue connecting. LEMON is investigating. For now, use Firefox or change your DNS server)

Or, hide this message: temporarily or permanently

Dome Lamp: Service and Repair





Inspection

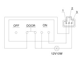
Room Lamp
Remove the room lamp assembly then check for continuity between terminal. If the continuity is not as specified, replace the room lamp assembly.














Removal

Room Lamp
1. Disconnect the negative (-) battery terminal.
2. Remove room lamp lens (B).
3. Remove the room lamp assembly (A) after loosening the mounting screws.




4. Disconnect the connector (A).




5. If it is necessary, replace the room lamp bulb (A).





Vanity Lamp
1. Disconnect the negative (-) battery terminal.
2. Remove the vanity lamp assembly (A) after disconnecting the connector (B).





Luggage Lamp
1. Disconnect the negative (-) battery terminal.
2. Remove the luggage lamp assembly (A) after disconnecting the connector (B).

[4 Door]





[5 Door]






Installation

Room Lamp
1. Install the room lamp assembly after connecting the room lamp connector.
2. Install the room lamp lens.
3. Connect the negative (-) battery terminal.

Vanity Lamp
1. Install the vanity lamp assembly after connecting the vanity lamp connector.
2. Connect the negative (-) battery terminal.

Luggage Lamp
1. Install the luggage lamp assembly after connecting the connector.
2. Connect the negative (-) battery terminal.