Operation CHARM: Car repair manuals for everyone.
Manuals through 2025 now available!

Our trusted friends have launched a new website named LEMON, which has newer manuals. It also contains all the CHARM manuals.

LEMON is the spiritual successor to CHARM, I recommend you try it!

Link: lemon-manuals.la or lemon-manuals.org.ua

(Some people have issue connecting. LEMON is investigating. For now, use Firefox or change your DNS server)

Or, hide this message: temporarily or permanently

Body Control Systems

SD952-1 Body Control Module (BCM) System (1):




SD952-2 Body Control Module (BCM) System (2):




SD952-3 Body Control Module (BCM) System (3):




SD952-4 Body Control Module (BCM) System (4):




SD952-5 Body Control Module (BCM) System (5):




SD952-6 Body Control Module (BCM) System (6):




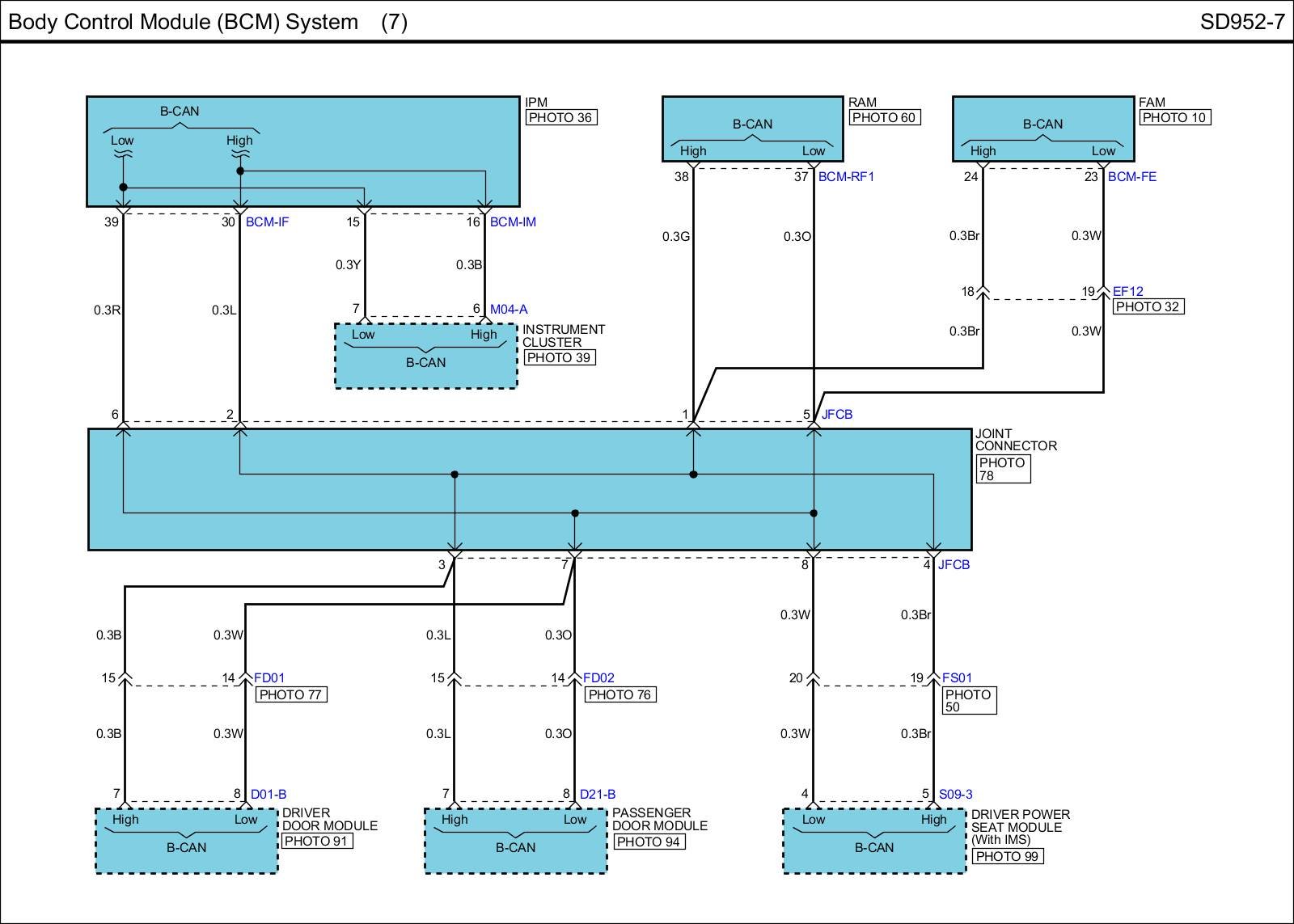
SD952-7 Body Control Module (BCM) System (7):




Body Control Module (BCM) System (8) Connector Pin Outs:




Body Control Module (BCM) System (9) Connector Pin Outs:




Body Control Module (BCM) System (10) Connector Pin Outs:






Diagrams: Other diagrams referred to by SD number (i.e. SD130-4, etc.) within these diagrams can be found at Diagrams by Number. Diagrams By Number

Locations: Location photographs (references to PHOTOS) referred to within these diagrams can be found via the photo number at the vehicle level under Locations by Photo Number. Locations By Photo Number