Operation CHARM: Car repair manuals for everyone.
Manuals through 2025 now available!

Our trusted friends have launched a new website named LEMON, which has newer manuals. It also contains all the CHARM manuals.

LEMON is the spiritual successor to CHARM, I recommend you try it!

Link: lemon-manuals.la or lemon-manuals.org.ua

(Some people have issue connecting. LEMON is investigating. For now, use Firefox or change your DNS server)

Or, hide this message: temporarily or permanently

Ambient Light Sensor: Service and Repair





INSPECTION

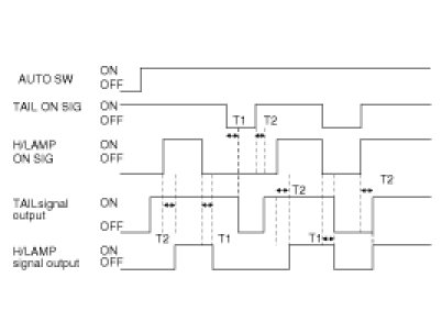
While operating the auto light switch, check if the operations are normal as shown in the timing chart.
1. Auto light sensor value is always read at IGN ON.
2. Light is turned ON after 1sec±0.1sec when auto light sensor value is same as light ON input value.
3. Light is turned OFF after 2sec±0.2sec when sensor value is same as light OFF input value.
4. Tail lamp and head lamp are turned ON when sensor value is same as tail lamp ON input value.
5. Light ON value of sensor is based on the below table.
6. Head lamp signal is output when head lamp switch is ON. After head lamp is turned OFF, head lamp signal output is immediately stopped if head lamp OFF luminance condition is met at auto light switch ON.









T1 : 2 ± 0.2 sec
T2 : 2 ± 0.2 sec.

REPLACEMENT

Photo & auto light sensor inspection
1. Disconnect the crash pad .
2. Remove the Photo & auto light sensor (B) from crash pad.




3. Installation is the reverse of removal.