Operation CHARM: Car repair manuals for everyone.
Manuals through 2025 now available!

Our trusted friends have launched a new website named LEMON, which has newer manuals. It also contains all the CHARM manuals.

LEMON is the spiritual successor to CHARM, I recommend you try it!

Link: lemon-manuals.la or lemon-manuals.org.ua

(Some people have issue connecting. LEMON is investigating. For now, use Firefox or change your DNS server)

Or, hide this message: temporarily or permanently

Part 1





DESCRIPTION

All modules are linked a low speed CAN network.

The input information for the modules is coming from both the CAN network and the hardware components (actuators and sensors).
- FAM (Front Area Module)
- Headlamp low/high beam control (with DRL)
- Park lamp control
- Front fog lamp control
- Front turn signal lamp control
- Windshield wiper control
- Windshield deicer
- Diagnostics
- IPM (In-Panel Module)
- RKE (Remote Keyless Control)
- VAS (Voice Alarm System)
- Ignition key hole illumination
- Switch indicators control
- Panel light control
- Seat belt warning
- Auto light/DRL control (Logic)
- Windshield/Rear wiper control (Logic)
- Turn and Hazard lamp control (Logic)
- Central door lock (Logic)
- Windshield deicer timer
- Rear glass defog timer
- Gateway for ISO-9141 (K-Line)
- RAM (Rear Area Module)
- Tail lamp control
- Turn and Hazard lamp control
- Back up lamp control
- Rea fog lamp control
- Stop lamp outage detection
- Sliding door power window/Quarter glass control
- Room lamp control
- Rear wiper control
- Rear glass defog
- Fuel filler door open solenoid control
- ADM (Assist Drive Module)
- DDM (Driver Drive Module)

MODULE INTRODUCTION
FAM/IPM/RAM consists of a power board and an electronic board. The power board contains circuit protection devices and switching devices. The electronic board uses Intelligent Power Switching (IPS) for HS/LS load control, logic functions and CAN/K-Line communication.
The power board and electronic board are connected with pin blocks for the Front Area Module (FAM) and VCD (Variable Connection Displacement) for the In-Panel Module (IPM) and the Rear Area Module (RAM).






FUNCTIONS

EXTERIOR LIGHTING FUNCTIONS
The exterior lighting function has to provide the lighting and signalling of the vehicle; it monitors different available lights in front or at the back of the vehicle:
- Park and Tail lamps (with Side marker lamps),
- License plate lamps,
- Head lamps Low Beam,
- Head lamps High Beam,
- Front and Rear fog lamps (with the Rear fog lamp switch indicator),
- Stop lamps,
- Backup lamps,
- Turn signal and side repeater lamps.

PARK/TAIL LAMPS FUNCTION
1. Necessary conditions to switch ON :
A. By putting the Head lamp switch in position 'Park and Tail lamp' or 'Head lamp Low Beam' or Auto light activation or DRL activation
2. Necessary conditions to switch OFF :
A. If they are released by the Head lamp switch (Auto light function deactivated) and if DRL function is deactivated
B. If the Auto light function is active but the Auto light Sensor signal status is OFF or Battery Saver function is active.
3. Functional diagram





HEAD LAMPS LOW BEAM FUNCTION
1. Necessary conditions to switch ON :
A. By putting the Head lamp switch in position 'Head lamp Low Beam' or Auto light activation or DRL activation.
2. Necessary conditions to switch OFF :
A. If they are released by the Head lamp switch (Auto light function deactivated) and if the DRL function is deactivated
B. If the Auto light function is active but the Auto light sensor signal status is not 'HL ON'.
3. Functional diagram





HEAD LAMPS HIGH BEAM FUNCTION
1. Necessary conditions to switch ON :
A. By pushing down the High Beam lever switch if
- the Head lamp switch is in position 'Head lamp Low Beam' or the Head lamps Low Beam have been turned ON by the Auto light function.
B. By pulling the High Beam lever switch toward the driver (Flash to pass activation)
C. By the DRL function activation for Canada.
2. Necessary conditions to switch OFF :
A. By pulling back the High Beam lever switch (manual reset by the driver) or
B. If the Head lamps Low Beam are turned OFF or if the Auto light function is active but the Auto light Sensor signal status is not 'HL ON') or
C. By releasing the Flash To Pass activation and
D. If the DRL function is deactivated for Canada.
3. Functional diagram





TURN SIGNAL AND SIDE REPEATER LAMPS FUNCTION
1. Necessary conditions to switch ON(if they are standard) :
A. By activation of Crash Unlock
B. During the opening / closing of the Tail gate by the PTG Flasher input
C. With the Remote Keyless Entry to lock / unlock the vehicle
D. By alarm activation
E. By panic activation with the Remote Keyless Entry
F. By activation of the Hazard Lamp by the hazard switch and ignition is position OFF, ACC or RUN
G. By using the turn lever switch with the ignition switch in the ON position.
2. Necessary conditions to switch OFF(if they are standard) :
A. Ignition switch in OFF position for deactivation of crash unlock flashing
B. Deactivation of the alarm or at the end of the alarm flashing sequence
C. Deactivation of panic sequence with pushing any button of the Remote Keyless Entry or at the end of the panic flashing sequence
D. Turn lever switch command in OFF position or ignition switch in OFF, ACC or START position to stop turn lever flashing.
E. The hazard switch in OFF position or ignition switch in position START to stop the Hazard flashing.
F. At the end of the Lock, Unlock and PTG flashing sequence.
3. During the start up of the vehicle (ignition key in position START) :
A. The Turn signal lamps activated by the turn lever switch are temporarily turned OFF. If the time duration in Start position is more than 10seconds and engine running, the Turn signal lamps are managed again as if the ignition key was in ON position,
B. The flashing sequence of the hazard lamps is immediately stopped if they have been activated by the hazard button. If the time duration in Start position is more than 10seconds and engine running, the flashing sequence of the hazard lamps are managed again as if the ignition key was in RUN position,
C. The flashing sequence of the hazard lamps is not stopped if they have been activated by a crash unlock.
4. Functional diagram





FRONT FOG LAMPS FUNCTION
1. Necessary conditions to switch ON :
A. By using the stalk: Head lamp switch in position 'Head lamp Low Beam' and Front Fog lamp sw ON
B. When Auto light function activated and Auto light Sensor signal status is 'HL ON' and Front Fog lamp sw ON
2. Necessary conditions to switch OFF :
A. When Auto light function activated and Auto light Sensor signal status is not ON
B. When Front fog lamp sw OFF.
3. Functional Diagram













BACKUP LAMPS FUNCTION
1. Necessary conditions to switch ON :
A. When inhibit sw 'R' read by FAM is active and transmitted to RAM by CAN signal.
2. Necessary conditions to switch OFF :
A. When inhibit sw 'R' read by FAM is not active and transmitted to RAM by CAN signal.
3. Functional diagram





STOP LAMPS FUNCTION
1. Necessary conditions to switch ON the stop lamps:
A. Pushing on the brake pedal.
2. Necessary conditions to switch OFF the stop lamps:
A. Releasing the brake pedal.
3. Functional diagram





AUTO LIGHT FUNCTION
1. The Auto light function is active when the Head lamp switch is positioned to 'Auto' and the Key is in RUN position.
The auto light sensor is powered on the status ACC, START and RUN of the key position. Based on the Auto light sensor values corresponding to the exterior brightness level, it controls automatically the lighting of the Park and tail lamps or / and the Head lamps Low Beam depending on the country.
2. Auto light Sensor detection table






DRL FUNCTION
1. The Auto DRL function operates the Head lamps High Beam at 50% of full illumination.
The park and tail are managed by the auto light sensor.

The Auto DRL function is active if:
A. The ignition switch is on RUN position
B. The engine is running.
C. The Park brake switch is OFF.
2. The DRL function is inactive when one of above conditions is released.

When the DRL function is active, the Head lamps High Beam can't be turned ON, except for the Flash To Pass activation.
3. Functional diagram





BATTERY SAVER FUNCTION
1. Necessary conditions to activate the Battery Saver function:
A. Do not turn off the Park/Tail Lamp when intentionally turned on.
B. If Key reminder switch is ON and Park/Tail Lamp switch is ON, Intentional "ON" should be reset
C. If the driver's door is open and if the key is not in the key hole whereas the Head lamp switch is still in position 'Park and tail lamp' or 'Head lamp Low Beam', the park and tail lamps (and the Front fog lamps if turned on) are immediately turned off.
2. Necessary conditions to cancel the Battery Saver function:
A. As soon as the Key is input into the IGN Key Cylinder or the Head lamp switch is put to position OFF.




3. Functional diagram





INTERIOR LIGHTING FUNCTIONS

ROOM LAMPS
1. The room lamps are can be controlled manually using the 3-state (ON, DOOR, OFF) switch or by the Rear Area Module (RAM). A main switch, located to the left of the steering wheel, is used as a master control switch. The operating logic of the lamps will vary based on the position of the main switch ON, DOOR, or OFF).

2. Working conditions
A. The functioning depends on the key position in the key cylinder (OFF, ACC, RUN or START)
B. When the key goes in RUN or START position while the room lamps are decaying, then the room lamps are turned off immediately.
C. When the Ignition key position is RUN or START and the last door is closed then the room lamps are OFF.
D. If the room lamps have been activated using the RKE UNLOCK function, and the ignition switch is turned to the RUN or START position, the room lamps will be immediately turned OFF.
E. If the Ignition sw status is in RUN or START and Unlock information occurs, then the room lamp status is not changed.
F. When the system enters to ARM WAIT mode by Remote Key or Mechanical cylinder lock switches the Room lamp should be turned off immediately.
G. If there is RKE Lock signal at any door open, all doors should be locked first and wait for the all door close. No action is taken while the Open Door status is OPEN and the doors are locked. Then when Open Door status changes from OPEN to CLOSE, Room lamps will be OFF immediately.
H. The 30sec timer does not depend on the key reminder status.
I. If the main switch is changed to ON from DOOR after 20minute lamp OFF, all the lamps are turned ON.
J. If the Open Door status changes from OPEN to CLOSE (all doors close) when ignition switch is on RUN position, room lamps and door courtesy lamps should turn off immediately (Do not decay off).
K. After 20minute Room Lamp OFF at door open, Room lamps are turned ON again when:
- One of the door open switch's status changes. (Open to Close or Close to Open)
- Ignition key is in RUN or START Position.
- Receiving an UNLOCK event while a door is open and Main Room Lamp Switch is in the DOOR position.
L. For the room lamps, when the 20m timer is running and any of the side doors is opened the timer is restarted.
3. Functional Diagram




4. Truth table





(*) : OFF is transmitted when there is no action from Lock/Unlock. It has no impact on the 20mn timer (no restart).
(**) : LOCK transition is sent by IPM only when door status is CLOSE. Thus there is no action on the 20mn timer in this case.
(***) : When transition to UNLOCK is received, 20mn timer is restarted.

MAP LAMP
1. The map lamps may be controlled manually or by the Rear Area Module (RAM).
2. Functional Diagram




3. Truth table





(*) : OFF is transmitted when there is no action from Lock/Unlock. It has no impact on the 20mn timer (no restart).
(**) : LOCK transition is sent by IPM only when door status is CLOSE. Thus there is no action on the 20mn timer in this case.
(***) : When transition to UNLOCK is received, 20mn timer is restarted.

LUGGAGE LAMP
1. Working Conditions
A. The 20min timer does not depend on the key reminder status.
B. After 20minute Luggage Lamp OFF at tailgate open, luggage lamps are turned ON again when:
- Tailgate close and then tailgate is opened again
- Ignition key is in RUN or START position.
2. Truth table






DOOR COURTESY LAMPS

KEY HOLE ILLUMINATION
1. Working Conditions
The key cylinder is illuminated when the driver and / or the assist door are open.
2. Key hole extinguish conditions:
A. The key cylinder is turned off 10s after the driver and assist doors are closed.
B. The key cylinder is turned off immediately if the key is inserted in the hole and put to RUN or START position.
C. For vehicles equipped with Burglar Alarm, the key cylinder is turned off immediately when the system goes to ARM WAIT mode during the 10s after the driver and assist doors are closed.
D. For vehicles not equipped with Burglar Alarm, the key cylinder is turned off immediately when RKE lock signal is received from key knob during the 10s after the driver and assist doors are closed (4).
3. Functional Diagram





PANEL LIGHTS, SWITCH ILLUMINATION
1. Working Conditions
The MF "high beam" and "flash to pass" switches do not influence the management of the Panel Lights and Trip Computer illumination, Rear Blower illumination and Rear Monitor illumination.
2. Functional Diagram





DIMMABLE BACKLIGHTING
1. Working Conditions
The Dimmable backlighting is directly managed by the rheostat.

POWER SEAT SWITCH ILLUMINATION
1. Working Conditions
The IPM sends a CAN message to the DDM so that this module illuminate the power seat switches.
2. Functional Diagram





VIEW ENHANCEMENT FUNCTION

FRONT WIPER AND WASHER
1. Front wiper working conditions
These functions are active when Ign2 switch ON
In the OFF and ACC states, the front wiper is not activated. If IGN2 turns OFF during wiper operation, the wiper stops at the current position and will move to the park position on the next IGN2 ON. In these states, the front washer is not active.
2. Front washer working condition
The front washer functionality is directly available to the driver. It consists in activating the front washer pump, which is located under hood. As long as the driver activates the washer multifunction switch, the front washer is active.
3. Functional diagram





REAR WIPER AND WASHER
1. Rear wiper working conditions
A. The rear wiper is available in RUN state.
B. In the START state, all the wiper and washer outputs are halted and then activated again.
C. In the OFF and ACC states, the rear wiper stops its movement at current position. The rear wiper will move to the park position at the next IGN ON. In these states, the rear washer is not activated.
2. Rear washer working condition
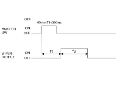
A. If the washer signal is active less than 60ms, the signal is neglected.
B. If the washer signal is active for T1 (between 60ms and 300ms), the rear wiper output is turned on for T2 (2.5 - 3.8 sec.), T3 (300ms) after the washer has been turned ON.
Rear washer activated for T1 : [60ms;300ms]




T1 : 0.06 - 0.3 sec.
T2 : 2.5 - 3.8sec.
T3 : 0.3 sec.
3. Functional diagram





DEFOG
This function controls the heating defog grids on windshield, rear glass, and rear view mirrors.
1. Working Conditions
The defog function can be activated only when engine is running and ignition key is in RUN position.
A. When windshield defog switch is pushed, windshield defog is activated for 20 minutes.
B. While windshield defog is on, the windshield defog button is illuminated
C. If the switch is pushed again while defog is already active, defog stops.
D. If the engine stops while defog is on, defog stops and it is NOT automatically turned on when the engine is started again
E. Rear defog works exactly in the same way as windshield defog using the rear defog switch button as input.
F. When rear defog is active, rear defog switch indicator is ON.
G. Rear defog ctrl output controls rear glass defog as well as rear view mirrors defog.
2. Rear defog pause
A. When IPM receives Tailgate Flasher CAN message, rear defog is inhibited for 30s
B. The 20min rear defog timer is frozen during this pause.
C. If the user turns on rear defog function while this pause is going on, Rear defog ctrl is set to ON only at the end of the pause.
D. This pause has no impact on rear defog switch illumination.
E. When IPM receives Tailgate open CAN message transition to OPEN value, this 30 s rear defog pause is also started, it works the same way as described above.




3. Functional Diagram





COMFORT FUNCTION

POWER WINDOWS
1. The purpose of the power window function is to manage the driver and assist power window motors. This function is entirely implemented in the DDM and ADM (door modules) and DMS role for this function is limited to providing signals through the CAN bus.

POWER SEAT WITH MEMORY INTERFACE
This function manages the power seat and the associated memorized positions. This function is entirely implemented in the IMS (seat module) and DMS role for this function is limited to providing signals through the CAN bus.

ADJUSTABLE PEDAL

ADJUSTABLE PEDAL WITH MEMORY INTERFACE(IMS)
1. This function is implemented by the IMS. This function adjusts the pedal position when the pedal backward/forward switch is pressed.
2. Functional Diagram





ADJUSTABLE PEDAL(NON-IMS)
1. Adjust Pedal allows to activate Adjustable Pedal feature for the non-IMS equipped vehicle, IPM needs to control the power source (by relay coil control) of the adjustable Pedal switch unit.
There is no Adjustable Pedal switch for Non-IMS version.
2. Functional Diagram





REVERSE DRIVE EXTERIOR SIDE MIRROR
This function is implemented by the DDM. This function turns the 2 external reverse mirrors down when gear box in reverse position.

Replacing the Outside Mirror action by the Memory Switch
1. In IGN On (IGN State = On) or Driver door opened or during 30 seconds after Driver door open to close when IGN Off Condition (It used IMS Main signal), if user press the position button, Outside Mirror is play to memorized position
2. The position switch (position1 and position2) that has not been saved yet cannot perform replacing.
3. If the user presses a position switch (position1 or position2) during replacing operation, the recently pressed switch will be prior to the other.
4. Replacing Prohibition Conditions
A. If the mirror switch on the LH side is pressed
B. If "position switch states" of the CAN communication data sent by the IMS is not "ON"
C. If "Vehicle Speed" of the CAN communication data sent by the cluster is "3Km/h" or more

Auto Reverse Function