Operation CHARM: Car repair manuals for everyone.
Manuals through 2025 now available!

Our trusted friends have launched a new website named LEMON, which has newer manuals. It also contains all the CHARM manuals.

LEMON is the spiritual successor to CHARM, I recommend you try it!

Link: lemon-manuals.la or lemon-manuals.org.ua

(Some people have issue connecting. LEMON is investigating. For now, use Firefox or change your DNS server)

Or, hide this message: temporarily or permanently

Part 2





QUARTER GLASS OPEN/CLOSE
1. Working Conditions
This Function is available when Ignition key is in RUN position and for 30sec after end of RUN.
A. Quarter glasses can be controlled by switches situated near driver or switches situated near rear passengers seat (3rd row of seats).
B. When the switch is pressed the motor output is ON until the switch is released or after 5+/- 1sec. The switch has to be released and pressed again to command the motor output ON again.
C. If power window lock is activated only driver window is enable by driver side switch and no switches are enable to open quarter glass.
D. There is no interaction with the sliding doors. It is not forbidden to open the quarter glasses when the sliding door on the same side is open.
E. No switch information (driver or rear passenger ) prevails on the other. If the main switch and the passenger side switch are pressed in opposite direction at the same time, window stops moving.
2. Functional Diagram





OPEN FUEL FILLER DOOR
1. Functional Diagram





SUN ROOF RELAY COIL
This function defines the condition for switching on or off power feed to sun roof relay coil. This function is available in RUN position and during after run timer ON.

POWER WINDOW TIMER
This function defines the conditions for allowing use of power windows, quarter glass, and feed to sunroof relay coil.

SLIDING DOORS POWER WINDOWS
1. Working Conditions
This function is available when ignition key is in RUN position and for 30sec after end of RUN. Window operation will be canceled if the driver or assist door is opened during the 30sec period after the key is turned from RUN to ACC or OFF position.
2. Functional Diagram





POWER SLIDING DOOR & POWER TAILGATE
1. Description
There are two sliding doors and one tailgate in the vehicle. A switch is fitted at each B-pillar to permit Power Sliding Door activation. For the tailgate, there is also one push button switch. These switches are used to send an signal of 200 ms minimum to the PSD module (or PTG module).
2. Functional Diagram





EASY ACCESS
1. Description
The easy access function permits automatic rearward movement of the driver seat when the key is removed from the cylinder. Automatic forward movement of the driver seat will take place when the key is inserted into the cylinder. This function will be enabled on IMS equipped vehicles when the AUTO button is pressed.
Inhibit Switch should be in P-Position for the Easy Access operation.
2. Functional Diagram





DRIVER INFORMATION

CLUSTER INDICATORS
1. The instrument cluster indicators listed below are controlled by the In-Panel Module (IPM), Front Area Module (FAM), or Rear Area Module (RAM) as applicable.
These indicators are:
A. Gearbox status
B. Oil pressure
C. Sediment fuel filter
D. Vacuum
E. Brake fluid
F. Washer fluid
G. Seat belt
H. Park brake
I. Charging voltage
J. Turn indicators
K. High beam
L. Front fog
M. Doors open
N. Tailgate open
O. Stop lamp failure front and rear
2. Functional Diagram





GEARBOX STATUS
The status of the gearbox is sent on the CAN network when the CAN network is available.

OIL PRESSURE SWITCH STATUS
The status of the oil pressure switch is sent on the CAN network when the CAN network is available.

FUEL FILTER STATUS
The FAM receives on digital input the status of the fuel filter (Fuel Filter Input) and sends it (Fuel filter switch) on the CAN network.

WASHER FLUID SENSOR STATUS
The FAM receives on digital input the status of the washer fluid sensor and sends it on the CAN network.
If Washer Fluid Low Input is LOW for more than 10 sec, FAM sends the warning message.

SEAT BELT WARNING STATUS
The IPM receives on digital input the status of the seat belt switch and sends the seat belt warning on the CAN network.
If the Ignition switch status is in RUN or START when the Seat Belt SW Input is FASTENED, the seat belt warning indicator is blinking for 6 seconds.
When Seat Belt switch Input is NOT FASTENED, the seat belt warning indicator is blinking for 6 seconds.
If the Seat Belt switch Input is FASTENED during the 6 seconds, the seat belt warning indicator is blinking till the end of the 6 seconds.

In North America:
the seat belt warning indicator is blinking when Ignition switch is on the status RUN or START and Seat Belt SW Input is NOT FASTENED.

PARKING BRAKE INDICATOR
The indicator manages 3 functions: brake fluid sensor, parking brake warning and vacuum switch.
The vacuum function is available for diesel engine only

The FAM receives on digital input the status of the vacuum switch and the ABS EBD warning and sends them on the CAN network.
The status of the vacuum switch and the ABS EBD warning are sent on the CAN network when the CAN network is available.
The FAM receives on digital input the status of the brake fluid sensor and sends it on the CAN network.
The status of the brake fluid sensor is sent on the CAN network when the CAN network is available.
The IPM receives on digital input the status of the parking brake switch and by CAN network the status of the vacuum switch, the status of the ABS EBD warning, the status of the brake fluid sensor and the speed of the vehicle.
The IPM sends the park brake indicator control on the CAN network.

The indicator is lighted if the vacuum switch or ABS EBD warning are on or brake fluid sensor is low or park brake switch is on.
If the speed of the vehicle is over 10 km/h and ignition switch is on the status RUN the park brake indicator control is blinking at 50% duty in 0.6 second if Parking Brake switch Input is active. In this case Vacuum switch, ABS EBD warning and Brake Fluid sensor are ignored.
The park brake indicator is blinking on the same time that the chime is ringing. If a CAN signal among Vacuum switch, EBD warning or Brake Fluid Sensor switch is INVALID, out of range or not received this CAN signal is considered to be OFF.
If Vehicle Speed CAN signal is INVALID or not received, it is considered to be 0 kph.

CHARGING VOLTAGE CONTROL
The IPM receives on analog input the voltage of generator and sends a warning.
When the voltage of generator L pass strictly above 10V, the state of the CAN variable.

TURN INDICATORS STATUS
The status of the turn indicators are sent on the CAN network when the CAN network is available.

HIGH BEAM STATUS
The status of the high beam is sent on the CAN network when the CAN network is available.

FRONT FOG LAMP STATUS
The status of the front fog lamp (lightning and state of the bulbs) is sent on the CAN network when the CAN network is available.

DOORS OPEN WARNING
The RAM receives on digital input the status of the driver door open switch and sends it on the CAN network.
The RAM receives on digital input the status of the passenger door open switch and sends it on the CAN network.
The RAM receives on digital input the status of the left sliding door open switch and sends it on the CAN network.
The RAM receives on digital input the status of the right sliding door open switch and sends it on the CAN network.

When vehicle speed is under 10 kph, with ignition key not inserted and any door OPEN, Doors Open Wng Ctrl stays ON for 20 min and then is turned OFF.

TAILGATE OPEN SWITCH STATUS
When vehicle speed is under 10 kph, ignition key is inserted and Tailgate open switch is OPEN, Tailgate Open warning stays ON forever (IPM can enter sleep mode).
When vehicle speed is under 10 kph, with ignition key not inserted and tailgate open switch is OPEN, Tailgate Open warning stays ON for 20 min and then is turned OFF.

CHIME CONTROL
1. The chime warns the driver that a problem is occurred.
These warning are:
A. Seat belt
B. Parking on
C. Over speed
D. Key reminder
E. Light Warning
F. Doors Open
G. Tailgate open warning
2. Chime sound priority:
A. 1st : Seatbelt warning
B. 2nd : Overspeed warning
C. 3rd : Door open warning
D. 4th : T/Gate open warning
E. 5th : Key operated warning
F. 6th : Parking Brake warning
G. 7th : Light ON warning
H. 8th : Key learning sound
3. If two different warning condition happen at the same time, chime should work only for the highest warning condition.
4. Cluster indicators should work for two warning behavior.
5. Behavior Description





SEAT BELT WARNING
The IPM receives on digital input the status of the seat belt switch.
The chime is activated during 6 second when the seat belt is not fastened.
The chime will stop immediately if the seat belt is fastened during the 6 seconds of the chime.

PARK BRAKE WARNING
The IPM receives on digital input the status of the parking brake switch.
The IPM receives the speed of the vehicle by the CAN network.
The chime is activated when the parking brake is on, ignition switch is on RUN and speed vehicle is over 10 km/h.
The park brake indicator is blinking at the same time that the chime is ringing.

OVER SPEED WARNING
The IPM receives the overspeed warning by the CAN network.
The chime is activated when the overspeed speed warning is on the state Overspeed.

KEY REMINDER WARNING
The IPM receives the status of the key on digital input.
The IPM receives the status of the driver door open switch by the CAN network.
The chime is activated when key is inserted and the driver door is open.

LIGHT WARNING
The IPM receives the status of the driver door open switch by the CAN network.
The light chime warning is activated when the driver door is open and the park and tail lamps are turned on.

DOORS OPEN WARNING
The RAM receives on digital input the status of the driver / passenger / left sliding / right sliding door open switch and sends it on the CAN network.
The IPM receives by CAN network the speed of the vehicle.
The doors open warning chime is activated when one or several of the 4 doors is opened and the speed of vehicle is over 10km/h.

TAILGATE OPEN WARNING
The RAM receives on digital input the status of the tailgate open switch and sends it on the CAN network.
The IPM receives by CAN network the speed of the vehicle.
The tailgate open warning chime is activated when the tailgate is opened and the speed of vehicle is over 10km/h.

SAFETY AND SECURITY FUNCTION

REMOTE KEYLESS ENTRY
1. The aim of this function is to receive the key fob signal and decode it. There are 8 different data included in the radio frequency frame sent by the RKE to the IPM module:
A. Central door lock
B. Central door unlock
C. Panic function
D. Driver door window close (long press on RKE lock button)
E. Driver door window open (long press on RKE unlock button)
F. Left sliding door open/close
G. Right sliding door open/close
H. Power tailgate open/close
2. Each vehicle can have at most 2 associated key fobs. The key fob is physically separated from the key itself (separate device).
3. Input/Output Definition and Characteristics





CENTRAL LOCK/UNLOCK
1. Central locking/unlocking logic is controlled by IPM. Locking/Unlocking inputs are located in ADM, DDM (Lock/Unlock switch, door knobs, door key cylinder) and in IPM (RKE receiver).
2. Locking/Unlocking actuators are located in ADM for passenger door, DDM for driver door and RAM for sliding doors and tailgate.
There are 5 ways of operating central lock/unlock:
A. With Key RKE
B. With Door Lock/Unlock switches located on ADM/DDM
C. With Door Lock Monitoring switches located on the passenger/driver door
D. With Door/Tailgate Key Cylinder Lock/Unlock switches located on the tailgate or passenger/driver door.
3. Functional Diagram





KEY REMINDER UNLOCK
1. Key reminder door unlock does not take into account the lock/unlock commands from RKE, key cylinder or door lock switches. It only takes into account the state of the door lock monitoring switch, key reminder switch and door open status in order to proceed with the unlock sequence or not.
2. Functional Diagram





REMOTE KEYLESS ENTRY PANIC
1. Working Conditions
RKE panic function is only active when the key is out of key cylinder.
Once started, panic operation is not stopped when ignition key is inserted, ignition is ACC, RUN or START, or door is opened or closed.
2. Functional Diagram





HORN
1. Working Conditions
Required key positions:
A. At any position of the key in the cylinder for the horn stalk activation,
B. At Key out from the key cylinder for the horn lock activation or for panic activation.
2. Functional Diagram





BURGLAR ALARM FUNCTION

BURGLAR ALARM
1. Basic Concept
A. The following functions are related to the RKE and burglar alarm systems.
- Door locking
- Door unlocking
- PSD open/close (both for left and right)
- PTG open/close
- Panic
B. If IGN key is inserted into the key cylinder, the RKE transmitter functions are inoperative.
C. Door locking by RKE signal:
- Whenever this signal is received, door LOCK pulse is always issued.
- Hazard lamp flashes one time for 1 second depending on the burglar alarm state.
- This signal will make the system possible to enter into the ARM state (or PREARM state depending on the vehicle condition).
D. Door unlocking by RKE signal.
- Whenever this signal is received, door UNLOCK pulse is always issued.
- Hazard lamp flashes two times whenever the key fob unlock signal is received.
- This signal will make the system possible to enter into the DISARM or 30sec DELAY state depending on Condition A is true or not.
E. LH or RH PSD open/close by RKE signal.
- Only with the information received by RKE, the burglar alarm system cannot distinguish the OPEN signal from CLOSE signal.
- RAM will pass this signal to LH PSD and RH PSD then the burglar alarm state is decided depending on the vehicle condition.
F. PTG open/close
- Only with the information received by RKE, the burglar alarm system cannot distinguish the OPEN signal from CLOSE signal.
- RAM will pass this signal to PTG module then the burglar alarm state is decided depending on the vehicle condition.
G. Panic by key fob
- Whenever this signal is received, the PANIC function is activated (unless the system is already in an ALARM state).
H. Mechanical key on the driver door, assist door and tail gate door
- It is possible to ARM or DISARM the system.
2. Functional Diagram





ARM MODE
- If 30 second timer is elapsed without any changes from the ARM WAIT mode, then system goes to ARM mode.
- Whenever RKE lock signal is received in the ARM state, then the system makes a hazard flash (1 second) and sends a door lock pulse.

PREARM MODE
- If the vehicle is locked using the RKE transmitter or the door lock cylinder, and one or more doors are in an OPEN state, the system issues a LOCK pulse and enters a PREARM state." In the PREARM state, the hazard lamps do not flash".
- If all doors are closed in the PREARM state, the system enters ARM WAIT mode, and the hazard lamps will flash once.
- During PREARM state, if f key reminder switch is ON & IGN 1 & IGN 2 are turned on in this state, the system immediately goes to DISARM state

ARM WAIT MODE
- The ARM WAIT mode is active for 30 seconds. If any entrance (hood, doors, tailgate) is opened, any lock knob is moved to an UNLOCK state, or the ignition switch is turned ON, the system will immediately enter DISARM mode. The system will enter ARM state if none of the previously mention conditions occur during the 30-second ARM WAIT mode.




T1 : 0.5 sec
T2 : 1.0 ± 0.1 sec

DISARM MODE
- If RKE unlock signal is received, then UNLOCK output is issued together with the flashing of hazard lamp (two times) and the system enters into the DISARM condition.
- If mechanical key switch unlock signal is received, then UNLOCK output is issued for 500ms and the system enters into the DISARM condition.
- When entering into DISARM from ALARM state, current alarm will be cancelled and burglar alarm relay drive output is turned off.
- When RKE unlock signal is received again in the DISARM state, UNLOCK output is issued again and hazard lamp is flashed also (two times).

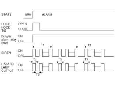
ALARM MODE
- If one or more of entrances are opened in the ARM or REARM state, then Burglar alarm relay drive output is turned ON in order to inhibit the start condition, and hazard lamp and siren are activated for 3 consecutive cycle of 27 seconds duration.
- Siren output and hazard lamp should be synchronized to get the same output period.
- Even though all the doors are closed during alarm, alarm continues to operate it for the remaining time.
- When there is a new attack (with one of the entrance is still open) in the vehicle after completing the alarm output, alarm should not be started again.




T1 : 27 sec (-0, +3sec)
T2 : 10 sec (-0, +3sec)
T3 : 0.5 ± 0.1 sec

AFTER ALARM STATE
- If ALARM cycle is elapsed, the system goes into AFTER ALARM state.
- During this state,
- Burglar alarm relay drive output maintains ON.
- Siren and hazard lamp output are stopped.
- If another entry is opened during the AFTER ALARM state, the burglar alarm relay drive output remains ON, but the siren will not be re-activated.

REARM STATE
- If all entrances are is closed during AFTER ALARM state, the system goes into REARM state.

BATTERY REMOVAL
- If the battery is removed with the system in the ARM state, the system will be placed into the ARM state upon battery reconnect.
- The ALARM state will be re-activated if the battery is disconnected, then reconnected, with the system in an ALARM state.
- If the battery is disconnected and reconnected with the system in AFTER ALARM state, the alarm will be re-activated.
- The system will enter DISARM mode if the battery is disconnected during the ALARM WAIT state.

PANIC
- If RKE PANIC signal is received, Siren output and hazard lamp operate for 27 seconds and the system return to the previous state as soon as the PANIC function finishes.
- The PANIC function will be stopped if any RKE signal is received during PANIC activation.
- If Key reminder switch is ON during PANIC function is operating, PANIC is stopped immediately.
- If the system goes to ALARM mode during PANIC function is operating, PANIC is stopped immediately and then ALARM function should be activated.
- During ALARM state;
If RKE PANIC signal is received, ALARM mode is maintained and PANIC function should be ignored. ALARM has higher priority than PANIC function.
- During AFTER_ALARM state;
If RKE PANIC signal is received, AFTER_ALARM mode is maintained and PANIC function should be activated.

SAFE & RESCUE MODE
The goal of those modes is to be able to cope with failures that may happen on some of the most critical functionalities (for the driver security) of the system.

SAFE MODE
The safe mode is entered in case of system problems such as:
- Incoherent inputs on monitored signals. In this case, safe mode is the debouncing time before the inputs are considered INVALID. Note that today, we have no way to detect if the rain/light sensor is in working operation or not. It means that a driver action will be required in case of failure of this sensor;
- Loss of the CAN frame containing the monitored signal:
- Loss of the CAN network: CAN goes to BUS OFF state, safe mode is the time necessary for detecting the BUS OFF state.
In all cases, the action in safe mode is to maintain the previous state of the system (for lighting and wiping). The list of monitored signals is the same as in rescue mode

EXITING SAFE MODE
The software safe mode is exited and the module goes back to the normal mode when:
- On IPM, hardware inputs return to a coherent state;
- The lost CAN signal comes back while time-out has not elapsed;
- The CAN network returns to a normal state without reaching BUS OFF state.
Software safe mode is also exited when the software rescue mode is entered (problem does not disappear).

Hardware safe mode is exited and the module goes back to normal mode if the internal problem disappears (watchdog is properly triggered again). If the problem stays, hardware safe mode is exited to enter hardware rescue mode.

RESCUE MODES
The rescue mode consists in activating some safety functions when IGN2 = ON:
- Switch on the low beams (FAM), park lamps (FAM), tail lamps (RAM) and cluster backlighting (IPM);
- Unlock of all the doors when the rescue mode is entered with IGN2 = ON
- Front wipers do not need to be turned on by software in rescue mode because wipers can be turned on by manually setting the MF switch to low speed. The FAM software must keep the same state as before entering the rescue mode.
- When IGN2 = OFF, low beams, park/tail lamps and cluster backlighting are turned off.

ENTERING RESCUE MODES
Rescue mode is entered when some important CAN signal or hardware input are not available. Rescue mode is entered when one of the following conditions is true:
IPM
- Time-out on CAN signal InhibitSwSts, to detect loss of CAN connection with FAM.
- Time-out on CAN signal StopLpErrorSts, to detect loss of CAN connection with RAM.
- MF Light Switch information is invalid: when the signals coming from MF Light Switch are not coherent for more than 2 s, CAN signal Park Tail Head Lp Ctrl is sent with INVALID value and rescue mode is entered.
- Front Wiper MF Switch information is invalid: when the signals coming from Front Wiper MF Switch are not coherent for more than 2 s, CAN signal Front Wiper Ctrl is sent with INVALID value and rescue mode is entered.
- CAN is in Bus Off state
RAM
- Time-out on CAN signal InhibitSwSts, to detect loss of CAN connection with FAM.
- Time-out on CAN signal Park Tail Head Lp Ctrl or Front Wiper Ctrl, to detect loss of CAN connection with IPM.
- Park Tail Head Lp Ctrl = INVALID or unknown value
- Front Wiper Ctrl = INVALID or unknown value
- CAN is in Bus Off state
FAM
- Time-out on CAN signal StopLpErrorSts, to detect loss of CAN connection with RAM
- Time-out on CAN signal Park Tail Head Lp Ctrl or Front Wiper Ctrl, to detect loss of CAN connection with IPM
- Park Tail Head Lp Ctrl = INVALID or unknown value
- Front Wiper Ctrl = INVALID or unknown value
- CAN is in Bus Off state
For all CAN signals, time-out duration is 2.5 times signal periodicity.