Operation CHARM: Car repair manuals for everyone.
Manuals through 2025 now available!

Our trusted friends have launched a new website named LEMON, which has newer manuals. It also contains all the CHARM manuals.

LEMON is the spiritual successor to CHARM, I recommend you try it!

Link: lemon-manuals.la or lemon-manuals.org.ua

(Some people have issue connecting. LEMON is investigating. For now, use Firefox or change your DNS server)

Or, hide this message: temporarily or permanently

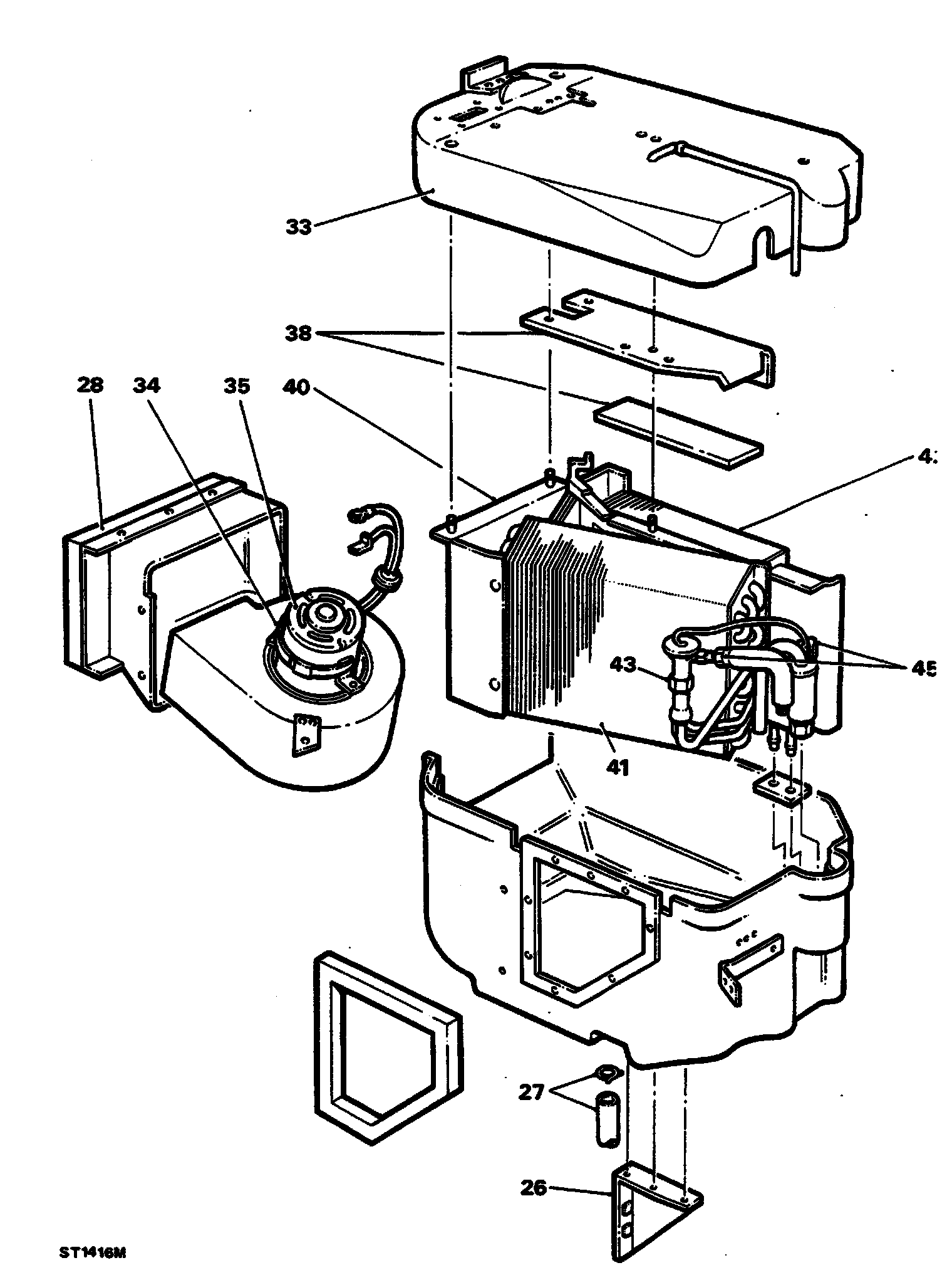
Evaporator Core: Service and Repair




EVAPORATOR

NOTE: It is only necessary to evacuate the air conditioning system when removing the evaporator matrix or to change the expansion valve.

Removal

1. Place the vehicle in a ventilated area away from open flames and heat sources.
2. Stop the engine and secure the bonnet in an open position.

Heater matrix and blower motor only

3. Remove the caps from the compressor service valves and close (turn clockwise) fully.
4. Disconnect the low pressure valve from the compressor and cap both ends to prevent dirt or moisture entering the system.
5. Using two suitable spanners remove the high pressure pipe from the evaporator side. Cap both ends to prevent dirt or moisture entering the system.





Evaporator matrix and expansion valve only

6. Remove the caps from the compressor service valves and connect the gauge set for evacuating.
7. Evacuate the air conditioning system as previously described.
8. Open the compressor service valves and disconnect the gauge set. Cap all pipes and gauge connections to prevent dirt or moisture entering the system.
9. Release the fixings and remove the expansion tank to provide access to the air conditioning high and low pressure pipes.
10. Whilst supporting both unions with suitable spanners unscrew the high and low pressure air conditioning pipes to the evaporator. Cap the pipe ends and evaporator inlets to prevent dirt or moisture entering the system.






Evaporator unit

11. Disconnect the electrical leads feeding the compressor clutch cycling switch.
12. Detach the vacuum pipes from the water valve switch.
13. Remove the fixings securing the water valve switch and withdraw it.
14. Remove the clip and cable connection from the evaporator heater flap rod. Use a new clip on reassembly.
15. Release the nylon cable retainer.
16. Detach the resistor block electrical connector.
17. Remove the relay module from its socket and remove the self tapping screw to release the socket.






18. Remove the screw securing the fuse holder. then refit both screws to retain the resistor block in the evaporator case.
19. All wiring on the top of the evaporator is now disconnected with the exception of the ground lead, this is disconnected when the evaporator top fixings are removed.
20. Using suitable pipe clamps, clamp the inlet and outlet coolant pipes at the base of the evaporator and release the two jubilee clips and detach, or drain the radiator.






21. From inside the vehicle remove the front passenger carpet and self tapping screws which retain the toe-board. Remove the toe-board.
22. Release the two bolts.






23. From inside the engine compartment remove the two bolts from behind the relay module securing the evaporator to the bulkhead. This also releases the ground leads.
24. Remove the bolt securing the front of the evaporator casing.
25. Lift the evaporator clear of the vehicle and place on a bench with a suitable support underneath the case to ensure the heater pipes are not damaged.

1'�:






26. Release the nuts and remove the bracket from underneath the evaporator casing.
27. Remove the wire clip and detach the dump valve located underneath.
28. Release the seven self tapping screws securing the outlet duct and carefully break the seating compound around the edge of the duct and pull ducting plate away from evaporator body.
29. Remove the fifteen screws located around the cover seam. Remove the old sealing compound from the body and top cover.
30. Remove the four screws and four nuts from the top of the cover.
31. From the front of the unit remove the two screws adjacent to the low pressure pipe moulding.
32. At the side of the unit remove the two screws adjacent to the air intake aperture.
33. Lift the top cover oft whilst feeding the blower motor wiring and air control flap rod through their respective apertures, thus exposing the blower motor, heater matrix and air conditioning evaporator matrix.

Blower motor unit removal only

34. Remove the screws retaining the motor unit to the casing.
35. Release the three bracket retaining screws and withdraw motor and impeller.
36. Detach the star washer, spring clip and impeller.
37. Remove the two nuts from the motor shroud and lift clear.

Heater/Evaporator matrices removal only

38. Lift the support plate and insulation pad from the matrix.
39. From the bottom of the casing, remove the three screws adjacent to the dump valve outlet, in addition to the screws next to the heater pipes.
40. Lift the evaporator and heater matrices together with the supporting frame containing the air direction flap clear of the casing.
41. Detach the evaporator matrix by releasing the four screws, two at both ends of the support bracket.
42. Detach the heater matrix by removing the self-tapping screw.

Expansion valve removal

43. Support the suction pipe union with suitable spanners and release.
44. Remove the bleed pipe retaining nut from the suction pipe.
45. Remove the spring clip retaining the expansion valve sensor pipe to the main suction pipe which now releases the expansion valve and high pressure pipe. Place valve on bench and unscrew the high pressure pipe from the expansion valve.
46. Seal and cap all apertures; discard all '0' rings which are renewed on assembly.

Refitting

47. Reverse procedures 11 to 46 noting that all threads, unions, '0' rings are coated with refrigerant oil prior to fitting.

NOTE: Depending upon which unit has been refitted reverse the appropriate procedures:

Heater Matrix or Blower Motor 3 to 5 Evaporator Matrix or Expansion Valve 6 to 10 and then charge the air conditioning system as previously described with Refrigerant 12.