Operation CHARM: Car repair manuals for everyone.
Manuals through 2025 now available!

Our trusted friends have launched a new website named LEMON, which has newer manuals. It also contains all the CHARM manuals.

LEMON is the spiritual successor to CHARM, I recommend you try it!

Link: lemon-manuals.la or lemon-manuals.org.ua

(Some people have issue connecting. LEMON is investigating. For now, use Firefox or change your DNS server)

Or, hide this message: temporarily or permanently

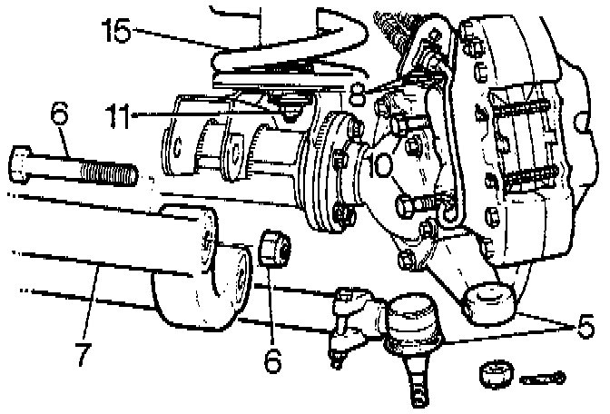
Front


Front Axle Assembly

Service Repair No - 54.10.01


WARNING: Remove and install of axle requires 2 persons to steady axle when lowering or repositioning.

Removal

1. Raise and support chassis front.
2. Remove front road wheels.
3. Support axle weight with hydraulic jack.
4. Remove both radius arm to chassis frame lock nuts.






5. Disconnect steering damper from track rod. Using an extractor remove track rod links from swivel pin arms.
6. Remove 4 nuts and bolts securing radius arms to axle bracket.
7. Disconnect radius arms from axle.
8. Remove bolts securing brake hose brackets. Install bolts to prevent oil leakage.
9. Remove both wheel sensor lead plugs and release lead retaining clips.
10. Remove bolts from brake calipers and tie calipers to one side. DO NOT strain hoses.
11. Remove nuts and washers securing shock absorbers to axle.
12. Disconnect drag link from swivel pin housing arm.
13. Remove 2 nuts and bolts securing panhard rod to axle bracket. Lift rod clear of axle.
14. Mark drive shaft flanges for reassembly. Remove 4 nuts and bolts, tie propeller shaft to one side.






15. Release axle ventilation pipe banjo and lower axle assembly. Remove road springs.
16. Disconnect anti-roll bar link.
17. Remove axle assembly.
18. Transfer components to new axle.


Installation

19. Position axle under vehicle, supporting left side of axle.
20. Install road springs, axle ventilation pipe banjo and raise axle assembly.
21. Align reference marks and install propeller shaft. Tighten bolts to 47 Nm (35 ft. lbs.).
22. Install panhard rod to axle bracket. Tighten bolts to 88 Nm (65 ft. lbs.).
23. Install drag link to swivel pin arm. Tighten fixings to 40 Nm (30 ft. lbs.).
24. Install shock absorbers to axle.
25. Install brake calipers. Tighten bolts to 82 Nm (60 ft. lbs.).
26. Tighten upper swivel pin bolts to 65 Nm (50 ft. lbs.).
27. Reconnect both wheel sensor lead plugs and install lead retaining clips.
28. Install radius arms to axle brackets. Tighten bolts to 197 Nm (145 ft. lbs.).
29. Install steering damper to track rod.
30. Install radius arms to chassis side member. Tighten fixings to 197 Nm (145 ft. lbs.).
31. Tighten track rod end to 40 Nm (30 lbs.). Malign to hole and install new split [cotter] pin.
32. Install road wheels, tighten to 130 Nm (95 ft. lbs.).
33. Remove chassis supports.