Operation CHARM: Car repair manuals for everyone.
Manuals through 2025 now available!

Our trusted friends have launched a new website named LEMON, which has newer manuals. It also contains all the CHARM manuals.

LEMON is the spiritual successor to CHARM, I recommend you try it!

Link: lemon-manuals.la or lemon-manuals.org.ua

(Some people have issue connecting. LEMON is investigating. For now, use Firefox or change your DNS server)

Or, hide this message: temporarily or permanently

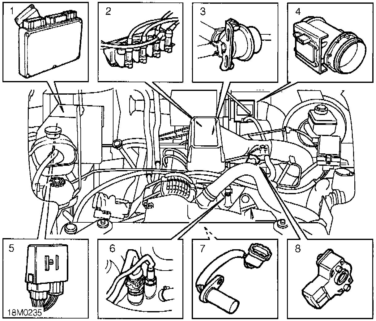
Powertrain Management: Locations

SFI System Component Location





1. Engine control module
2. Ignition coils
3. Fuel pressure regulator
4. Mass air flow sensor
5. Relay module
- Main relay
- Fuel pump relay
6. Engine coolant temperature sensor
7. Camshaft position sensor
8. Throttle position sensor





1. EVAP purge valve
2. Inertia switch
3. Engine fuel temperature sensor
4. Crankshaft position sensor
5. Oxygen sensor (4 off)
6. Injectors
7. Idle air control
8. Knock sensors (2 off)
9. Intake air temperature sensor