Operation CHARM: Car repair manuals for everyone.
Manuals through 2025 now available!

Our trusted friends have launched a new website named LEMON, which has newer manuals. It also contains all the CHARM manuals.

LEMON is the spiritual successor to CHARM, I recommend you try it!

Link: lemon-manuals.la or lemon-manuals.org.ua

(Some people have issue connecting. LEMON is investigating. For now, use Firefox or change your DNS server)

Or, hide this message: temporarily or permanently

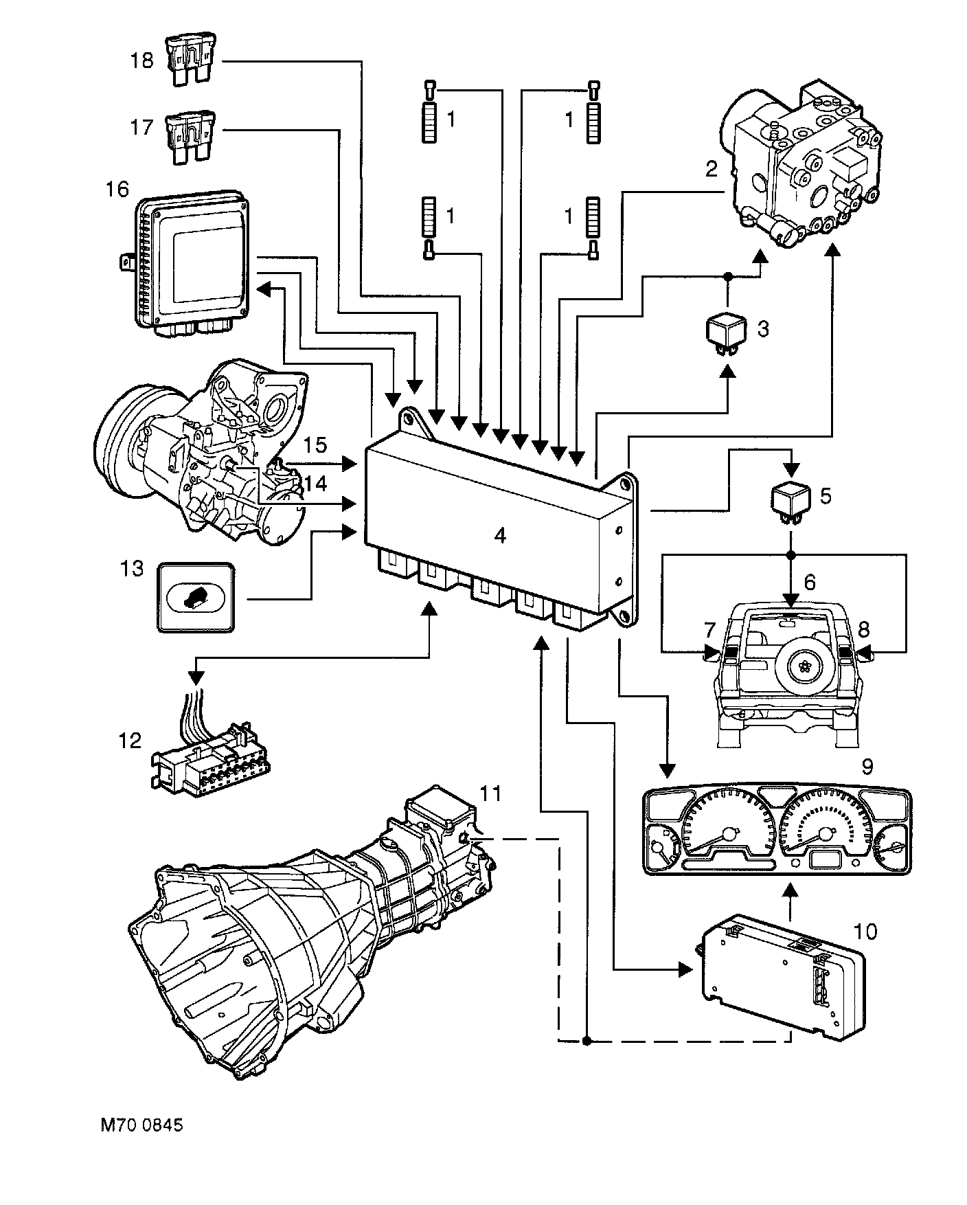
Brakes and Traction Control





Brake System Control

1 ABS Sensor
2 ABS Modulator
3 Return pump relay
4 SLABS ECU
5 Brake lamp relay
6 Centre high mounted stop lamp
7 LH brake lamp
8 RH brake lamp
9 Instrument pack
10 Body control unit
11 Reverse lamp switch (manual gearbox)
12 Diagnostic socket
13 HDC switch
14 Transmission high/low switch
15 Centre differential lock switch
16 Engine control module
17 Battery power supply
18 Ignition power supply