Operation CHARM: Car repair manuals for everyone.
Manuals through 2025 now available!

Our trusted friends have launched a new website named LEMON, which has newer manuals. It also contains all the CHARM manuals.

LEMON is the spiritual successor to CHARM, I recommend you try it!

Link: lemon-manuals.la or lemon-manuals.org.ua

(Some people have issue connecting. LEMON is investigating. For now, use Firefox or change your DNS server)

Or, hide this message: temporarily or permanently

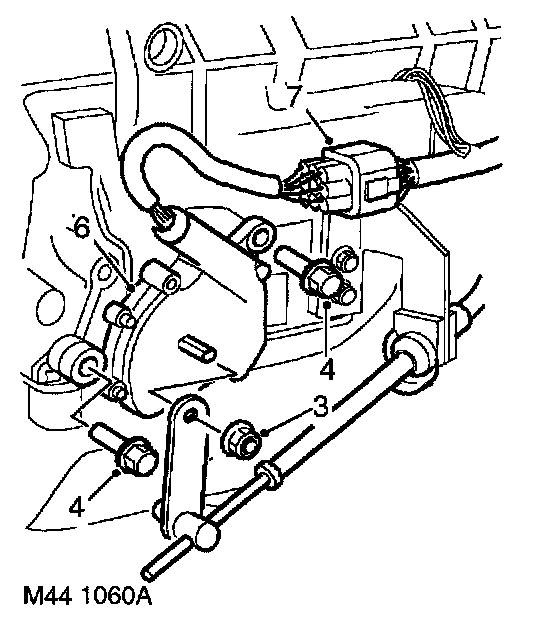
Neutral Safety Switch: Service and Repair


Switch - Starter Inhibitor

Service Repair No - 44.15.19


Remove

1. Diesel models: Remove exhaust front pipe.
2. Move the selector lever to position 'P'.





3. Remove nut securing selector lever to gearbox selector shaft and release lever.
4. Remove 2 bolts securing inhibitor switch to gearbox.
5. Release multiplug from gearbox bracket.
6. Release inhibitor switch from selector shaft.
7. Disconnect switch multiplug and remove switch.

Refit

1. Ensure 'P' is selected by rotating selector shaft fully clockwise.
2. Engage 'N' by rotating selector shaft 2 detents anti-clockwise.
3. Position inhibitor switch to selector shaft, connect multiplug and secure multiplug to gearbox bracket.
4. Engage switch to selector shaft, and fit but do not tighten retaining bolts.





5. Fit tool LRT-44-011 to selector shaft.
6. Insert setting pin into tool. Rotate switch until setting pin engages with hole in switch as shown and tighten bolts to 10 Nm (7 ft. lbs.).
7. Remove setting tool LRT-44-01 1.
8. Position selector lever to selector shaft and tighten nut to 26 Nm (19 ft. lbs.).
9. Diesel models: Fit exhaust front pipe.