Operation CHARM: Car repair manuals for everyone.
Manuals through 2025 now available!

Our trusted friends have launched a new website named LEMON, which has newer manuals. It also contains all the CHARM manuals.

LEMON is the spiritual successor to CHARM, I recommend you try it!

Link: lemon-manuals.la or lemon-manuals.org.ua

(Some people have issue connecting. LEMON is investigating. For now, use Firefox or change your DNS server)

Or, hide this message: temporarily or permanently

Temperature Control



Temperature Control

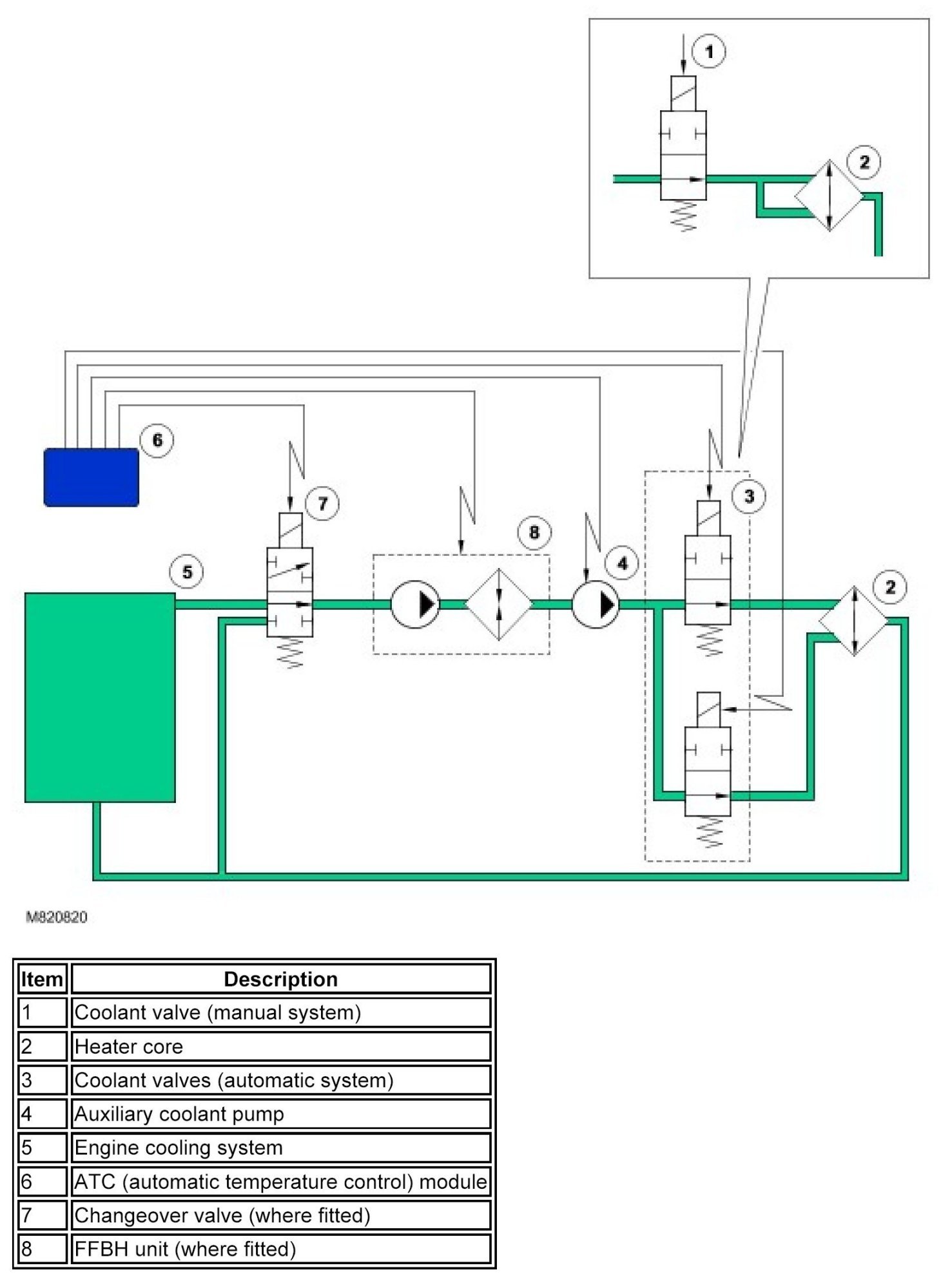
To determine the amount of heat required, in the form of coolant flow through the heater, the ATC (automatic temperature control) module compares the reference value with the heater temperature and incorporates a correction factor to compensate for changes of coolant flow rate with engine speed. From the resultant value the ATC (automatic temperature control) module determines the open duration of the coolant valve and outputs the appropriate control signal. On the automatic system, separate values and output signals are generated for each coolant valve to produce the individual temperature control for the LH (left-hand) and RH (right-hand) sides of the passenger compartment.

When the temperature setting on the control panel is set to maximum, the ATC (automatic temperature control) module signals the coolant valve to remain open. When the temperature setting on the control panel is set to minimum, the ATC automatic temperature control) module signals the coolant valve to remain closed.

On the automatic system, the minimum setting is over-ridden when the defrost program, maximum A/C (air conditioning), rest heating or FFBH (fuel fired booster heater) functions are selected.

Heater Coolant Circuit