Operation CHARM: Car repair manuals for everyone.
Manuals through 2025 now available!

Our trusted friends have launched a new website named LEMON, which has newer manuals. It also contains all the CHARM manuals.

LEMON is the spiritual successor to CHARM, I recommend you try it!

Link: lemon-manuals.la or lemon-manuals.org.ua

(Some people have issue connecting. LEMON is investigating. For now, use Firefox or change your DNS server)

Or, hide this message: temporarily or permanently

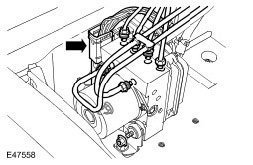
Electronic Brake Control Module: Service and Repair

Anti-Lock Brake System (ABS) Module

Service Repair No - 70.25.12


Removal

CAUTION: Make sure the ignition switch is in position 0.

1. Remove the cover.





2. Disconnect the electrical connector.

3. CAUTION: Brake fluid will damage paint finished surfaces. If spilled, immediately remove the fluid and clean the area with water.

CAUTION: Before the disconnection or removal of any components, ensure the area around joint faces and connections are clean. Plug any open connections to prevent contamination.

Disconnect the 6 brake tubes.
^ Position an absorbent cloth to collect fluid spillage.
4. Remove the ABS module from the mounting bracket.
^ Loosen, but do not remove, the 2 nuts securing the ABS module to the bracket.





Installation

1. NOTE: Make sure the ABS module locating grommet is correctly seated in the bracket before installing the ABS module.

NOTE: Make sure the ABS module locating pin is correctly located in the grommet, and the 2 front isolators are fully seated in the bracket slots.

Install the ABS module.
^ Tighten the 2 ABS module retaining nuts to 8 Nm (6 ft. lbs.).
^ Remove the blanking caps from the ports.
^ Tighten the two M10 and three M12 brake tube unions to 15 Nm (11 ft. lbs.).
^ Tighten the M14 brake tube union to 17 Nm (13 ft. lbs.).
^ Connect the electrical connector.
^ Remove the ABS module from the mounting bracket.
2. Using T4, bleed the braking system.
3. Install the cover.
4. If a new ABS module has been installed, interrogate the ABS system using T4.