Operation CHARM: Car repair manuals for everyone.
Manuals through 2025 now available!

Our trusted friends have launched a new website named LEMON, which has newer manuals. It also contains all the CHARM manuals.

LEMON is the spiritual successor to CHARM, I recommend you try it!

Link: lemon-manuals.la or lemon-manuals.org.ua

(Some people have issue connecting. LEMON is investigating. For now, use Firefox or change your DNS server)

Or, hide this message: temporarily or permanently

Alternator: Service and Repair



Generator - 3.2L

Special Service Tools













Removal

WARNING: Make sure to support the vehicle with axle stands.

1. Raise and support the vehicle.
2. Disconnect the battery ground cable.
3. Remove the intake manifold.
4. Disconnect the generator harness.
5. Remove the generator.





CAUTION: Mark the components to aid installation.

6. Remove the coupling.

NOTE: Do not disassemble further if the component is removed for access only.

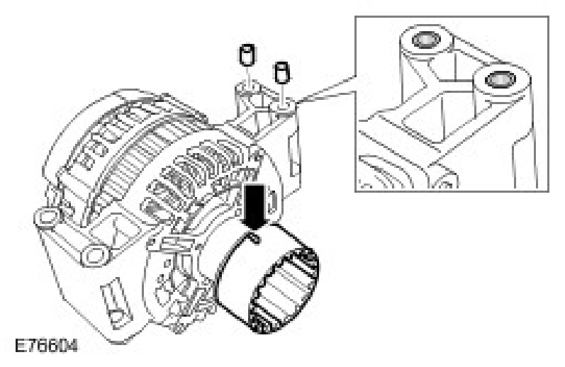
7. Remove the dowels.





8. Remove the generator coupling.





Installation

1. Install the generator coupling.

Torque: 75 Nm





2. Install the locating dowels flush with the generator casing.

NOTE: Make sure that the installation marks are aligned.

3. Install the coupling.
4. Locate the generator and install and lightly tighten the upper bolts.
5. Using the special tool, install the dowels to align the generator.





6. Tighten the generator bolts.

Torque: 24 Nm

7. Connect the generator harness and tighten the nut.

Torque: 12 Nm

8. Install the intake manifold.
9. Connect the battery ground cable.