Operation CHARM: Car repair manuals for everyone.
Manuals through 2025 now available!

Our trusted friends have launched a new website named LEMON, which has newer manuals. It also contains all the CHARM manuals.

LEMON is the spiritual successor to CHARM, I recommend you try it!

Link: lemon-manuals.la or lemon-manuals.org.ua

(Some people have issue connecting. LEMON is investigating. For now, use Firefox or change your DNS server)

Or, hide this message: temporarily or permanently

Evaporator Core: Service and Repair



Evaporator Core

Service Repair No - 82.25.20


Removal

WARNING:
^ Persons working on the supplemental restraint system (SRS) must be fully trained and have been issued with the safety guidelines.
^ Allow a period of 10 minutes to elapse after disconnecting the battery before undertaking any work on the SRS.
^ The SRS electrical connectors are unique.DO NOT force, or attempt to connect electrical connectors to the wrong sockets.
^ The correct procedures must always be used when working on SRS components.
^ It is imperative that before any work is undertaken on the SRS system, the appropriate information is read thoroughly.
^ Always disconnect both battery cables before beginning work on the SRS system.Disconnect the ground cable first.Never reverse connect the battery.
^ Take extra care when handling SRS components
.

1. Set the footwell duct air outlet to closed.
2. Make the air bag supplemental restraint system (SRS) safe.
3. Disconnect the battery ground cable.
4. Remove the heater and evaporator core housing.
5. Reposition the heater and evaporator core housing for access.
6. Remove the left-hand footwell duct.
^ Remove the 2 screws.





7. Remove the thermostatic expansion valve cover.
^ Release the wiring harness from the 2 tangs.
^ Remove the 4 screws.





8. Remove the right-hand footwell duct.
^ Remove the 4 screws.
^ Remove the clip.





9. Disconnect the footwell duct actuator electrical connector.
10. Release the evaporator temperature sensor from the heater and evaporator core housing.
11. Remove the heater and evaporator core housing lower cover.
^ Remove the 7 screws.
^ Remove the 4 clips.





CAUTION: Make sure that all openings are sealed.Use new blanking caps.

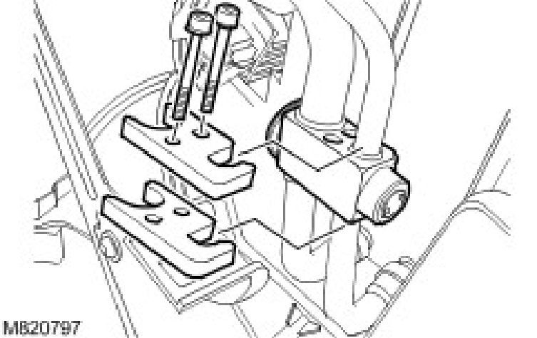
12. Remove the thermostatic expansion valve.
^ Remove the 2 bolts.
^ Remove the 2 air conditioning (A/C) pipe clamps.
^ Release the A/C pipes.
^ Remove and discard the O-rings.





13. Remove the evaporator core.

Installation
1. Install the evaporator core.

NOTE: Remove and discard the blanking caps.

2. Install the thermostatic expansion valve.
^ Clean the component mating faces.
^ Lubricate and install the new O-rings.
^ Install the A/C pipes.
^ Install the 2 A/C pipe clamps.
^ Tighten the screws to 6 Nm (4 ft. lbs.).
3. Install the heater and evaporator core housing lower cover.
^ Install the screws.
^ Install the clips.
4. Install the evaporator temperature sensor to the heater and evaporator core housing.
5. Connect the footwell duct actuator electrical connector.
6. Install the right-hand footwell duct.
^ Install the screws.
^ Install the clip.
7. Install the thermostatic expansion valve cover.
^ Install the screws.
^ Secure the wiring harness to the tangs.
8. Install the left-hand footwell duct.
^ Install the screws.
9. Reposition the heater and evaporator core housing for access.
10. Install the heater and evaporator core housing.
11. Connect the battery ground cable.