Operation CHARM: Car repair manuals for everyone.
Manuals through 2025 now available!

Our trusted friends have launched a new website named LEMON, which has newer manuals. It also contains all the CHARM manuals.

LEMON is the spiritual successor to CHARM, I recommend you try it!

Link: lemon-manuals.la or lemon-manuals.org.ua

(Some people have issue connecting. LEMON is investigating. For now, use Firefox or change your DNS server)

Or, hide this message: temporarily or permanently

Part 1


Electronic Engine Controls

[Denso] Electronic Engine Controls Component Location Sheet 1 of 2:




[Denso] Electronic Engine Controls Component Location Sheet (2 of 2):




[Denso] Electronic Engine Controls-Input Control Diagram (Sheet 1 of 2):




[Denso] Electronic Engine Controls-Control Diagram (Sheet 2 of 2):





GENERAL
The V8 4.4 Liter engine is controlled by a Engine Control Module (ECM) manufactured by DENSO. The Engine Management System (EMS) controls the following:
^ Engine fuelling
^ Ignition timing
^ Closed loop fuelling
^ Knock control
^ Idle speed control
^ Emission control
^ On Board Diagnostic
^ Interface with the immobilization system
^ Speed control

The ECM controls the engine fuelling by providing sequential fuel injection to all cylinders. Ignition is controlled by a direct ignition system, provided by eight plug top coils. The ECM is able to detect and correct for ignition knock on each cylinder and adjust the ignition timing for each cylinder to achieve optimum performance.

The ECM uses a torque-based strategy to generate the torque required by the driver and other vehicle ECU's. The EMS uses various sensors to determine the torque required from the engine. The EMS also interfaces with other vehicle electronic control modules's, via the CAN bus, to obtain additional information (e.g. road speed from the ABS control module). The EMS processes these signals and decides how much torque to generate. Torque is then generated by using various actuators to supply air, fuel and spark to the engine (electronic throttle, injectors, coils, etc.).

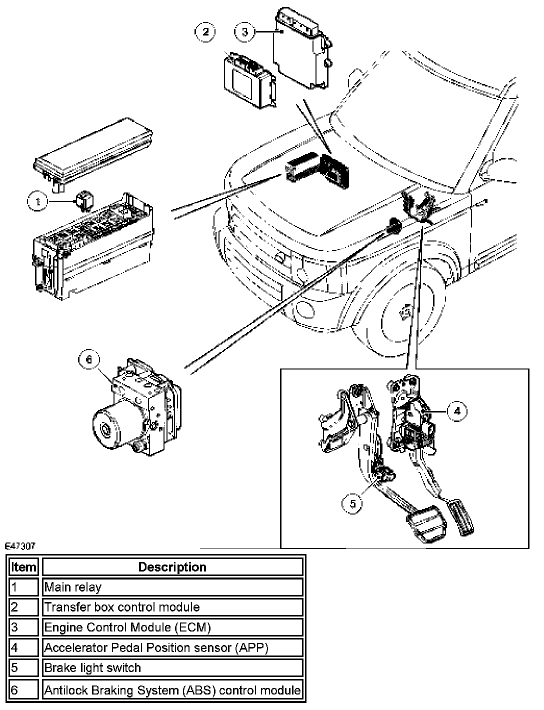
ENGINE CONTROL MODULE (ECM)

Engine Control Module:





The ECM is located in the E-Box in the plenum area on the LH side of the engine compartment attached to the bulkhead.
System ECM has the following inputs:
^ Engine fuelling
^ Ignition timing
^ Closed loop fuelling
^ Knock control
^ Idle speed control
^ Emission control
^ On Board Diagnostic
^ Interface with the immobilization system

The ECM outputs to the following:
^ Throttle Actuator
^ Ignition coils (x8)
^ Oxygen sensor heaters (4)
^ Fuel injectors (8)
^ EGR stepper motor
^ Variable Valve Timing Oil Valves (2)
^ Purge Valve
^ Engine Cooling Fan
^ Fuel pump relay
^ Starter Relay
^ Air conditioning condenser fan module
^ EMS Main Relay
^ Viscous Fan Control
^ Generator Control
^ Power Assisted Steering
^ Diagnostic Module Tank Leakage (DMTL) (NAS Only)

ECM Connector C0634 Pin Out Table

Pin No. 1 - 26:




Pin No. 27 - 72:




Pin No. 73 - 95:





ECM Connector C0635 Pin Out Table

Pin No. 1 - 19:




Pin No. 20 - 36:





CRANKSHAFT POSITION SENSOR (CKP)

Crankshaft Position Sensor:





The crankshaft position sensor is mounted at the rear underside of the engine near the transmission bell housing. Connection between the sensor and the harness is via a link harness and a two-way connector. Both wires go directly to the ECM. The sensor produces the signal which enables the ECM to determine the angle of the crankshaft, and the engine rpm. From this, the point of ignition, fuel injection, etc. is calculated. If the signal wires are reversed a 3 ° advance in timing will occur, as the electronics within the ECM uses the falling edge of the signal waveform as its reference / timing point for each tooth.

The reluctor is pressed into the flywheel and has a 'tooth' pattern based on 36 teeth at 10 ° intervals and approximately 3 ° wide: one of the teeth is removed to provide a hardware reference mark which is 60 ° BTDC No.1 cylinder. Because of the crankshaft sensor's orientation, the target wheel uses windows machined into the face, rather than actual teeth.

The sensor operates by generating an output voltage caused by the change in magnetic field that occurs as the windows pass in front of the sensor. The output voltage varies with the speed of the windows passing the sensor, the higher the engine speed, the higher the output voltage. Note that the output is also dependent on the air gap between the sensor and the teeth (the larger the gap, the weaker the signal, the lower the output voltage). The ECM transmits the engine speed to other vehicle ECU's on CAN.

CAMSHAFT POSITION SENSOR (CMP)

Camshaft Position Sensor:





Two sensors are located at the rear of the engine, in the cylinder head (one per bank), above the rear cylinders. This is a Variable Reluctor Sensor (VRS) producing four pulses for every two engine revolutions. The sensing element is positioned between 0 and 2mm from the side of the cam gear wheel.

The variable cam inlet is parked in the retarded position and can advance up to 48 °.

The camshaft timing wheel is a sintered component which has four teeth on it to enable the EMS to detect cylinder identification. The signal is used for:
^ Variable inlet cam timing
^ Cylinder recognition
^ Enabling sequential fuel injection
^ Knock control
^ Cylinder identification for diagnostic purposes.

Failure symptoms include:
^ Ignition timing reverting to the base mapping, with no cylinder correction.
^ Active knock control is disabled, along with its diagnostic (Safe ignition map - loss of performance).
^ Quick cam / crank synchronization on start disabled.
^ Variable cam timing is disabled

ENGINE COOLANT TEMPERATURE SENSOR (ECT)

Engine Coolant Temperature Sensor:





The sensor is located at the front of the engine in the water pipe below the throttle body. The ECT sensor is a thermistor used to monitor the engine coolant temperature. The engine coolant temperature sensor is vital to the correct running of the engine as a richer mixture is required at lower block temperatures for good quality starts and smooth running, leaning off as the temperature rises to maintain emissions and performance.

The sensor has an operating temperature range of -30 Degree Celsius to 125 Degree Celsius. When a defective coolant sensor is detected, the ECM uses the oil temperature sensor value.

ENGINE OIL TEMPERATURE SENSOR

Engine Oil Temperature Sensor:





Oil temperature is monitored through a temperature sensor mounted in the oil system. This component is a NTC (negative temperature coefficient). The sensor is mounted next to the oil pressure sensor at the front of the engine and locates into the oil filter bracket.

FUEL RAIL TEMPERATURE SENSOR

Fuel Rail Temperature Sensor:





The fuel rail temperature sensor measures the temperature of the fuel in the fuel rail. This input is then used to deliver the correct quantity of fuel to the engine. Operating Range -40 Degree Celsius to 150 Degree Celsius. The fuel rail temperature sensor is fitted on the rear of the right hand bank (bank A) fuel rail.

MASS AIR FLOW/INLET AIR TEMPERATURE SENSOR (MAF/IAT)

Mass Air Flow/Inlet Air Temperature Sensor:





The air flow meter is located in the clean air duct immediately after the air filter box.

The air mass flow is determined by the cooling effect of inlet air passing over a hot film element contained within the device. The higher the air flow the greater the cooling effect and the lower the electrical resistance of the hot film element. The ECM then uses this signal from the Mass Air Flow meter to calculate the air mass flowing into the engine.

The measured air mass flow is used in determining the fuel quantity to be injected in order to maintain the stoichiometric air/fuel mixture required for correct operation of the engine and exhaust catalysts. Should the device fail there is a software backup strategy that will be evoked once a fault has been diagnosed.

The following symptoms may be observed if the sensor fails:
^ During driving the engine RPM might dip, before recovering.
^ Difficulty in starting or start - stall.
^ Poor throttle response / engine performance.
^ Lambda control and idle speed control halted.
^ Emissions incorrect.
^ AFM signal offset

The Inlet Air Temperature (IAT) sensor is integrated into the Mass Air Flow meter. It is a temperature dependent resistor (thermistor), i.e. the resistance of the sensor varies with temperature. This thermistor is a negative temperature coefficient (NTC) type element meaning that the sensor resistance decreases as the sensor temperature increases. The sensor forms part of a voltage divider chain with an additional resistor in the ECM. The voltage from this sensor changes as the sensor resistance changes, thus relating the air temperature to the voltage measured by the ECM. The ECM stores a 25 degree C default value for air temperature in the event of a sensor failure.

MANIFOLD ABSOLUTE PRESSURE SENSOR (MAP)

Manifold Absolute Pressure Sensor:





The MAP sensor provides a voltage proportional to the absolute pressure in the intake manifold. This signal allows the load on the engine to be calculated and used within the internal calculations of the ECM. The sensor is located on the rear of the air intake manifold.

Pin No Description
1 MAP signal
2 Sensor supply
3 Not used
4 Sensor ground

The output signal from the MAP sensor, together with the CKP and IAT sensors, is used by the ECM to calculate the amount of air induced into the cylinders. This enables the ECM to determine ignition timing and fuel injection duration values.

The MAP sensor receives a 5V supply voltage from pin 48 of ECM connector C0634 and provides an analogue signal to pin 69 of ECM connector C0634, which relates to the absolute manifold pressure and allows the ECM to calculate engine load. The ECM provides a ground for the sensor via pin 11 of ECM connector C0634.

If the MAP signal is missing, the ECM will substitute a default manifold pressure reading based on crankshaft speed and throttle angle. The engine will continue to run with reduced drivability and increased emissions, although this may not be immediately apparent to the driver. The ECM will store fault codes which can be retrieved using T4.

KNOCK SENSORS

Knock Sensor:





The V8 EMS has two knock sensors located in the V of the engine, one per cylinder bank. The sensors are connected to the ECM via a twisted pair.

The knock sensors produce a voltage signal in proportion to the amount of mechanical vibration generated at each ignition point. Each sensor monitors the related cylinder bank.

The knock sensors incorporate a piezo-ceramic crystal. This crystal produces a voltage whenever an outside force tries to deflect it, (i.e. exerts a mechanical load on it). When the engine is running, the compression waves in the material of the cylinder block, caused by the combustion of the fuel/air mixture within the cylinders, deflect the crystal and produce an output voltage signal. The signals are supplied to the ECM, which compares them with `mapped' signals stored in memory. From this, the ECM can determine when detonation occurs on individual cylinders. When detonation is detected, the ECM retards the ignition timing on that cylinder for a number of engine cycles, then gradually returns it to the original setting.

Care must be taken at all times to avoid damaging the knock sensors, but particularly during removal and fitting procedures. The recommendations regarding torque and surface preparation must be adhered to. The torque applied to the sensor and the quality of the surface preparation both have an influence over the transfer of mechanical noise from the cylinder block to the crystal.

The ECM uses the signals supplied by the knock sensors, in conjunction with the signal it receives from the camshaft sensor, to determine the optimum ignition point for each cylinder. The ignition point is set according to preprogrammed ignition maps stored within the ECM. The ECM is programmed to use ignition maps for 98 RON premium specification fuel. It will also function on 91 RON regular specification fuel and learn new adaptions. If the only fuel available is of poor quality, or the customer switches to a lower grade of fuel after using a high grade for a period of time, the engine may suffer slight pre-ignition for a short period. This amount of pre-ignition will not damage the engine. This situation will be evident while the ECM learns and then modifies its internal mapping to compensate for the variation in fuel quality. This feature is called adaption. The ECM has the capability of adapting its fuel and ignition control outputs in response to several sensor inputs.

The ECM will cancel closed loop control of the ignition system if the signal received from either knock sensor becomes implausible. In these circumstances the ECM will default to a safe ignition map. This measure ensures the engine will not become damaged if low quality fuel is used. The MIL lamp will not illuminate, although the driver may notice that the engine 'pinks' in some driving conditions and displays a drop in performance and smoothness.

When a knock sensor fault is stored, the ECM will also store details of the engine speed, engine load and the coolant temperature.

ELECTRONIC THROTTLE

Electronic Throttle:





The V8 EMS incorporates an electric throttle control system. The electronic throttle body is located on the air intake manifold in the engine compartment. The system comprises three main components:
^ Electronic throttle control valve
^ Accelerator pedal position sensor (APP)
^ ECM

When the accelerator pedal is depressed the APP sensor provides a change in the monitored signals. The ECM compares this against an electronic map and moves the electronic throttle valve via a pulse width modulated (PWM) control signal which is in proportion to the APP angle signal. The system is required to:
^ Regulate the calculated intake air load based on the accelerator pedal sensor input signals and programmed mapping.
^ Monitor the drivers input request for cruise control operation.
^ Automatically position the electronic throttle for accurate cruise control.
^ Perform all dynamic stability control throttle control interventions.
^ Monitor and carry out maximum engine and road speed cut out.

A software strategy within the ECM enables the throttle position to be calibrated each ignition cycle. When the ignition is turned ON, the ECM performs a self test and calibration routine on the electronic throttle by opening and closing the throttle fully.

Electronic Throttle Pin Out Table

Pin No Description
1 Motor -
2 Motor +
3 Sensor ground
4 Sensor 2 signal
5 Sensor 1 signal
6 5 volt supply

ACCELERATOR PEDAL POSITION SENSOR (APP)

Accelerator Pedal Position Sensor:





The APP sensors are located on the accelerator pedal assembly.

The APP sensors are used to determine the driver's request for vehicle speed, acceleration and deceleration. This value is used by the ECM and the throttle is opened to the correct angle by an electric motor integrated into the throttle body.

The APP Sensor signals are checked for range and plausibility. Two separate reference voltages are supplied to the pedal. Should one sensor fail, the other is used as a 'limp home' input. In limp home mode due to an APP signal failure the ECM will limit the maximum engine speed to 2000 rpm.

Accelerator Pedal Position Sensor (APP) Pin Out Table

Pin No Description
1 APP2 ground
2 APP 1 demand
3 APP 1 ground
4 Not used
5 APP 2 demand
6 Supply 2, 5 volt
7 Supply 1, 5 volt
8 Not used