Operation CHARM: Car repair manuals for everyone.
Manuals through 2025 now available!

Our trusted friends have launched a new website named LEMON, which has newer manuals. It also contains all the CHARM manuals.

LEMON is the spiritual successor to CHARM, I recommend you try it!

Link: lemon-manuals.la or lemon-manuals.org.ua

(Some people have issue connecting. LEMON is investigating. For now, use Firefox or change your DNS server)

Or, hide this message: temporarily or permanently

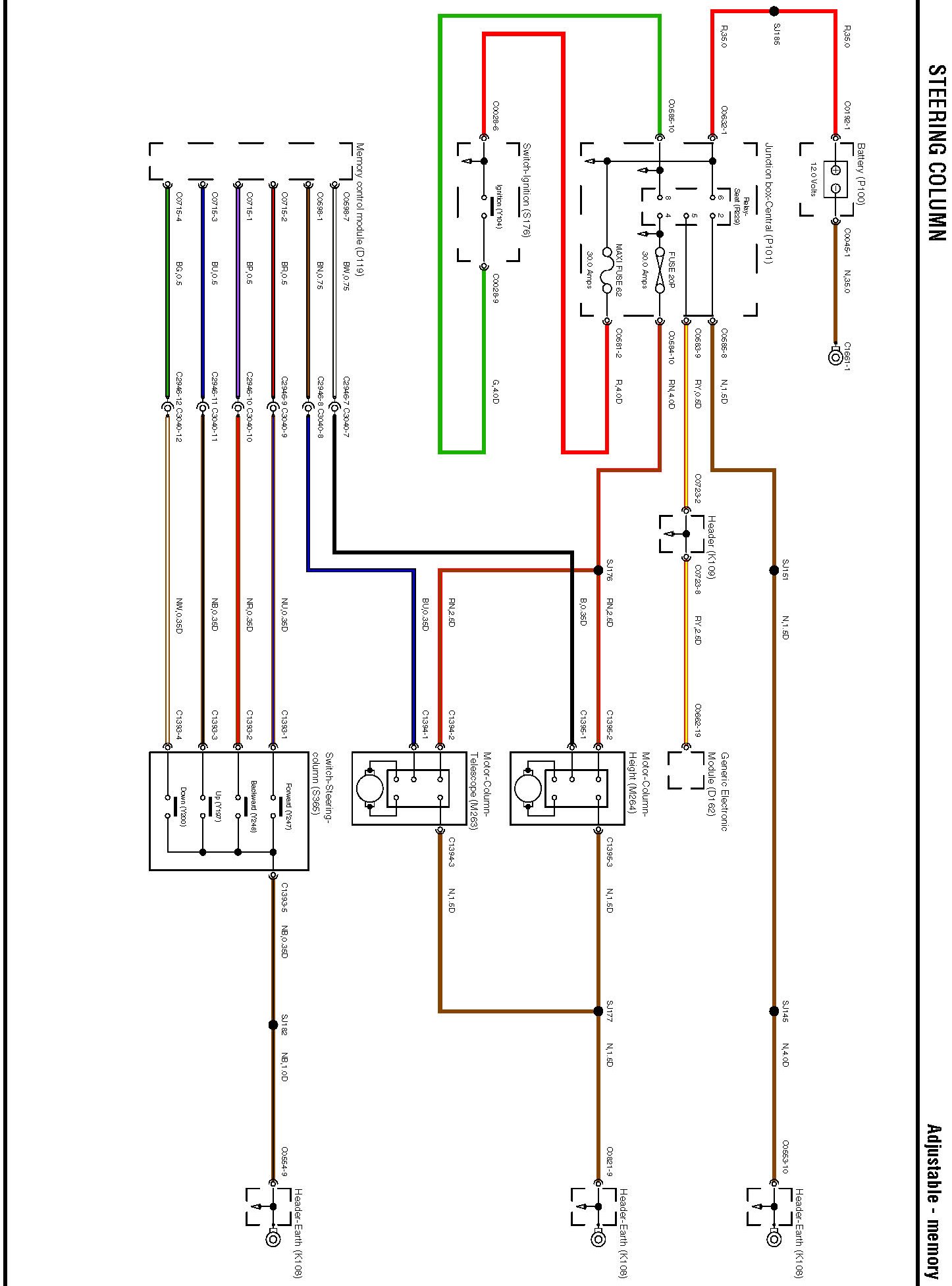
Adjustable - Memory



Adjustable - Memory


Adjustable - Memory:






Locations: The location views for connectors and components depicted within these diagrams can be found via the connector's base number (i.e. C0570) at Vehicle/Locations/Connectors. Locations

Connector Views: The connector pin out views for connectors depicted within these diagrams can be found via the connector's base number (i.e. C0570) at Vehicle/Diagrams/Connector Views. Connector Views